

作品包括:
Word版说明书1份,共40页,约15000字
CAD版本图纸,共7张

目 录
1. 绪 论 1
1.1 除铁器工作原理 1
1.2 除铁器的作用 1
1.3 除铁器的类型 1
1.3.1 电磁除铁器 1
1.3.2 永磁除铁器 2
1.4 永磁除铁器的特点 2
1.5 除铁器的发展方向与趋势 3
1.5.1 强磁、超强磁除铁器的开发与应用 3
1.5.2 除铁器的发展方向 6
1.6 本次设计的任务及分析 7
2. 传动系统设计 9
2.1 电动机的设计 9
2.1.1 电动机类型的选择 9
2.1.2 电动机的计算 9
2.2 减速器设计 11
2.2.1 减速器的类型 11
2.2.2 选择除铁器减速器 12
2.2.3 所选减速器尺寸 12
2.3 链传动的设计 14
2.3.1 链条的设计 14
2.3.2 链轮的设计 18
3. 皮带输送系统的设计 21
3.1 大滚筒的设计 21
3.2 托辊用小滚筒的设计 21
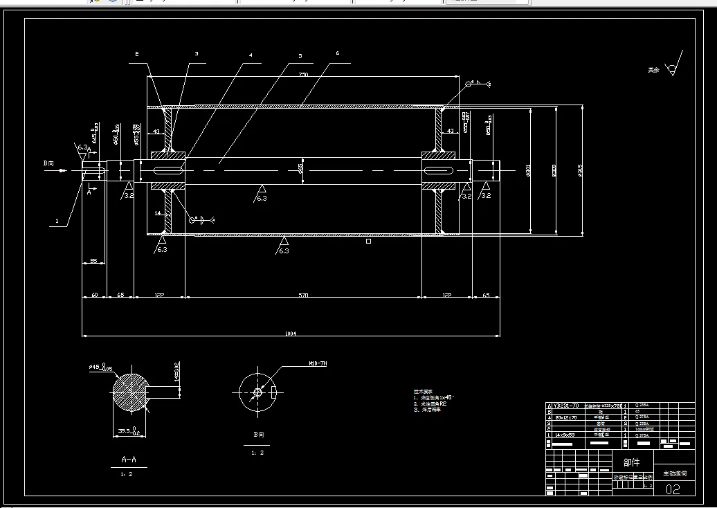
3.3 轴的设计 22
3.3.1 大滚筒轴的计算 22
3.3.2 小滚筒轴的设计 31
3.4 轴承的选择 32
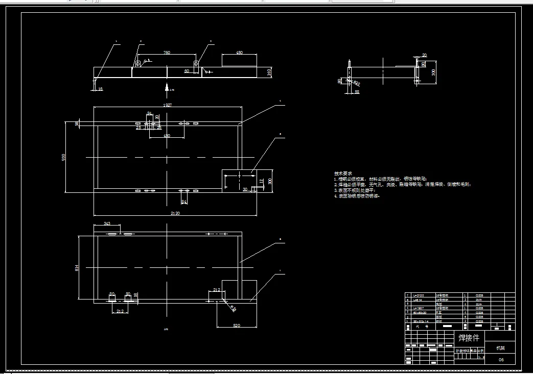
4. 机架与张紧装置的设计 34
4.1 机架 34
4.2 张紧装置 35
4.2.1 带的张紧 35
4.2.2 链的张紧 35
4.3 吊耳的设计 36
5. 维护与润滑 38
5.1 电机的维护 38
5.2减速器的维护 38
5.3 润滑 39
6. 致谢 40
7. 参考文献 41
温馨提示:
1、题目前面的备注【字母数字编号】为本站整理分类的编号,与课题内容无关,请选题时忽视;
2、若题目上备注三维,则表示文件里包含三维源文件,由于三维组成零件数量较多,为保证预览截图的简洁性,本站将三维文件夹进行了打包。三维及CAD预览截图,均为本站电脑打开软件进行截图的,保证能够打开,下载原件超高清,下载后解压即可;
3、本站所有资源如无特殊说明,都需要本地电脑安装Office2007。图纸软件为AutoCAD,PROE,UG,SolidWorks,CATIA等;
4、本站所有图文资料仅供用户学习参考,不作为任何商用或其他用途;
5、本站不保证下载资源的准确性、安全性和完整性, 不包修改,不支持退换,同时也不承担用户因使用这些下载资源对自己和他人造成任何形式的伤害或损失;
6、 下载文件中如有侵权或不适当内容,请与我们联系,我们立即纠正。