

作品包括:
Word版设计说明书1份
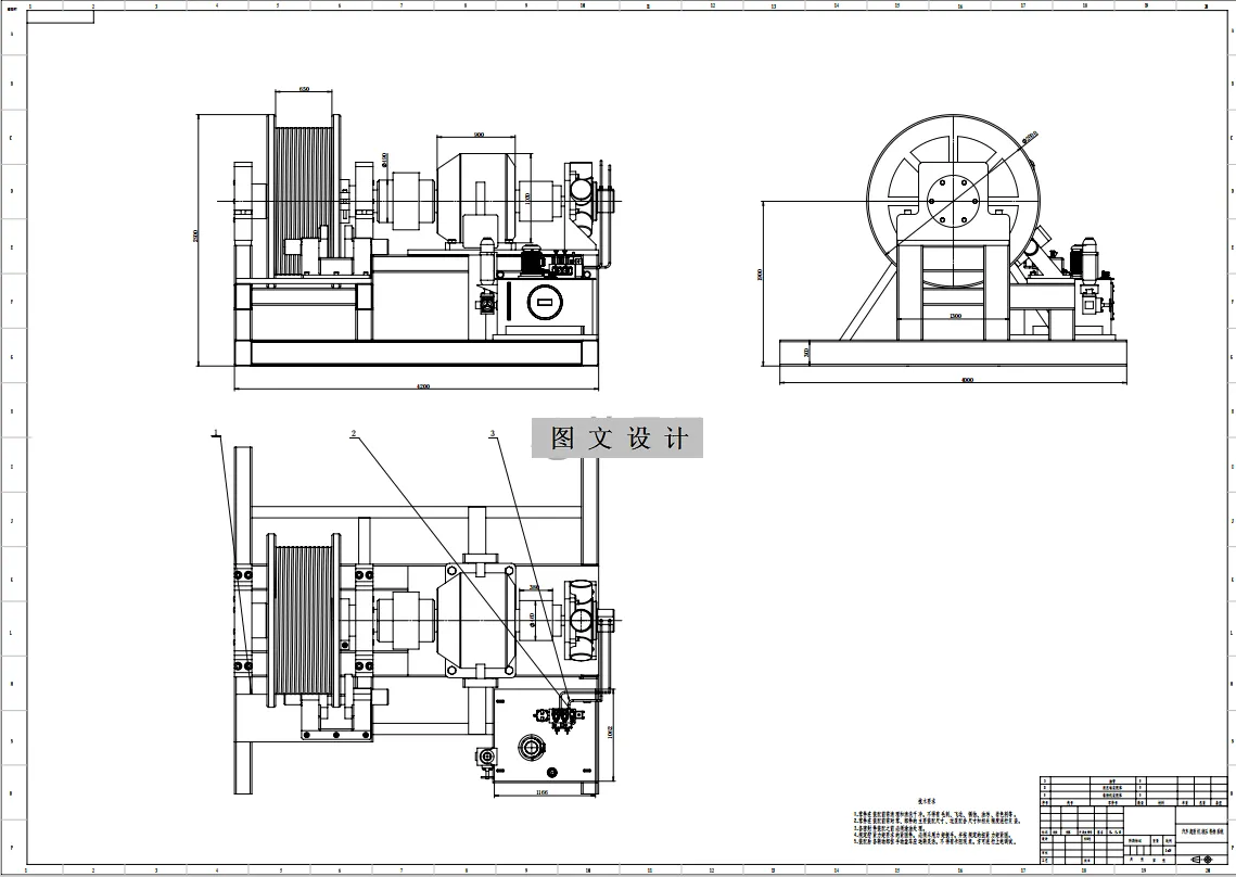
CAD版本图纸,共9张
SW三维图一套
摘要
汽车起重机的液压卷扬系统的必要性也逐渐提高,因其涉及到工作效率及安全控制问题,传统的液压系统存在能耗大、精准度低、故障率高等问题。针对这些问题,设计提升液压卷扬系统的结构,以此来提高用能效率、控制精准及智能化,从而推动我国技术发展,促进我国工程机械产业的发展。 其中设计的内容涉及到对关键部件的选型,按照计算结果选择34mm的钢丝绳,满足设计的许可安全系数;选择2m×650mm的卷筒,提升缠绕速度和寿命;选取JM-16F5.0的液压马达,选择NAD710-6-1型的行星减速器;进行轴系强度计算,选用45钢,并正火处理以增加其性能,经计算得出最小轴径260mm即可满足所需的抗扭强度。 本文经过理论分析建立了一种高效率、高可靠性、智能化的液压卷扬装置。对我国起重机整机核心技术能力水平提升有理论指导和应用的借鉴意义,同时对行业绿色化、智能化的转型升级起到积极的作用。
关键词:汽车起重机;液压卷扬系统;卷筒
温馨提示:
1、题目前面的备注【字母数字编号】为本站整理分类的编号,与课题内容无关,请选题时忽视;
2、若题目上备注三维,则表示文件里包含三维源文件,由于三维组成零件数量较多,为保证预览截图的简洁性,本站将三维文件夹进行了打包。三维及CAD预览截图,均为本站电脑打开软件进行截图的,保证能够打开,下载原件超高清,下载后解压即可;
3、本站所有资源如无特殊说明,都需要本地电脑安装Office2007。图纸软件为AutoCAD,PROE,UG,SolidWorks,CATIA等;
4、本站所有图文资料仅供用户学习参考,不作为任何商用或其他用途;
5、本站不保证下载资源的准确性、安全性和完整性, 不包修改,不支持退换,同时也不承担用户因使用这些下载资源对自己和他人造成任何形式的伤害或损失;
6、 下载文件中如有侵权或不适当内容,请与我们联系,我们立即纠正。