

作品包括:
Word版设计说明书1份,共40页,约18000字
CAD版本图纸,共15张
SW三维图一套

摘 要
蔬菜作为一种重要的粮食兼经济作物,其产量高、适应性强、分布广泛,然而我国蔬菜的平均单产量远低于美国和欧洲等发达国家。传统的蔬菜种植方式主要依赖人畜力,劳动强度大,现有的蔬菜种植机虽然能实现一定的自动化,但存在工作效率低、性能不稳定、漏种、重播、种距不均匀等问题。
通过设计蔬菜播种机,可以一次性完成开沟、排种、覆土、镇压等多个工序,大大降低了劳动强度,节约了劳动力。机械化种植可以实现蔬菜种植的标准化和规范化,保证种子的株距和行距一致,提高种子的利用率和出苗率,从而提升蔬菜的产量和质量。高效的蔬菜播种机可以减少对土地资源的过度利用,降低化肥和农药的使用量,从而保护生态环境,促进农业可持续发展。
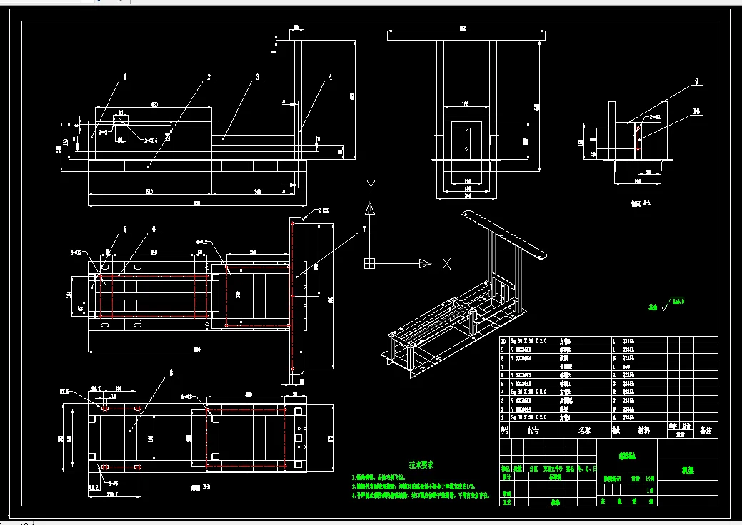
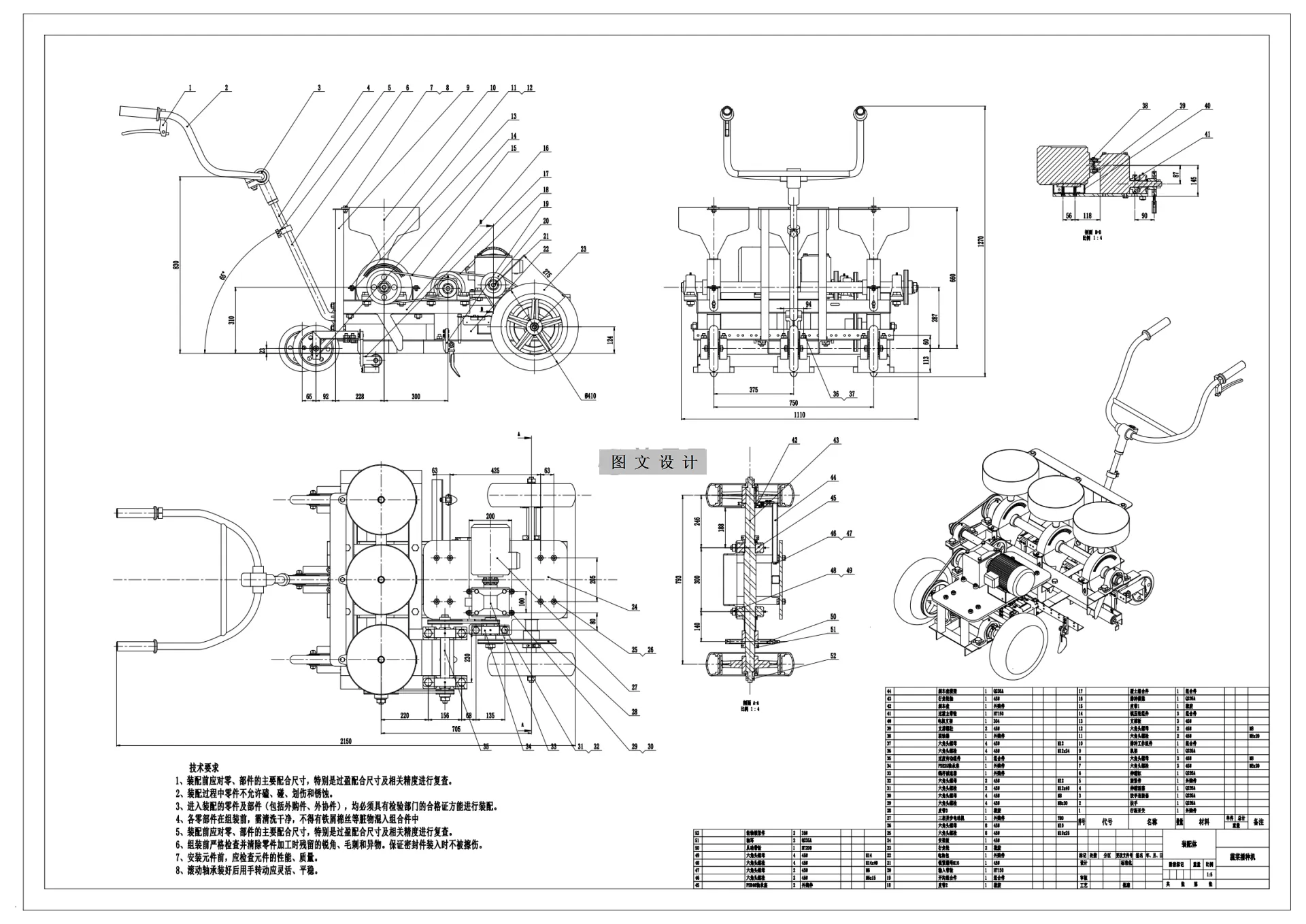
本文设计的蔬菜播种机主要由机架、排种装置、传动系统、开沟器、镇压轮等组成,采用机械式排种,利用带轮的传动带动排种勾勺从而使种子分离,达到单粒或双粒的播种目的,采用尖角型开沟器,破茬、切割秸秆强,无堵塞、通过性好,该机能有效降低种子破碎率和漏播率,提高播种精度,同时开沟器和覆土装置的高度可调。本文设计的播种机具有节省种子、不损坏种子、对种子粒径要求不严格、适应性强、运行速度快等优点,可以节约大量良种、定秧劳动,合理配种、减少肥料损失,提高作物产量,可以取得显著的经济效益。
关键词:蔬菜播种;排种装置;开沟器;覆土装置;结构设计;Solidworks
目 录
蔬菜播种机的设计 I
摘 要 I
Structural Design of Vegetable Seeder II
Abstract II
目 录 IV
第1章 绪 论 1
1.1 引言 1
1.2 国内外研究现状 1
1.2.1国内研究现状 1
1.2.2国外研究现状 4
1.3 本文研究内容 6
第2章 播种机的方案确定 7
2.1 播种机设计分析 7
2.1.1 设计因素 7
2.1.2 设计要求 8
2.2 播种机分类 8
2.3 结构方案设计 9
2.4 本章小节 10
第3章 关键零部件的设计 11
3.1 排种装置 11
3.1.1 结构设计 11
3.1.2 排种箱的设计 12
3.2 驱动及传动方案确定 13
3.2.1 驱动方式选择 13
3.2.2 传动系统方案 14
3.3 播种机附件设计 14
3.4 本章小节 17
第4章 传动系统设计计算 18
4.1 驱动装置的设计 18
4.1.1 播种机基本参数 18
4.1.2 电机的选型 20
4.2 带传动的设计 22
4.3 本章小结 26
第5章 基于Solidworks的三维建模 27
5.1 蔬菜播种机的建模 27
5.2 有限元分析 28
5.2.1 有限元概述 28
5.2.2 机架的有限元分析 29
5.3 本章小节 31
结 论 32
参考文献 33
致 谢 35
温馨提示:
1、题目前面的备注【字母数字编号】为本站整理分类的编号,与课题内容无关,请选题时忽视;
2、若题目上备注三维,则表示文件里包含三维源文件,由于三维组成零件数量较多,为保证预览截图的简洁性,本站将三维文件夹进行了打包。三维及CAD预览截图,均为本站电脑打开软件进行截图的,保证能够打开,下载原件超高清,下载后解压即可;
3、本站所有资源如无特殊说明,都需要本地电脑安装Office2007。图纸软件为AutoCAD,PROE,UG,SolidWorks,CATIA等;
4、本站所有图文资料仅供用户学习参考,不作为任何商用或其他用途;
5、本站不保证下载资源的准确性、安全性和完整性, 不包修改,不支持退换,同时也不承担用户因使用这些下载资源对自己和他人造成任何形式的伤害或损失;
6、 下载文件中如有侵权或不适当内容,请与我们联系,我们立即纠正。