

作品包括:
Word版设计说明书1份
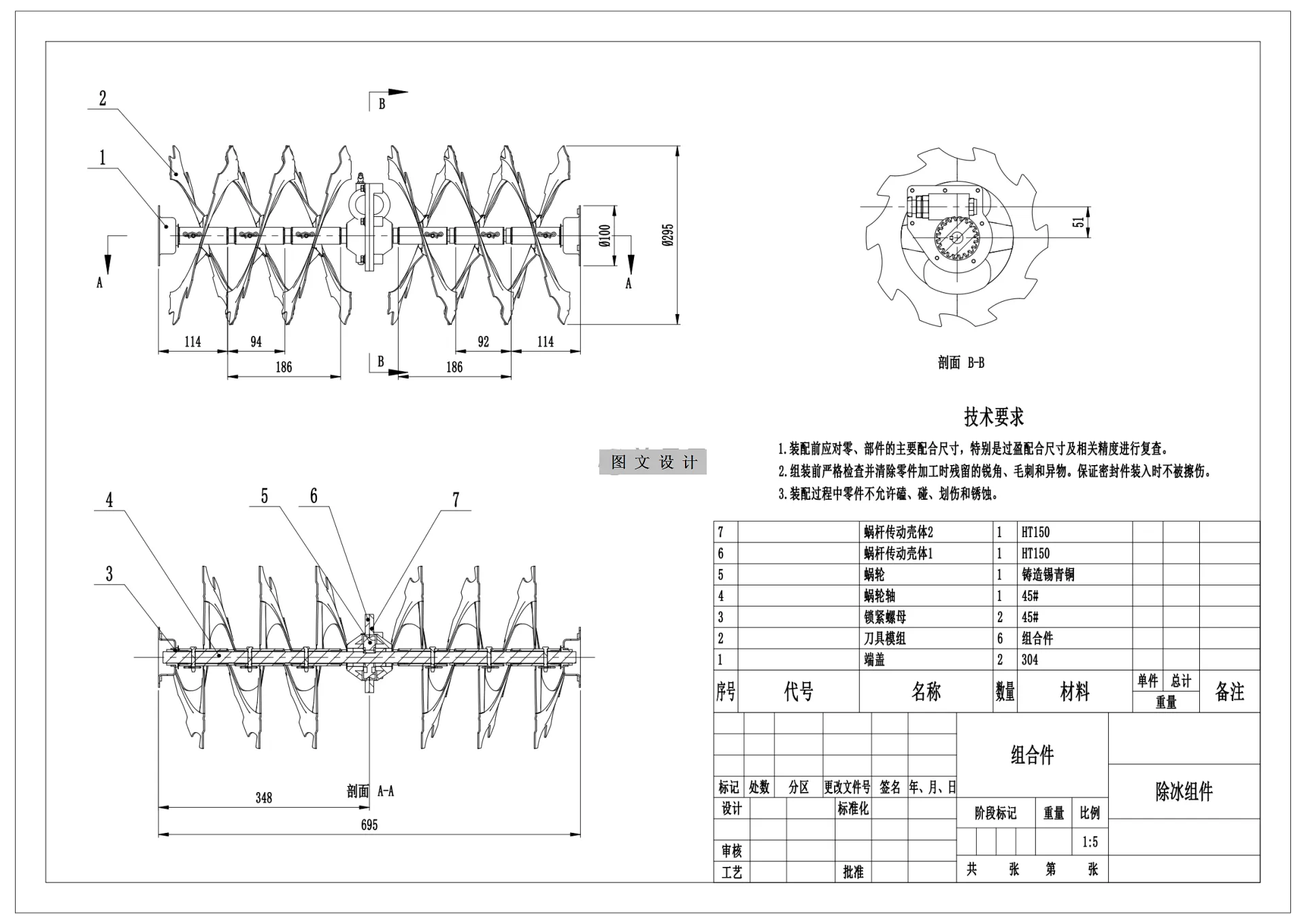
CAD版本图纸,共19张
摘要
每年入冬或者初春,路面经常受到薄冰的困扰,影响市民出行,清雪除冰机有着高效、经济、环保等重大优势,手扶式除冰机具有体积小,使用方便、应用广泛,自身适应性强,耐用,使用寿命长等诸多优点,提高了清雪除冰效率,保证了出行安全,随着经济日益增强、社会不断进步,清雪除冰设备也在国内外逐步推广使用。 本文设计以路面除冰装置为基础,设计成本更低、性能更好的新产品,通过查找资料,首先针对国内外技术发展情况进行综述,参考现有的自动除冰设备,完成了内部结构的详细设计,包括驱动组件、传动组件、机身组件及前置工作组件等,并通过Solidworks三维软件建立路面除冰装置的三维模型,按照机械制图国家标准绘制主要部件、零件的图纸,对相关机构进行进行计算、强度校核,从而优化结构。 路面除冰装置的结构设计不仅关乎工作性能和效率,更与家庭环境保护、资源利用以及智能化发展密切相关。通过优化设计,不仅能够满足日益增长的生活需求,还能在推动技术进步和提高作业安全性方面发挥重要作用,深入研究路面除冰装置的结构设计,不仅具有重要的理论意义,更具备广泛的应用价值和社会意义。
温馨提示:
1、题目前面的备注【字母数字编号】为本站整理分类的编号,与课题内容无关,请选题时忽视;
2、若题目上备注三维,则表示文件里包含三维源文件,由于三维组成零件数量较多,为保证预览截图的简洁性,本站将三维文件夹进行了打包。三维及CAD预览截图,均为本站电脑打开软件进行截图的,保证能够打开,下载原件超高清,下载后解压即可;
3、本站所有资源如无特殊说明,都需要本地电脑安装Office2007。图纸软件为AutoCAD,PROE,UG,SolidWorks,CATIA等;
4、本站所有图文资料仅供用户学习参考,不作为任何商用或其他用途;
5、本站不保证下载资源的准确性、安全性和完整性, 不包修改,不支持退换,同时也不承担用户因使用这些下载资源对自己和他人造成任何形式的伤害或损失;
6、 下载文件中如有侵权或不适当内容,请与我们联系,我们立即纠正。