

作品包括:
Word版说明书1份,共39页,约20000字
CAD版本图纸,共8张
摘要
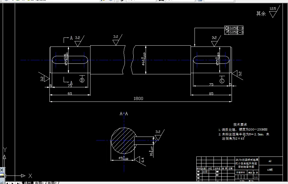
本文首先介绍了起重机的概念和分类,在国内外的发展概况,以及起重机的现代设计方法。接着对桥式起重机的特点、分类以及构造进行了详细的叙述。其中,本次设计的是桥式起重机小车的主起升机构,主起升机构的起重量大,是用以起吊重物的机构。它是桥式起重机的重要组成部分。本次设计的起升机构选用闭式的传动方案,在选用的半齿联轴器及带制动轮的半齿联轴器中用一根高速浮动轴联接,并且为了防止在运作中高速浮动轴突然断裂而制动不了卷筒,另外选用了制动器来制动卷筒;选择合适的减速器以及电动机等。
由于现代工业的迅速发展和国内外市场竞争的加剧,起重机在现代化生产过程中的应用越来越广,作用也越来越大,对起重机的要求也相应的越来越高了。因此起重机的设计方法需不断的充实、完善,使设计出的起重机更符合实际使用工况,更注重功能化、经济性和可靠性。
本次的毕业设计运用多种起重机的现代设计方法,特别是运用计算机辅助设计(CAD)的方法,在计算机上将桥式起重机起升机构的设计图纸CAD化,大大提高了设计的效率,节省时间。
关键词 桥式起重机;小车;起升机构;设计
目 录
1 绪论 1
1.1 概论 1
1.2 起重机的分类 1
1.3 国内外起重机的发展概况和发展动态 2
1.4 起重机的现代设计方法概述 3
2 桥式起重机 7
2.1 桥式起重机的特点 7
2.2 桥式起重机的分类 7
2.3 桥式起重机的构造 8
2.4 桥式起重机小车的特征 9
3 基本参数的确定 11
3.1 基本参数 11
3.2 桥式起重机主起升机构主要参数确定 12
4 起升机构的传动方案 13
4.1主起升机构传动方案的类型 13
4.2主起升机构传动方案的确定 17
5 起升机构主要零部件的计算 18
5.1 钢丝绳的选择 18
5.1.1钢丝绳所受最大静拉力的计算 18
5.1.2选择钢丝绳 19
5.2 滑轮、卷筒的计算 19
5.2.1滑轮、卷筒最小直径的确定 20
5.2.2卷筒长度和厚度的计算 20
5.2.3卷筒转速的计算 21
5.3 初选电动机 21
5.3.1起升机构静功率的计算 21
5.3.2初选电动机的功率 22
5.4 减速器的选择 22
5.4.1起升机构总传动比的计算 22
5.4.2减速器被动轴最大扭矩的计算 22
5.4.3减速器被动轴最大径向力的计算 23
5.4.4实际起升速度的验算 23
5.5 制动器的选择 23
5.5.1 制动器的类型 24
5.5.2 制动器的类型选择 24
5.5.3 常用制动块的比较 24
5.5.4 制动器的设计计算 24
5.6 联轴器的选择 25
5.7 制动器、电动机的验算 26
5.7.1制动器制动时间的验算 26
5.7.2电动机起动时间的验算 27
5.7.3电动机起动加速度的验算 27
5.7.4电动机可靠性的验算 27
5.7.5电动机发热的验算 28
5.8 高速浮动轴计算 28
5.8.1疲劳计算 28
5.8.2静强度计算 29
结论 31
致谢 32
参考文献 33
附录 34
温馨提示:
1、题目前面的备注【字母数字编号】为本站整理分类的编号,与课题内容无关,请选题时忽视;
2、若题目上备注三维,则表示文件里包含三维源文件,由于三维组成零件数量较多,为保证预览截图的简洁性,本站将三维文件夹进行了打包。三维及CAD预览截图,均为本站电脑打开软件进行截图的,保证能够打开,下载原件超高清,下载后解压即可;
3、本站所有资源如无特殊说明,都需要本地电脑安装Office2007。图纸软件为AutoCAD,PROE,UG,SolidWorks,CATIA等;
4、本站所有图文资料仅供用户学习参考,不作为任何商用或其他用途;
5、本站不保证下载资源的准确性、安全性和完整性, 不包修改,不支持退换,同时也不承担用户因使用这些下载资源对自己和他人造成任何形式的伤害或损失;
6、 下载文件中如有侵权或不适当内容,请与我们联系,我们立即纠正。