

作品包括:
Word版说明书1份,共19页,约7400字
PPT答辩一份
CAD版本图纸,共8张
SW三维图一套

摘要
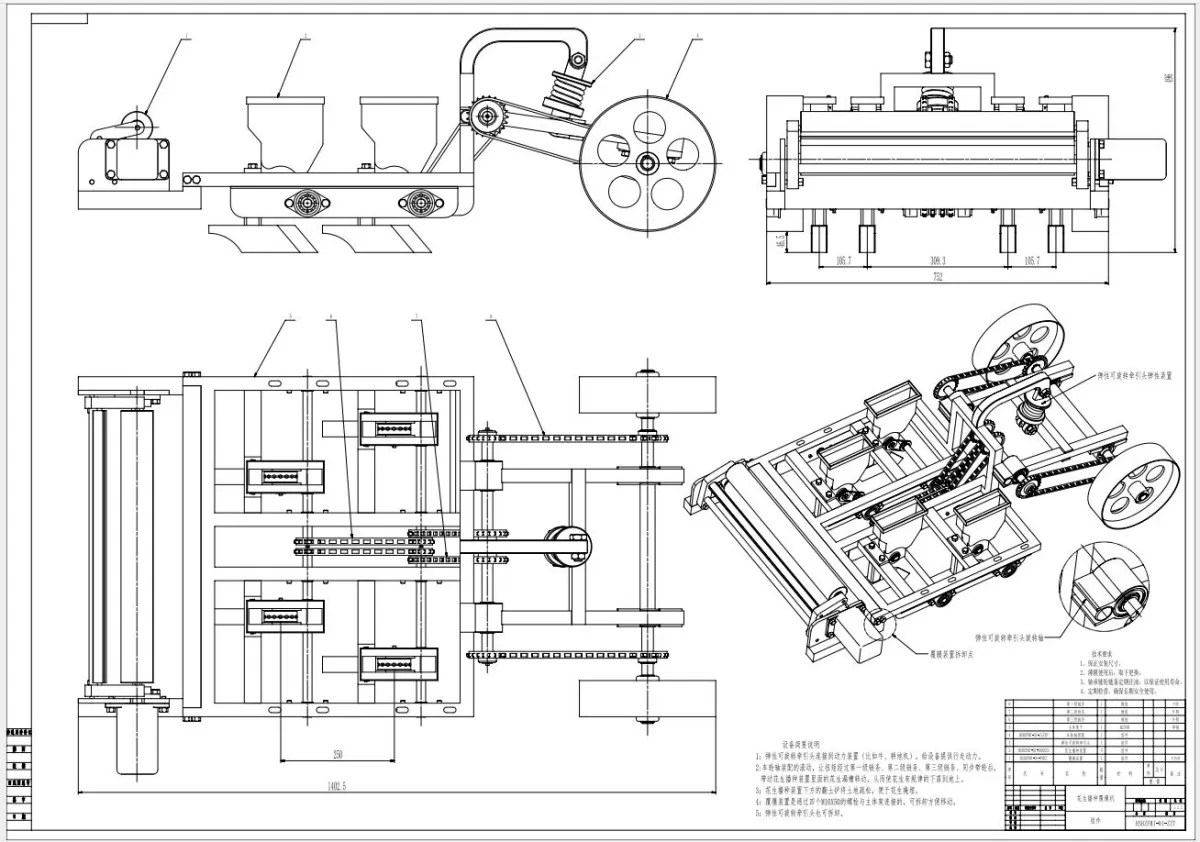
此次论文研究的内容是农业设备花生播种覆膜机。21世纪农业设备发展的很快,很多新的农业设备越来越自动化,古老的人工种植逐渐被高科技农业设备代替。其中一种不得不提的重要的农业设备便是播种机,在许许多多研究人员的努力下,播种机不断的进化升级,越来越好用便民,大大的提升了播种的工作效率和存活率。本篇论文主要是针对小颗粒种子(像花生般大小)播种与覆膜而设计的农业设备,因此就用花生播种来作为对象,其他小颗粒种子也可以用本设备。花生播种覆膜机的牵引动力源于拖拉机或者农业用车,保证了设备的工作平稳, 车轮轴装配的滚动,让扭矩经过第一级链条、第二级链条、第三级链条、同步带轮后,带动花生播种装置里面的花生漏槽转动,从而使花生有规律的下落到地上。花生播种装置下方的翻土铲将土地疏松,便于花生掩埋。该设备主要有弹性可旋转牵引机构,架子,链轮链条同步带传动机构,槽轮播种机构,以及翻铲覆土机构,可拆卸覆膜机构等组成,其中播种装置和覆膜装置是该设备的最重要装置。播种装置采用的是外槽轮式,花生漏槽转动时,使储存室里的花生有规律的下落到疏松好的下方地上。
关键词:播种机;花生播种装置;弹性可旋转牵引装置;覆膜装置;翻铲覆土
目 录
第1章 引言 2
1.1 研究的背景和意义 2
1.1.1 研究的背景 2
1.1.2 研究的目的 3
1.1.3 研究的内容 3
第二章 总体方案设计 4
2.1 播种覆膜机的类型 4
2.2 播种覆膜机的基本结构 4
2.3 花生播种覆膜机的总配置 6
2.3.1 花生播种装置的参数设计 6
2.3.2 其他参数设计 6
2.3.3 覆膜装置的设计 8
2.3.4 花生储存室的设计 8
第三章 传动设计 9
3.1 各级链轮链条的链数参数与传动比 9
3.2 本次计算的功率 10
3.3 链条的型号和节距选择 11
3.4 链节数和各级两链轮之间中心距 11
3.5 链速和确定润滑方式 12
3.6 计算压轴力FP 12
3.7 有关链轮的计算 12
第四章 结论 14
参考文献 15
致 谢 16
温馨提示:
1、题目前面的备注【字母数字编号】为本站整理分类的编号,与课题内容无关,请选题时忽视;
2、若题目上备注三维,则表示文件里包含三维源文件,由于三维组成零件数量较多,为保证预览截图的简洁性,本站将三维文件夹进行了打包。三维及CAD预览截图,均为本站电脑打开软件进行截图的,保证能够打开,下载原件超高清,下载后解压即可;
3、本站所有资源如无特殊说明,都需要本地电脑安装Office2007。图纸软件为AutoCAD,PROE,UG,SolidWorks,CATIA等;
4、本站所有图文资料仅供用户学习参考,不作为任何商用或其他用途;
5、本站不保证下载资源的准确性、安全性和完整性, 不包修改,不支持退换,同时也不承担用户因使用这些下载资源对自己和他人造成任何形式的伤害或损失;
6、 下载文件中如有侵权或不适当内容,请与我们联系,我们立即纠正。