

作品包括:
Word版设计说明书1份,共38页,约13000字
任务书一份
开题报告一份
外文翻译一份
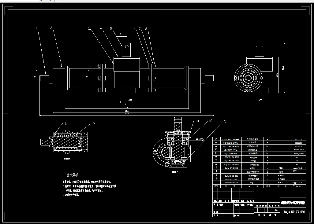
CAD版本图纸,共9张
Catia三维图一套

摘要
转向系统设计是巴哈赛车设计中的一个重要部分,车手通过转向系统来完成对赛车的大部分操控。巴哈大赛对赛车的操纵稳定性以及在复杂工况下的过弯能力都有较高的要求。为了使赛车具有良好的动态驾驶性能,设计一款满足轻量化,转向轻便且精确,符合一定人机工程学的巴哈赛车转向系统。
首先,为了保证赛车具有良好的机动性能,确定符合巴哈赛车的最小转弯半径,最大外轮转角以及转向系统传动比;其次,根据巴哈赛车所需转向关系以及实际转向内外轮转角关系确定转向梯形结构参数并验证其是否能够满足要求,利用前悬架参数采用三心定理确定转向梯形断开点确定转向传动杆系的空间布置,然后确定各结构件参数完成模型建立并装配;最后对转向系统关键零部件进行有限元分析。
研究结果表明:设计的转向系统能够达到预期的设计目标,校核结果与仿真分析数据基本一致,对今后巴哈赛车转向系统设计提供参考意义。
关键词:转向系统;转向梯形;巴哈赛车;
目录
第1章绪论 1
1.1 研究背景 1
1.2 巴哈转向系统研究现状 1
1.3本文的研究内容 1
第2章巴哈赛车转向系统概述 3
2.1巴哈赛车转向系统的组成及作用 3
2.2巴哈设计的设计要求 3
2.3本章小结 4
第3章巴哈赛车转向梯形设计 5
3.1转向系统最大转向角度的计算 5
3.1.1赛车的基本参数 5
3.1.2最大外侧车轮角度 5
3.2转向梯形的设计 6
3.2.1确定转向梯形类型 6
3.2.2经典阿克曼转向几何关系 7
3.2.3巴哈赛车的转向关系 7
3.2.4 实际的内外轮转角关系 8
3.2.5转向梯形参数与约束条件 9
3.2.6转向梯形与悬架系统的匹配设计 11
3.3.本章小结 12
第4章转向器设计 13
4.1转向器方案的选择 13
4.2转向力矩计算及传动比确定 13
4.2.1转向系角传动比 13
4.2.2转向系计算载荷 14
4.3齿轮齿条设计及强度计算 15
4.3.1齿轮的设计 15
4.3.2齿条的设计 15
4.3.3齿轮齿条材料选取及应力计算 17
4.4转向器壳体设计 20
4.5转向接头设计 20
4.6轴承及转向器润滑方式选择 21
4.6.1轴承选择 21
4.6.2转向器润滑方式 22
4.7本章小结 22
第5章转向传动及操纵构件设计 23
5.1转向操纵机构设计 23
5.1.1方向盘设计及其固定装置 23
5.1.2转向轴设计及空间布置 24
5.2转向传动机构设计 25
5.2.1转向梯形节臂设计及强度校核 25
5.2.1转向横拉杆设计 26
5.4本章小结 26
第6章转向系统关键零部件有限元分析 27
6.1转向节臂有限元分析 27
6.2齿轮轴有限元分析 28
6.3方向盘固定装置有限元分析 29
第七章结论与展望 30
参考文献 31
致谢 33
温馨提示:
1、题目前面的备注【字母数字编号】为本站整理分类的编号,与课题内容无关,请选题时忽视;
2、若题目上备注三维,则表示文件里包含三维源文件,由于三维组成零件数量较多,为保证预览截图的简洁性,本站将三维文件夹进行了打包。三维及CAD预览截图,均为本站电脑打开软件进行截图的,保证能够打开,下载原件超高清,下载后解压即可;
3、本站所有资源如无特殊说明,都需要本地电脑安装Office2007。图纸软件为AutoCAD,PROE,UG,SolidWorks,CATIA等;
4、本站所有图文资料仅供用户学习参考,不作为任何商用或其他用途;
5、本站不保证下载资源的准确性、安全性和完整性, 不包修改,不支持退换,同时也不承担用户因使用这些下载资源对自己和他人造成任何形式的伤害或损失;
6、 下载文件中如有侵权或不适当内容,请与我们联系,我们立即纠正。