

作品包括:
Word设计说明书1份
任务书一份
开题报告一份
外文翻译一份
CAD版本图纸,共10张

摘要
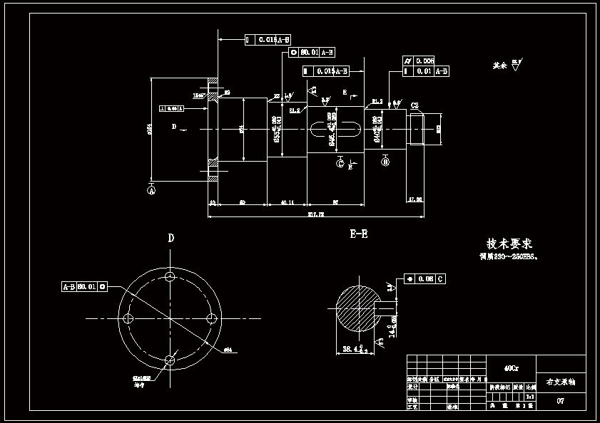
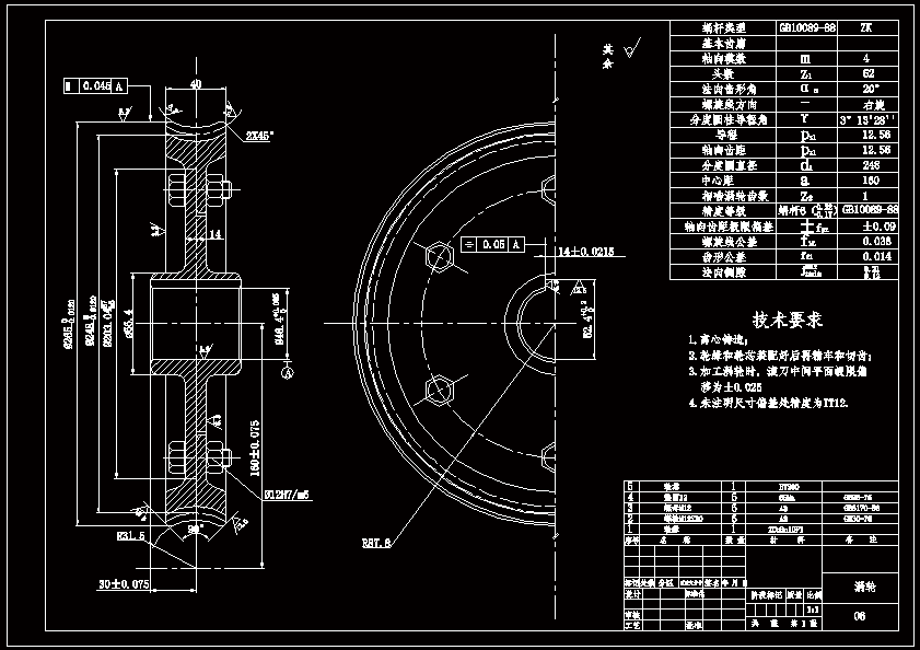
电火花线切割回转工作台设计 数控电火花线切割机床回转工作台的作用是实现电火花线切割机床对由直纹面组成或是曲面由直线形成的复杂曲面以及大锥度零件和模具的加工。 回转工作台由两部分组成,A轴转动是绕X轴回转的悬臂摆动工作台实现,B轴转动是由绕Y轴回转的摆动机构实现,悬臂工作台安装于B轴摆动机构的支架上,B轴摆动机构安装在现有机床的坐标工作台上,各部分的运动均有电机带动齿轮、涡轮蜗杆实现。通过A、B两轴的联动与现有XY坐标工作台的配合实现对复杂零件的加工。
温馨提示:
1、题目前面的备注【字母数字编号】为本站整理分类的编号,与课题内容无关,请选题时忽视;
2、若题目上备注三维,则表示文件里包含三维源文件,由于三维组成零件数量较多,为保证预览截图的简洁性,本站将三维文件夹进行了打包。三维及CAD预览截图,均为本站电脑打开软件进行截图的,保证能够打开,下载原件超高清,下载后解压即可;
3、本站所有资源如无特殊说明,都需要本地电脑安装Office2007。图纸软件为AutoCAD,PROE,UG,SolidWorks,CATIA等;
4、本站所有图文资料仅供用户学习参考,不作为任何商用或其他用途;
5、本站不保证下载资源的准确性、安全性和完整性, 不包修改,不支持退换,同时也不承担用户因使用这些下载资源对自己和他人造成任何形式的伤害或损失;
6、 下载文件中如有侵权或不适当内容,请与我们联系,我们立即纠正。