

作品包括:
Word设计说明书1份,共46页,约15000字
CAD版本图纸,共6张

摘要
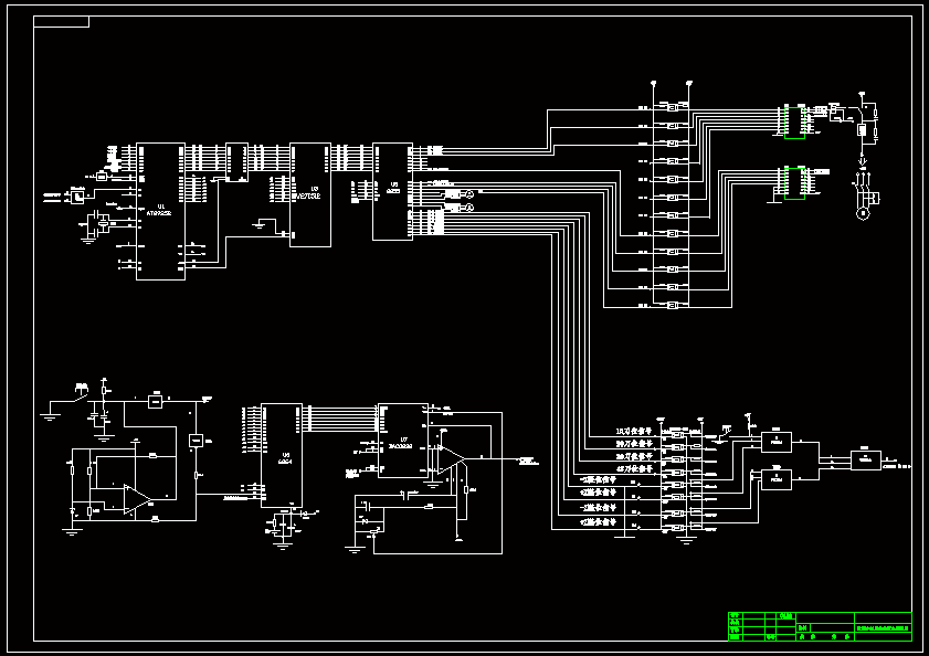
数控机床作为机电一体化的典型产品,在机械制造业中发挥着巨大的作用, 很好地解决了现代机械制造中结构复杂、精度高、批量小、多变零件的加工问题, 且能稳定产品质量,大幅度提高生产效率。但由于一台全功能的数控车床价格较贵,而且在许多具体应用场合其功能不能充分利用。我国作为机床大国,对C6140普通车床进行数控化改造,使之尽可能提高自动化程度, 保证加工质量,减轻劳动强度,提高经济效益, 是一条广泛推广数控技术的良好途径。本次设计是对C6140普通车床进行数控化改造,其现实意义在于如何寻找一种可行的、有推广价值的设备改造方法,对传统机械制造行业的技术装备进行技术提升。对C6140普通车床的数控化改造主要有两个方面的设计:机械改造和控制部分。机械部分的设计主要是对横向和纵向进给系统的改造,改造后的车床把车床的主运动和进给运动分离开来, 主电机的作用仅仅是带动工件旋转,而刀架的进给运动则是由步进电机直接带动车床的纵向和横向丝杠来实现。而控制部分主要是实现对机械部分的自动化控制,它包括纵向和横向的进给,螺纹加工,行程控制,键盘输入及数码管显示,光电隔离,功率放大,报警,急停,复位等。
温馨提示:
1、题目前面的备注【字母数字编号】为本站整理分类的编号,与课题内容无关,请选题时忽视;
2、若题目上备注三维,则表示文件里包含三维源文件,由于三维组成零件数量较多,为保证预览截图的简洁性,本站将三维文件夹进行了打包。三维及CAD预览截图,均为本站电脑打开软件进行截图的,保证能够打开,下载原件超高清,下载后解压即可;
3、本站所有资源如无特殊说明,都需要本地电脑安装Office2007。图纸软件为AutoCAD,PROE,UG,SolidWorks,CATIA等;
4、本站所有图文资料仅供用户学习参考,不作为任何商用或其他用途;
5、本站不保证下载资源的准确性、安全性和完整性, 不包修改,不支持退换,同时也不承担用户因使用这些下载资源对自己和他人造成任何形式的伤害或损失;
6、 下载文件中如有侵权或不适当内容,请与我们联系,我们立即纠正。