

作品包括:
Word版说明书1份,共40页,约15000字
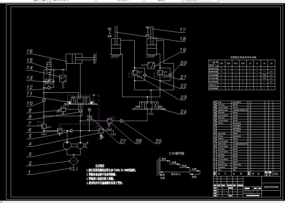
CAD版本图纸,共3张
摘要
液压系统是以电机提供动力为基础,使用液压泵将机械能转化为压力,推动液压油。通过控制各种阀门改变液压油的流向,从而推动液压缸做出不同行程、不同方向的动作。完成各种设备不同的动作需要。液压系统已经在各个工业部门及农林牧渔等许多部门得到愈来愈广泛的应用,而且愈先进的设备,其应用液压系统的部分就愈多。
本次设计的主要任务是设计一台卧式单面多轴钻孔组合机床的液压系统。其工作循环为:“定位—夹紧—快进—工进—快退—原位停止—拔销松开”
在介绍了液压的作用和对工况进行分析的基础上,设计出液压系统原理图、液压缸,并绘制液压缸组件装配图。根据液压系统原理设计液压系统的电气控制原理图 。最后撰写设计说明书,并对本次设计进行全面总结。
关键词:液压系统、卧式单面、多轴钻孔、组合机床、设计
目 录
摘要 I
ABSTRACT II
绪论 4
0.1机床的发展史 4
0.2 钻床的简介 5
0.3 液压传动的简介及优缺点 8
0.4 液压传动技术的发展趋势 9
0.5 课题设计的主要任务 11
0.6 课题研究的价值和目的 12
第1章 负载分析 13
1.1 原始数据的确定 13
1.2 原始数据分析 13
1.3 负载分析 14
1.4 工况分析 15
第2章 进给液压缸的设计和计算 17
2.1 液压缸的主要尺寸设计和计算 17
2.1.1 液压缸的内径和活塞杆的直径的确定 17
2.1.2 液压缸的长度L的确定: 17
2.1.3 液压缸壁厚 的确定 18
2.2 液压缸的校核 18
2.2.1 液压缸壁厚的校核 18
2.2.2 活塞杆的校核 18
第3章 夹紧和定位液压缸的设计和计算 20
3.1 夹紧缸内径和活塞杆直径的计算 20
3.2 夹紧缸的压力和流量的计算 20
3.3 定位缸的设计和计算 20
第4章 液压系统原理的设计 21
4.1 总体方案的设计 21
4.2 基本回路确定 21
4.2.1 供油回路的设计 21
4.2.2 调速回路的设计 21
4.2.3 速度换接回路的设计 21
4.2.4 快速运动和换向回路的设计 22
4.2.5 方向控制回路的设计 22
4.2.6 定位夹紧回路的设计 22
4.3 液压系统原理图的设计 23
第5章 液压元辅件计算、选择及验算 25
5.1 液压泵的计算和选用 25
5.2 电动机的选择 26
5.3 液压元件的选择 27
5.4 油管的选择 29
5.5 油箱容积的确定 29
5.6 验算液压系统性能 29
第6章 电气控制回路的设计 31
6.1 继电器-接触器控制线路的设计 31
6.2 电器元件的选择 32
结论 34
致谢 35
参考文献 36
温馨提示:
1、题目前面的备注【字母数字编号】为本站整理分类的编号,与课题内容无关,请选题时忽视;
2、若题目上备注三维,则表示文件里包含三维源文件,由于三维组成零件数量较多,为保证预览截图的简洁性,本站将三维文件夹进行了打包。三维及CAD预览截图,均为本站电脑打开软件进行截图的,保证能够打开,下载原件超高清,下载后解压即可;
3、本站所有资源如无特殊说明,都需要本地电脑安装Office2007。图纸软件为AutoCAD,PROE,UG,SolidWorks,CATIA等;
4、本站所有图文资料仅供用户学习参考,不作为任何商用或其他用途;
5、本站不保证下载资源的准确性、安全性和完整性, 不包修改,不支持退换,同时也不承担用户因使用这些下载资源对自己和他人造成任何形式的伤害或损失;
6、 下载文件中如有侵权或不适当内容,请与我们联系,我们立即纠正。