

作品包括:
Word版说明书1份,共40页,约9200字
CAD版本图纸,共3张
摘要
由于电力驱动液压技术优于传统广泛用于液压设备提供液压动力还强调了液压泵站的重要性。液压站的工作原理:电机驱动油泵,从油泵泵油后,预览,将机械能转化为液压油的压力能,液压油通过集成块(或阀)液压阀实现了方向、压力和流量调整外部管道传输到液压机械的油缸或油马达中,从而控制液体的动机的大小方向转换,速度力量和速度,推动各种液压机械工作完成。设计通过分析液压泵站的具体情况,确定液压泵站的总体方案设计,及液压系统液压泵站的设计。通过液压泵站的详细设计,使其满足用户的需求,同时与不同的压力和流量的液压设备提供液压动力。后初步设计确定了液压机,初步设计后确定了液压机,指的是制作公司三梁四柱式液压机液压系统以及参阅相关书籍对液压系统设计、液压系统的设计工作指导,并进行可行性分析,最后,整个设计系统分析,得出整个设计切实可行。
关键词: 液压元件; 液压站; 液压系统
目 录
第一章绪论 1
1.1 液压机的发展 1
1.2 液压机的工作原理 1
1.3 液压机的特点和用途及分类 2
第二章液压机的主要技术参数 4
2.1 YA32─100T液压机主要参数 4
2.2 100T液压机系统工况图 4
第三章液压基本回路以及控制阀 7
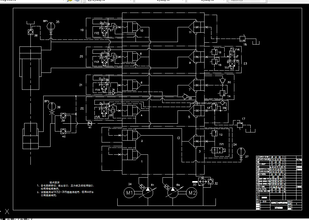
3.1 100T液压机液压系统图 7
3.2 100T液压机工作循环图 9
第四章液压工作介质 11
4.1 液压油的选择 11
第五章液压辅助件及液压泵站 12
5.1 管件 12
5.1.1 高压金属油管内径 12
5.1.2 高压金属油管壁厚 12
5.1.3 高压软管内径 12
5.1.4低压软管内径 13
5.2 密封件 13
5.2.1 主缸工作压力 14
5.2.2 作用面积 14
5.2.3 主缸工作单位压力 14
5.2.4 顶出缸工作压力 14
5.2.5 作用面积 15
5.2.6 主缸工作单位压力 15
5.3 油箱 15
5.3.1 平均功率损失 15
5.3.2 阀的功率损失 16
5.3.3 管路及其他功率损失 16
5.3.4 计算散热面积 16
5.3.5 根据液压系统最大工作容积 17
5.3.6 近似计算油箱散热面积 17
5.3.7 油箱中油液的冷却 18
5.4 过滤器 18
5.5 立柱导杆 19
5.6 液压缸顶出 20
5.6.1 材料 20
5.6.2 缸筒内径 21
5.6.3 液压缸的理论作用力F 22
5.6.4 缸筒壁厚 22
5.6.5 缸筒壁厚校核 23
5.6.6 缸筒的暴裂压力 24
5.6.7 缸筒底部厚度 24
5.6.8 缸筒端部法兰厚度 24
5.6.9 缸筒法兰连接螺栓 25
5.7 顶出缸活塞杆 25
5.7.1 材料 25
5.7.2 直径 26
5.7.3强度校核 26
5.8 顶出缸的总效率 27
5.8.1 机械效率 27
5.8.2 容积效率 27
5.8.3 反作用力效率 27
5.9 泵站的组成及工作过程 28
第六章液压系统的安装 30
6.1 液压元件的安装 33
总 结 34
致 谢 35
参考文献 36
温馨提示:
1、题目前面的备注【字母数字编号】为本站整理分类的编号,与课题内容无关,请选题时忽视;
2、若题目上备注三维,则表示文件里包含三维源文件,由于三维组成零件数量较多,为保证预览截图的简洁性,本站将三维文件夹进行了打包。三维及CAD预览截图,均为本站电脑打开软件进行截图的,保证能够打开,下载原件超高清,下载后解压即可;
3、本站所有资源如无特殊说明,都需要本地电脑安装Office2007。图纸软件为AutoCAD,PROE,UG,SolidWorks,CATIA等;
4、本站所有图文资料仅供用户学习参考,不作为任何商用或其他用途;
5、本站不保证下载资源的准确性、安全性和完整性, 不包修改,不支持退换,同时也不承担用户因使用这些下载资源对自己和他人造成任何形式的伤害或损失;
6、 下载文件中如有侵权或不适当内容,请与我们联系,我们立即纠正。