

作品包括:
Word版说明书1份,共47页,约15000字
外文翻译一份
CAD版本图纸,共5张
摘要
本设计是对寸草塔矿的初步设计所给定基本条件进行的矿井排水系统及排水设备选型设计。通过技术和经济性比较确定了矿井排水系统形式,进行了矿井排水设备选型设计计算,确定选用所选的离心式水泵。然后根据寸草塔矿井下涌水情况、井底车场布置情况,选择水泵、管路及管路附件等设备的类型和具体型号。进行管路布置、计算管路阻力损失、确定管路特性方程、确定水泵工况点。在进行排水设备选型计算的时候,通过分析原始资料,选取了可能适合矿井的不同水泵。通过对不同型号水泵工况点的计算比较,通过对经济流速、排水时间和吸水高度等的校验,排除不合适的水泵,选取一个相对来说符合要求的水泵以及管路。再根据水泵工况点参数,计算所需功率,选择配用电动机,计算经济指标费用。然后对对所选水泵进行介绍。最后设计水泵房、水仓,确定其各项基本参数,绘制水泵房布置图。
关键词:水泵;排水系统;管路;工况点
目录
1绪论 1
1.1 矿井概述 1
1.2设计的目的和意义 1
1.3 排水系统发展状况与所需解决的问题 2
1.3.1排水系统的现状 2
1.3.2排水系统需解决的问题 2
1.4 设计任务 3
2 寸草塔矿的排水设备选型设计 4
2.1 矿井设计原始资料 4
2.2 确定排水系统 4
2.2.1排水系统要求 4
2.2.2确定排水系统 5
2.3 水泵的选型 7
2.3.1 水泵必须排水能力计算 7
2.3.2 估算水泵扬程 8
2.3.4 排水设备初选 8
2.3.5 水泵台数 8
2.4 管路选择 11
2.4.1选择管材 11
2.4.2 确定管径 11
2.4.3 计算管壁厚度 12
2.4.4 吸水管的内径计算 13
2.4.5 估算管子的长度 14
2.5 计算工况点 15
2.5.1水泵工况点的概念及调节方法 15
2.5.2 计算管路特性 15
2.5.3 管路的阻力系数 18
2.5.4 确定工况 18
2.6 水泵装置效率的计算 22
2.7 排水时间校验 23
2.8 经济性校核 24
2.9 稳定性校核 24
2.11 吸水高度的校核 25
2.12 电动机功率 25
2.13 经济指标计算 26
2.13.1 电费 26
2.13.2 年折旧费 27
2.13.3 年工资费 28
2.13.4 维修费 28
2.13.5 其他费用 28
2.13.6 年排水费 29
2.13.7 年排水费用指标 29
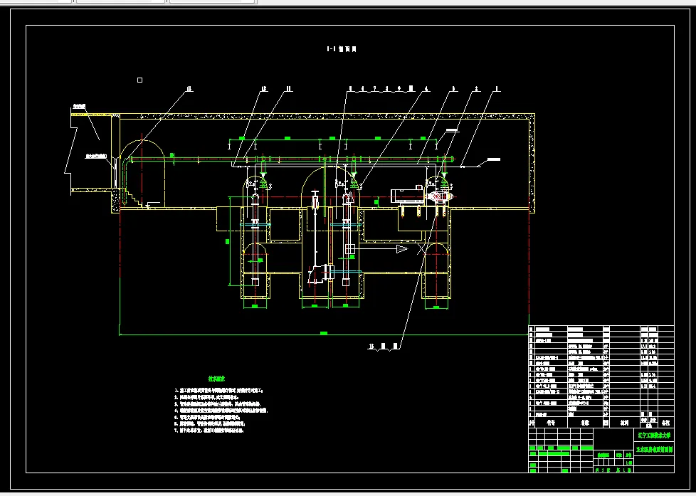
3 水泵房、水仓的确定 30
3.1水泵房简介 30
3.2 计算泵房 30
3.3 水仓、吸水井的计算 32
3.3.1 吸水井尺寸 32
3.3.2 分水沟和水仓接口高度计算 32
3.4 计算水仓 33
3.5 起重梁 34
3.6 管子道和管子间 34
3.6.1管子道的布置 34
3.6.2井筒内管路的布置 34
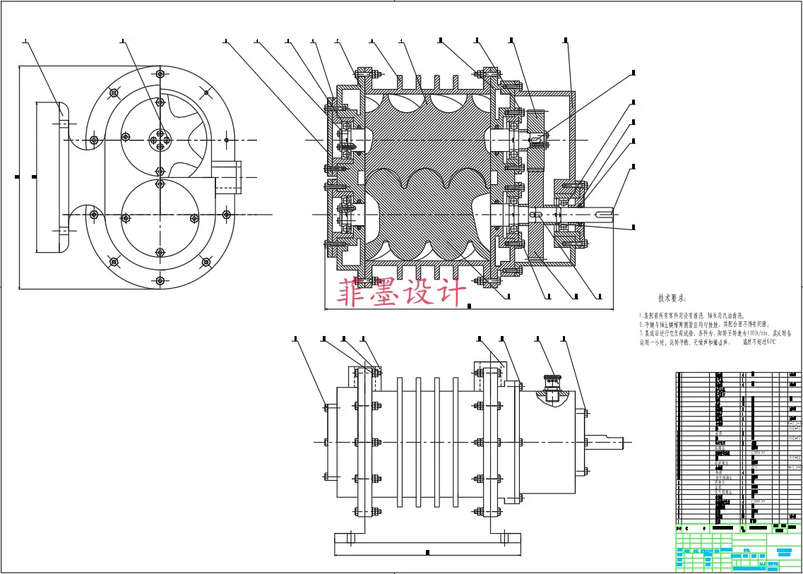
4 MD280-43 9型水泵概述 35
4.1型号意义 35
4.2运行条件及寿命 35
4.3结构特点 35
4.4 水泵的空蚀现象 36
4.4.1空蚀的概念 36
4.4.2空蚀的危害 36
4.5故障分析和排除 37
4.6安装要求 38
结论 39
致谢 40
参考文献 41
附录A 42
附录B 48
温馨提示:
1、题目前面的备注【字母数字编号】为本站整理分类的编号,与课题内容无关,请选题时忽视;
2、若题目上备注三维,则表示文件里包含三维源文件,由于三维组成零件数量较多,为保证预览截图的简洁性,本站将三维文件夹进行了打包。三维及CAD预览截图,均为本站电脑打开软件进行截图的,保证能够打开,下载原件超高清,下载后解压即可;
3、本站所有资源如无特殊说明,都需要本地电脑安装Office2007。图纸软件为AutoCAD,PROE,UG,SolidWorks,CATIA等;
4、本站所有图文资料仅供用户学习参考,不作为任何商用或其他用途;
5、本站不保证下载资源的准确性、安全性和完整性, 不包修改,不支持退换,同时也不承担用户因使用这些下载资源对自己和他人造成任何形式的伤害或损失;
6、 下载文件中如有侵权或不适当内容,请与我们联系,我们立即纠正。