

作品包括:
Word版说明书1份,共28页,约10000字
外文翻译一份
CAD版本图纸,共5张
摘 要
本设计是关于单面两轴专用铣床,设计内容包括:移动工作台图纸绘制,轴、齿轮的设计计算,卡具体右支架图的绘制。其中涉及到机械制造及自动化专业的各科专业课程,包机械原理、机械设计、机械制造工艺学、材料力学、理论力学等。设计内容以齿轮的设计计算、轴的设计计算为主。该设计涉及了与专业结核性较强的课题。铣床设计是一个综合机械生产全面性课题,它培养了自己的自学能力、综合能力,适应了未来社会的需要与科学技术的发展需要。
关键词:铣床 机械设计 齿轮 轴 支架
绪论 1
第1章 移动工作台总体概述 2
1.1移动工作台示意图 2
1.2 工作原理及其重要部件 2
1.3 几个关键元件的结构与作用 3
第2章 齿轮7、齿轮8的设计计算 9
2.1 选择齿轮材料、热处理、齿面硬度、精度等级及齿数 9
2.2按齿面接触疲劳强度设计 9
2.4 几何尺寸计算 13
2.5 结构设计 14
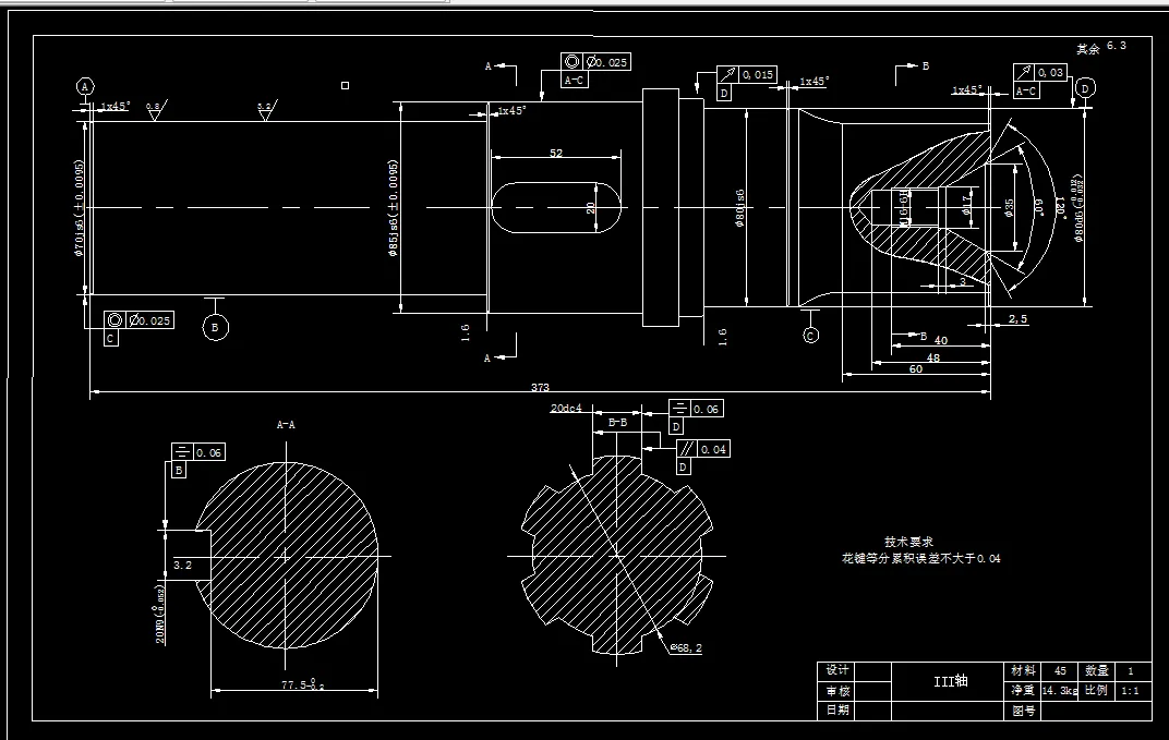
第3章 轴3的结构设计与计算 15
3.1初步估算轴的最小直径 15
3.2轴的结构设计 15
3.3 轴的受力分析以及轴的校核 16
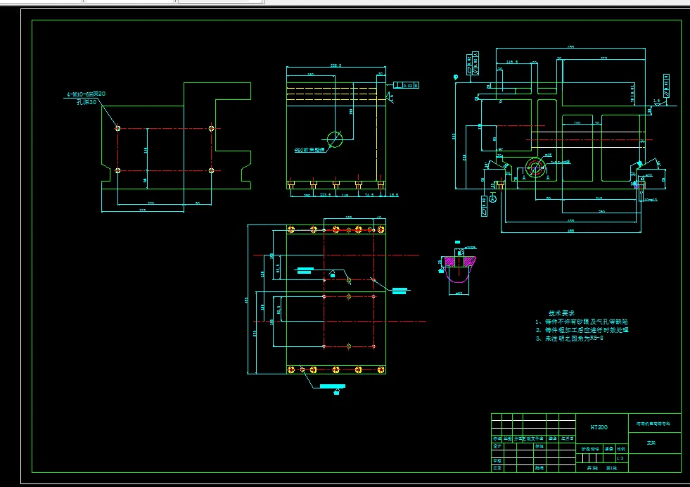
第4章 卡具体右支架的设计 20
4.1 卡具概述 20
4.2 卡具的分类 21
4.3 卡具的设计特点及要求 21
4.4 卡具体右支架的设计 22
结 论 24
致 谢 25
参 考 文 献 26
温馨提示:
1、题目前面的备注【字母数字编号】为本站整理分类的编号,与课题内容无关,请选题时忽视;
2、若题目上备注三维,则表示文件里包含三维源文件,由于三维组成零件数量较多,为保证预览截图的简洁性,本站将三维文件夹进行了打包。三维及CAD预览截图,均为本站电脑打开软件进行截图的,保证能够打开,下载原件超高清,下载后解压即可;
3、本站所有资源如无特殊说明,都需要本地电脑安装Office2007。图纸软件为AutoCAD,PROE,UG,SolidWorks,CATIA等;
4、本站所有图文资料仅供用户学习参考,不作为任何商用或其他用途;
5、本站不保证下载资源的准确性、安全性和完整性, 不包修改,不支持退换,同时也不承担用户因使用这些下载资源对自己和他人造成任何形式的伤害或损失;
6、 下载文件中如有侵权或不适当内容,请与我们联系,我们立即纠正。