

作品包括:
word版设计说明书一份,40页,约12000字
CAD版本图纸,共6张
solidworks (三维图71张)
动画仿真四套
目录
摘要 1
第一章 机械手设计任务书 1
1.1毕业设计目的 1
1.2本课题的内容和要求 2
第二章 抓取机构设计 4
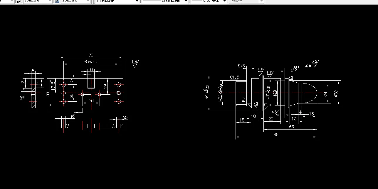
2.1手部设计计算 4
2.2腕部设计计算 7
2.3臂伸缩机构设计 8
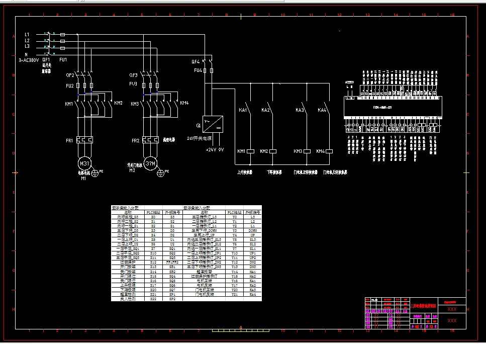
第三章 液压系统原理设计及草图 11
3.1手部抓取缸 11
3.2腕部摆动液压回路 12
3.3小臂伸缩缸液压回路 13
3.4总体系统图 14
第四章 机身机座的结构设计 15
4.1电机的选择 16
4.2减速器的选择 17
4.3螺柱的设计与校核 17
第五章 机械手的定位与平稳性 19
5.1常用的定位方式 19
5.2影响平稳性和定位精度的因素 19
5.3机械手运动的缓冲装置 20
第六章 机械手的控制 21
第七章 机械手的组成与分类 22
7.1机械手组成 22
7.2机械手分类 24
第八章 机械手Solidworks三维造型 25
8.1上手爪造型 26
8.2螺栓的绘制 30
毕业设计感想 35
参考资料 36
送料机械手设计及Solidworks运动仿真
摘要
本课题是为普通车床配套而设计的上料机械手。工业机械手是工业生产的必然产物,它是一种模仿人体上肢的部分功能,按照预定要求输送工件或握持工具进行操作的自动化技术设备,对实现工业生产自动化,推动工业生产的进一步发展起着重要作用。因而具有强大的生命力受到人们的广泛重视和欢迎。实践证明,工业机械手可以代替人手的繁重劳动,显著减轻工人的劳动强度,改善劳动条件,提高劳动生产率和自动化水平。工业生产中经常出现的笨重工件的搬运和长期频繁、单调的操作,采用机械手是有效的。此外,它能在高温、低温、深水、宇宙、放射性和其他有毒、污染环境条件下进行操作,更显示其优越性,有着广阔的发展前途。
本课题通过应用AutoCAD 技术对机械手进行结构设计和液压传动原理设计,运用Solidworks技术对上料机械手进行三维实体造型,并进行了运动仿真,使其能将基本的运动更具体的展现在人们面前。它能实行自动上料运动;在安装工件时,将工件送入卡盘中的夹紧运动等。上料机械手的运动速度是按着满足生产率的要求来设定。
关键字 机械手,AutoCAD,Solidworks 。
温馨提示:
1、题目前面的备注【字母数字编号】为本站整理分类的编号,与课题内容无关,请选题时忽视;
2、若题目上备注三维,则表示文件里包含三维源文件,由于三维组成零件数量较多,为保证预览截图的简洁性,本站将三维文件夹进行了打包。三维及CAD预览截图,均为本站电脑打开软件进行截图的,保证能够打开,下载原件超高清,下载后解压即可;
3、本站所有资源如无特殊说明,都需要本地电脑安装Office2007。图纸软件为AutoCAD,PROE,UG,SolidWorks,CATIA等;
4、本站所有图文资料仅供用户学习参考,不作为任何商用或其他用途;
5、本站不保证下载资源的准确性、安全性和完整性, 不包修改,不支持退换,同时也不承担用户因使用这些下载资源对自己和他人造成任何形式的伤害或损失;
6、 下载文件中如有侵权或不适当内容,请与我们联系,我们立即纠正。