S385-固定夹冲压弯曲模具设计[含SW三维图]
S378-八孔肥皂盒底壳注射模具设计
S376-汽车用保险板连接件注塑工艺分析与模具设计
S375-汽车前照灯齿轮轴注塑工艺分析及模具设计改进
S374-调节阀用压盖冲压工艺与模具设计
S373-N5汽车前门后视镜支承板级进模设计
S367-咖啡杯盖注塑模具设计
S365-弹簧片冲压工艺分析与成形模具设计
S352-订书机外壳注射模设计[含Proe三维图]
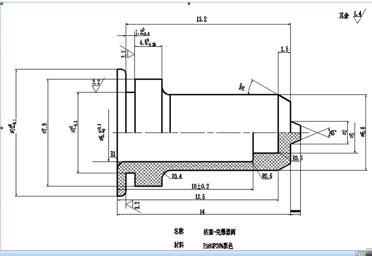
S351-活塞完爆器阀注射模设计
S350-传感器杠杆注塑模具设计[含Proe三维图]
S348-电容器外壳注射模设计[含UG三维图]
S341-空心球柄的塑件注射模具设计
S339-带螺纹旋转盖的注塑模具设计[含UG三维图]
S338-帽罩形弯曲件落料冲孔复合模设计
S337-塑料顶盖注射模具设计[含UG三维图]
S331-中轴碗冲压成形工艺与模具设计
S325-水泵叶轮冲压工艺与模具设计
S302-中型垫片冷冲模设计-孔距100
S295-车模座椅模具设计[含UG三维图]