S291-发电机转子磁轭冲片冲压成形工艺与模具设计
S278-灭火器筒座注射模设计
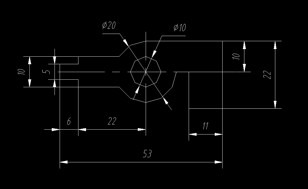
S269-U形卡槽的冲压工艺及模具设计
S223-撑托板冲压工艺及模具设计-级进模
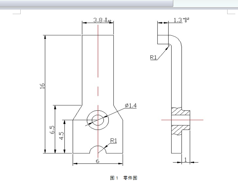
S222-止动件冲压成形工艺与模具设计
S221-直三通管的注塑成型工艺及模具设计
S220-电源盒注射模设计及动模板加工工艺规程的制定
S219-线轮注塑模具设计
S218-筒形件的冲压工艺及模具设计-长73
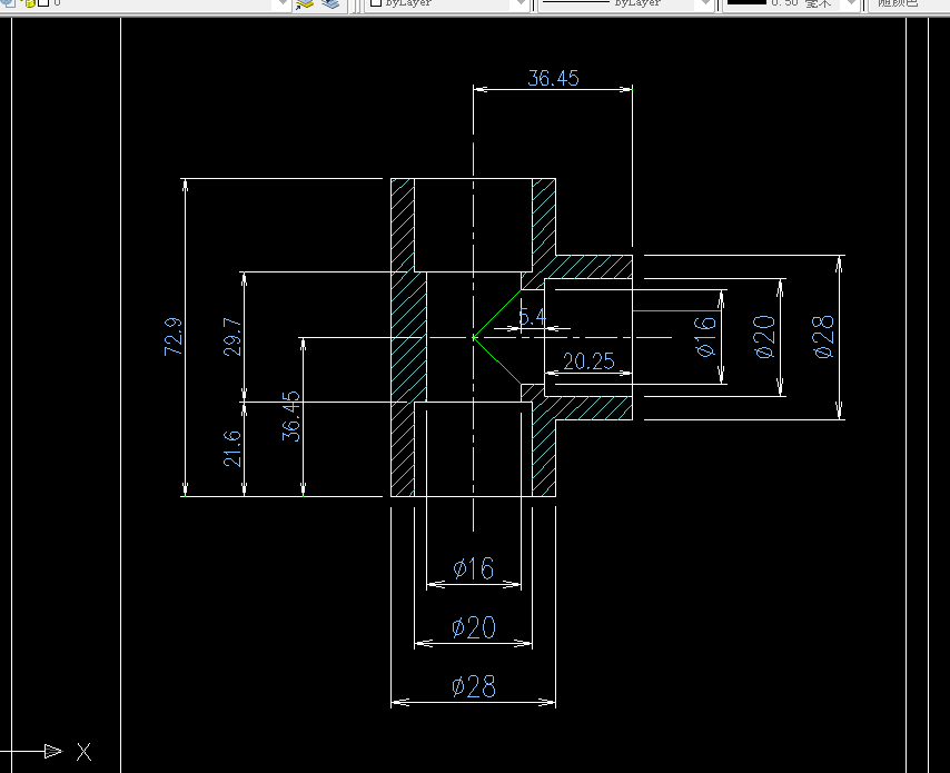
S217-衬套的冲压工艺及模具设计
S214-仪表指针复合模具设计
S204-烟灰缸盖的冲压工艺及模具设计
S203-电动式无针注射器改进设计
S202-分线盒注塑模具设计及成型流动分析
S198-通风盖冲压加工工艺规程及模具设计
S197-筒盖冲压加工工艺规程及模具设计
S196-H型铰链冲压工艺规程及模具设计
S140-对讲机后盖注塑模具设计
R957-菱形垫片冲压模具设计-长62
R956-φ20x5花朵盖注塑模具设计