

作品包括:
设计说明书一份,共29页,约13000字
任务书一份
外文翻译一份
开题报告一份
CAD版本图纸,共10张
摘要:冲压生产靠模具与设备完成加工过程,所以它的生产率高,而且由于操作简便,也便于实现机械化和自动化。
冲压产品的尺寸精度是由模具保证的,所以质量稳定,一般不需再经过机械加工便可使用。
冲压加工一般不需要加热毛坯,也不像切割加工那样大量切削材料,所以它不但节能,而且节约材料。冲压产品的表面质量较好,使用的原材料是冶金工厂大量生产的轧制板料或带料,在冲压过程中材料表面不受破坏。
因此,冲压工艺是一种产品质量较好而且成本低的加工工艺。用它生产的产品一般还具有重量轻且刚性好的特点。
关键词:冲压模具 冲压工艺 模具设计
目 录
1 绪论 2
1.1 模具工业在国内的发展状况及趋势 2
1.2国外模具工业的发展情况 7
1.3课题研究的内容 8
2 制件的工艺分析 9
2.1冲压件零件图 9
2.1.1 材料的性能 9
2.1.2零件的精度分析 10
2.2成型工艺分析 10
2.3冲裁工艺方案的确定 10
2.4主要工艺参数计算 12
2.4.1确定排样方案和计算材料利用率 12
2.5计算各工序冲压力和选择冲压设备 14
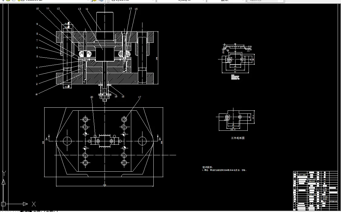
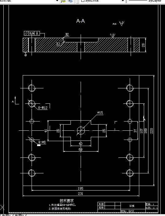
3.落料冲孔模具的结构设计 18
3.1凸、凹模刃口尺寸的计算 18
3.1.1落料时凸、凹模刃口尺寸的计算 18
3.1.2冲孔时凸、凹模刃口尺寸的计算 19
3.2选用模架、确定闭合高度及总体尺寸 20
3.3模具各零部件的设计与计算 21
3.3.1凸模设计 21
3.3.2凸模固定板的设计 21
3.3.3垫板的设计 21
3.3.4定位零件的设计 21
3.3.5连接件与紧固件的选取 22
3.3.6下模板的确定 22
3.4模具材料的选用 22
3.5模具的装配图 24
总 结 25
参考文献 26
致 谢 27
温馨提示:
1、题目前面的备注【字母数字编号】为本站整理分类的编号,与课题内容无关,请选题时忽视;
2、若题目上备注三维,则表示文件里包含三维源文件,由于三维组成零件数量较多,为保证预览截图的简洁性,本站将三维文件夹进行了打包。三维及CAD预览截图,均为本站电脑打开软件进行截图的,保证能够打开,下载原件超高清,下载后解压即可;
3、本站所有资源如无特殊说明,都需要本地电脑安装Office2007。图纸软件为AutoCAD,PROE,UG,SolidWorks,CATIA等;
4、本站所有图文资料仅供用户学习参考,不作为任何商用或其他用途;
5、本站不保证下载资源的准确性、安全性和完整性, 不包修改,不支持退换,同时也不承担用户因使用这些下载资源对自己和他人造成任何形式的伤害或损失;
6、 下载文件中如有侵权或不适当内容,请与我们联系,我们立即纠正。