

作品包括:
设计说明书一份,共26页,约10000字
任务书一份
外文翻译一份
开题报告一份
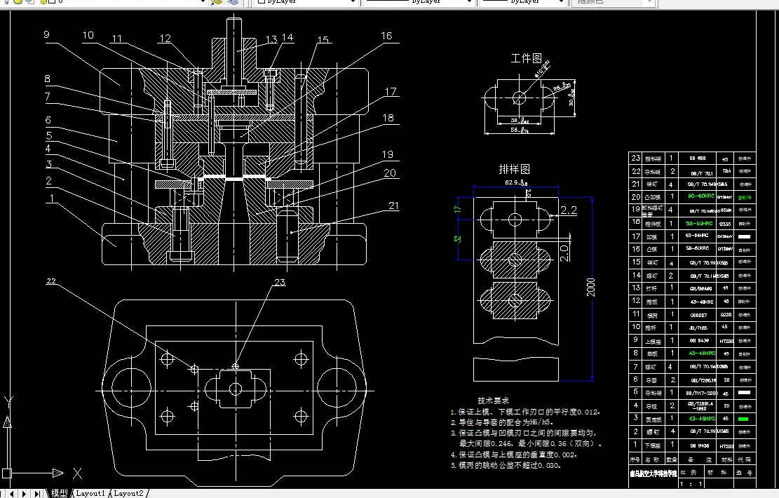
CAD版本图纸,共9张
托板冲压模具设计
摘要:冲压模具在实际工业生产中应用广泛。在传统的工业生产中,工人生产的劳动强度大、劳动量大,严重影响生产效率的提高。随着当今科技的发展, 工业生产中模具的使用已经越来越引起人们的重视,而被大量应用到工业生产中来。冲压模具的自动送料技术也投入到实际的生产中,冲压模具可以大大的提高劳动生产效率,减轻工人负担,具有重要的技术进步意义和经济价值。
本文提出采用模具来生产冲压件的新工艺,并针对某规格夹具冲压件设计了复合模。该模具设计的难点主要是如何解决好零件中的孔冲裁、确定模具结构、如何进行模具的制造及冲裁方案选定等。本文结合冲压件的特点,具体解决了压力机的选择与校核、凸模和凹模刃口尺寸计算及结构设计、定位方案设计、卸料方式的设计、主要模具零件的加工工艺、标准零件的选用、模具的装配等一系列的设计工作,这些设计可为类似的零件模具设计提供现实的指导意义。此次模具设计的突出特点是尝试使用复杂的复合模具,解决常规冲压工艺模具套数多、工艺路线长、生产成本高、效率低等缺点,并为以后此类零件冲压工艺的编制及模具设计提供了可靠的依据。
本文介绍的模具实例结构简单实用,使用方便可靠,对类似工件的大批量生产具有一定的参考作用。
关键词: 冲模;复合模;冲裁力;冲裁间隙
目录
1 绪论1
1.1 模具行业1
1.2 国内外模具发展状况及趋势1
1.3 本次设计的主要方向、内容及目的2
2 冲裁件的工艺分析3
2.1 冲裁件的材料及结构的工艺性3
2.2 批量生产3
2.3 冲压件工艺分析4
2.4 冲裁件工艺设计4
3 冲压设计4
3.1 计算搭边值4
3.2 条料宽度4
3. 3 排样图5
3.4 冲裁力的计算5
3.6 压力机吨位的选用6
4 冲裁模具相关参数计算6
4.1 计算6
4.2 经验确定一些经验6
5 冲裁模刃口的计算7
5.1 确定模具磨损系数7
5.2 凸凹模的加工7
6 其余模具标准零件8
6.1 固定挡料销及导料销8
6.2 推杆9
6.3 防转销9
6.4 圆柱销10
6.5 卸料螺钉11
6.6 内六角圆柱头螺钉11
6.7 模柄12
6.8 卸料弹簧13
6.9 导柱导套14
6.10 模座14
7 模具装配与调试15
7.1 模具装配特点15
7.2 装配技术要求15
7.3 装配过程16
7.3.1 常用的装模工具16
7.3.2 模具的装配16
7.4 装模与试模17
7.4.1 模具的安装17
7.5 检验和验收技术条件20
7.6 使用规定20
7.7 冲模设计的审核项目21
结论24
参 考 文 献25
致谢26
温馨提示:
1、题目前面的备注【字母数字编号】为本站整理分类的编号,与课题内容无关,请选题时忽视;
2、若题目上备注三维,则表示文件里包含三维源文件,由于三维组成零件数量较多,为保证预览截图的简洁性,本站将三维文件夹进行了打包。三维及CAD预览截图,均为本站电脑打开软件进行截图的,保证能够打开,下载原件超高清,下载后解压即可;
3、本站所有资源如无特殊说明,都需要本地电脑安装Office2007。图纸软件为AutoCAD,PROE,UG,SolidWorks,CATIA等;
4、本站所有图文资料仅供用户学习参考,不作为任何商用或其他用途;
5、本站不保证下载资源的准确性、安全性和完整性, 不包修改,不支持退换,同时也不承担用户因使用这些下载资源对自己和他人造成任何形式的伤害或损失;
6、 下载文件中如有侵权或不适当内容,请与我们联系,我们立即纠正。