

作品包括:
Word版说明书1份,共38页,约16000字
CAD版本图纸,共17张
UG三维图一份


摘要
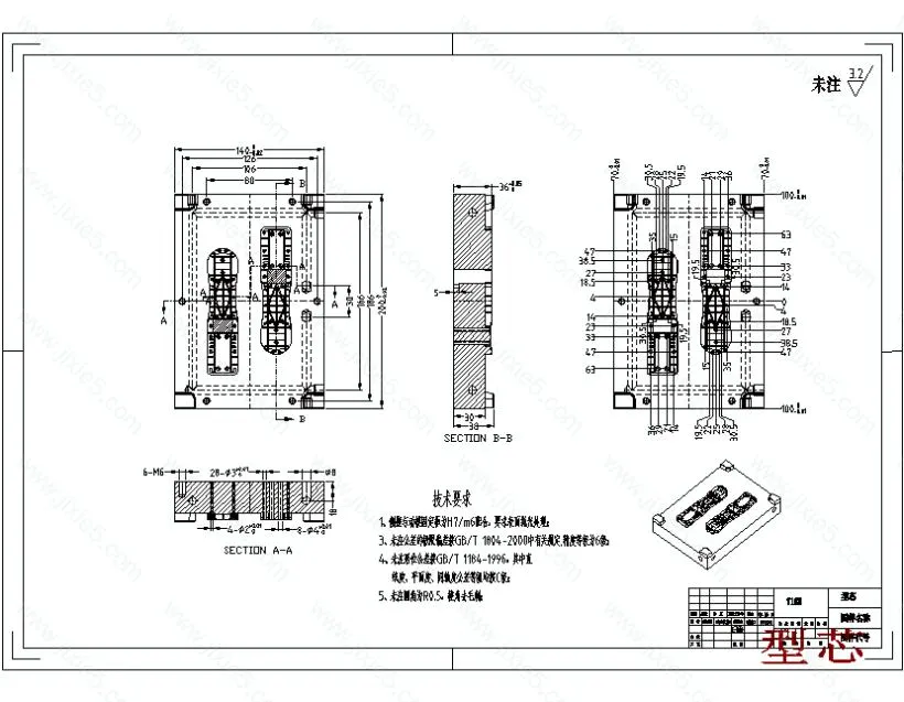
根据塑料订书机底座制品的要求,了解塑件的用途,分析塑件的工艺性、尺寸精度等技术要求,考量塑件制件尺寸。本模具采用一模两腔,点浇口进料,注射机采用海天HTF80XB型号,设置冷却系统,CAD和UG绘制二维总装图和零件图,选择模具合理的加工方法。附上说明书,系统地运用简要的文字,简明的示意图和和计算等分析塑件,从而作出合理的注塑模具设计。
关键词:订书机底座;一模两腔;点浇口;注射机;冷却系统;注塑模具
目录
摘要I
Abstract i
第1章绪论4
1.1塑料简介4
1.2注塑成型及注塑模4
第2章塑件分析7
2.1塑件图7
2.2塑件的材料分析7
2.2.1塑料材料的基本特性7
2.2.2塑件材料成型性能8
2.2.3塑件材料主要用途8
2.3塑件的结构和尺寸精度表面质量分析8
2.3.1塑件的结构设计8
2.3.2塑件尺寸及精度10
2.3.3塑件表面粗糙度10
2.4计算塑件的体积、质量10
第3章塑件成型方案设计11
3.1分型面选择11
3.2型腔数的确定11
3.3型腔布局12
3.4浇注系统的类型和位置的选择12
3.4.1浇注系统组成12
3.4.2确定浇注系统的原则13
3.5成型零件结构设计13
3.5.1型腔设计14
3.5.2型芯设计14
3.6侧向抽芯机构类型选择与设计15
3.7脱模机构的设计16
3.7.1脱模机构的选择16
3.7.2推杆推出机构设计16
3.8导向与定位机构设计17
3.9排气及引气系统的设计18
3.10模温调节系统的设计19
温度调节对塑件质量的影响19
3.11模架选用20
3.11.1确定模具的基本类型20
3.11.2模架的选择20
第4章模具零件设计22
4.1模具成型零件尺寸计算22
4.1.1凹模宽度尺寸的计算22
4.1.2凹模长度尺寸的计算23
4.1.3凹模高度尺寸的计算23
4.1.4凸模宽度尺寸的计算23
4.1.5凸模长度的计算23
4.1.6凸模高度尺寸的计算24
4.2模具强度与刚度校核24
4.3脱模力的计算24
4.4浇注系统的设计25
4.4.1主流道的设计25
4.4.2分主流道的设计26
4.4.3浇口的设计26
4.4.4拉料杆的设计27
4.4.5冷料井的设计27
4.5模具冷却系统的设计27
第5章注射机的选用及相关参数的校核29
注射成型工艺过程分析29
5.1相关参数30
5.2最大注塑量校核31
5.3锁模力校核32
5.4模具与注塑机安装部分相关尺寸校核32
5.5开模行程校核33
第6章模具结构总图34
总结35
致谢36
参考文献37
温馨提示:
1、题目前面的备注【字母数字编号】为本站整理分类的编号,与课题内容无关,请选题时忽视;
2、若题目上备注三维,则表示文件里包含三维源文件,由于三维组成零件数量较多,为保证预览截图的简洁性,本站将三维文件夹进行了打包。三维及CAD预览截图,均为本站电脑打开软件进行截图的,保证能够打开,下载原件超高清,下载后解压即可;
3、本站所有资源如无特殊说明,都需要本地电脑安装Office2007。图纸软件为AutoCAD,PROE,UG,SolidWorks,CATIA等;
4、本站所有图文资料仅供用户学习参考,不作为任何商用或其他用途;
5、本站不保证下载资源的准确性、安全性和完整性, 不包修改,不支持退换,同时也不承担用户因使用这些下载资源对自己和他人造成任何形式的伤害或损失;
6、 下载文件中如有侵权或不适当内容,请与我们联系,我们立即纠正。