

作品包括:
Word版说明书1份,共36页,约11000字
PPT答辩一份
外文翻译一份
CAD版本图纸,共18张
Proe三维图一套

摘要
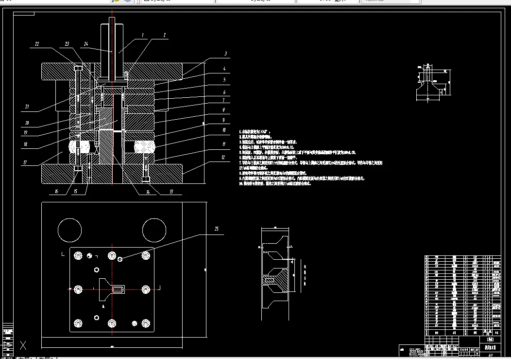
先分析零件的冲压工艺;确定模具的总体结构;结合零件的冲压工艺及模具的总体结构设计排样图;根据排样图,计算利用率、冲载力、压力、选用设备及刃口的尺寸。根据资料再用PRO/E,对模具进行设计,然后将三维图转成二维的装配图和零件图进行标注,并编制零件的加工工艺卡。
目录
摘要2
Abstract 2
第1章绪论3
第2章设计任务书及产品图8
第3章零件的工艺分析10
第4章冲压工艺方安的制定11
第5章模具结构形式的论证和确定11
第6章胚料形状和尺寸的确定11
6.1毛胚尺寸的计算11
6.2条料宽度的确定: 12
6.3毛胚排样图13
第7章模具工作零件刃口尺寸计算14
第8章压力计算及压力中心的计算16
8.1冲裁力的计算16
8.2压力中心的计算18
第9章冲压设备的选择及核18
第10章弹性元件的设计计算19
第11章模具零件的选用、设计及必要的设计20
11.1凸模外形结构、尺寸确定20
11.2凹模外型尺寸的定21
11.3定位零件23
11.3.1送料导向零件23
11.3.2送料定距零件23
11.4卸料装置和推件装置25
11.5导向零件26
11.6导向零件27
11.6.1模架设计27
11.6.2模座28
设计小结30
致谢31
主要参考文献32
温馨提示:
1、题目前面的备注【字母数字编号】为本站整理分类的编号,与课题内容无关,请选题时忽视;
2、若题目上备注三维,则表示文件里包含三维源文件,由于三维组成零件数量较多,为保证预览截图的简洁性,本站将三维文件夹进行了打包。三维及CAD预览截图,均为本站电脑打开软件进行截图的,保证能够打开,下载原件超高清,下载后解压即可;
3、本站所有资源如无特殊说明,都需要本地电脑安装Office2007。图纸软件为AutoCAD,PROE,UG,SolidWorks,CATIA等;
4、本站所有图文资料仅供用户学习参考,不作为任何商用或其他用途;
5、本站不保证下载资源的准确性、安全性和完整性, 不包修改,不支持退换,同时也不承担用户因使用这些下载资源对自己和他人造成任何形式的伤害或损失;
6、 下载文件中如有侵权或不适当内容,请与我们联系,我们立即纠正。