

作品包括:
Word版设计说明书1份
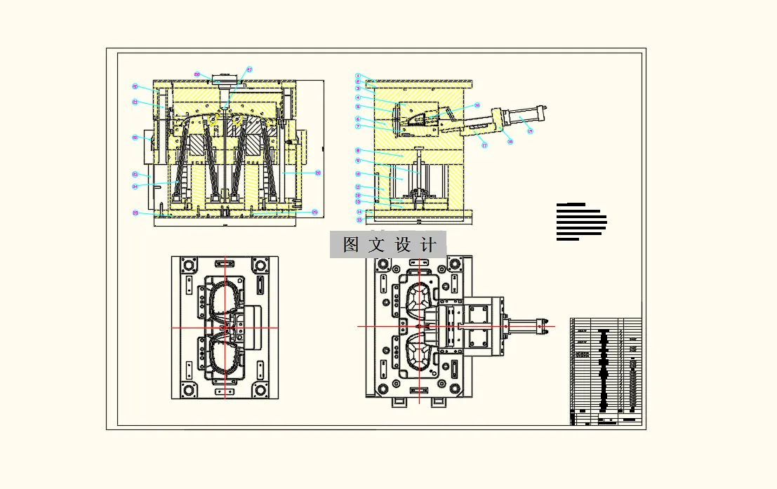
CAD版本图纸,共10张
摘要
本文介绍了一种汽车后视镜注塑模的设计过程。对塑料与注塑模行业产业的基本发展情况做了简单介绍。根据汽车后视镜的形状特点,对后视镜产品原材料、注塑工艺、内部结构进行较为细致的讨论与分析。 本文较为详细的阐述了成型过程中各零部件与结构尺寸与各种系统的设计过程,并对其进行了校核审验。综合运用计算机辅助软件Autocad等软件,分析了模具的装配原理,对汽车后视镜注塑模进行了装配图与零件图的绘制。 943094
温馨提示:
1、题目前面的备注【字母数字编号】为本站整理分类的编号,与课题内容无关,请选题时忽视;
2、若题目上备注三维,则表示文件里包含三维源文件,由于三维组成零件数量较多,为保证预览截图的简洁性,本站将三维文件夹进行了打包。三维及CAD预览截图,均为本站电脑打开软件进行截图的,保证能够打开,下载原件超高清,下载后解压即可;
3、本站所有资源如无特殊说明,都需要本地电脑安装Office2007。图纸软件为AutoCAD,PROE,UG,SolidWorks,CATIA等;
4、本站所有图文资料仅供用户学习参考,不作为任何商用或其他用途;
5、本站不保证下载资源的准确性、安全性和完整性, 不包修改,不支持退换,同时也不承担用户因使用这些下载资源对自己和他人造成任何形式的伤害或损失;
6、 下载文件中如有侵权或不适当内容,请与我们联系,我们立即纠正。