

作品包括:
Word版设计说明书1份
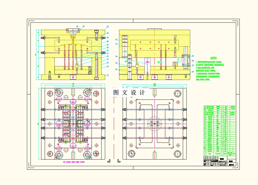
CAD版本图纸,共14张
摘要
本文研究针对中通客车6121座椅右支板塑件产品设计制造专用注塑模型设备,依据国家机械行业的相关标准和设计文件,对模具装置的相关在零件进行设计制造,为了能够简化整套模具装置的生产制造难度,对能够选用标准件的有关部件参考相应标准进行合理选择,非标零件的设计制造也要尽量简单,在一定程度上将模具装置的生产制造成本降至最低。 第一步,研究分析中通客车6121座椅右支板塑件产品的相关结构特点,结合其实际的使用环境,分析各种生产制造材料的性能参数,对生产制造材料进行合理选用,最后确定采用ABS材料生产加工本文设计生产的塑件产品,并结合实际生产制造情况,设计制造成型加工生产的相应工艺和工序方案。 第二步,设计确定注塑模具装置的整体设计方案,设计确定模具装置的分型面,并对模具装置的定位机构进行设计制造。除此之外,对模具装置的相关辅助机构以及所有零部件进行设计制造,并绘制完成模具装置的总装配图以及各个主要零部件的零件图。 第三步,设计计算模具装置的相关参数以及相关部件的相应尺寸。
温馨提示:
1、题目前面的备注【字母数字编号】为本站整理分类的编号,与课题内容无关,请选题时忽视;
2、若题目上备注三维,则表示文件里包含三维源文件,由于三维组成零件数量较多,为保证预览截图的简洁性,本站将三维文件夹进行了打包。三维及CAD预览截图,均为本站电脑打开软件进行截图的,保证能够打开,下载原件超高清,下载后解压即可;
3、本站所有资源如无特殊说明,都需要本地电脑安装Office2007。图纸软件为AutoCAD,PROE,UG,SolidWorks,CATIA等;
4、本站所有图文资料仅供用户学习参考,不作为任何商用或其他用途;
5、本站不保证下载资源的准确性、安全性和完整性, 不包修改,不支持退换,同时也不承担用户因使用这些下载资源对自己和他人造成任何形式的伤害或损失;
6、 下载文件中如有侵权或不适当内容,请与我们联系,我们立即纠正。