

作品包括:
Word版设计说明书1份
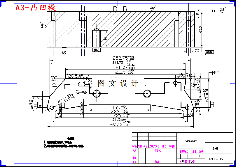
CAD版本图纸,共12张
摘要
本次设计的主要内容是轮滑鞋铝合金支架加工模具设计,产品为6061铝合金冲压成型,未注公差等级IT12,属大量生产。设计主要内容如下: 1、轮滑鞋铝合金支架成型工艺分析,包括材料的成型性能、制品的工艺性分析。 2、工艺参数的制定、参数与相关尺寸的计算、模具结构类型及成型设备的选用。 3、模具结构的预设计、设备预选。 4、成型零部件计算、设备选用参数计算、关键零件强度校核、运动件运动分析。 5、核定模具最终结构与相关尺寸、参数,修改与设计模具结构。 6、根据修改后的模具结构与总图设计相关零件图。 本次设计的任务是轮滑鞋铝合金支架加工模具设计。根据设计任务书的要求,产品为6061铝合金冲压成型,未注公差等级IT12,大量生产。在设计中通过分析工件的冲压成形工艺,确定冲裁工艺方案,在设计过程中,计算了毛坯排样、压力中心、冲压工艺力、刃口尺寸等,因此我采用了冲孔落料复合模、压筋模两副模具。然后对模具进行凸模、凹模、凸凹模以及主要零部件的设计,另外选用标准模架及其他的标准零件。最后绘制了落料冲孔复合模和压筋模的装配图和零件图。
温馨提示:
1、题目前面的备注【字母数字编号】为本站整理分类的编号,与课题内容无关,请选题时忽视;
2、若题目上备注三维,则表示文件里包含三维源文件,由于三维组成零件数量较多,为保证预览截图的简洁性,本站将三维文件夹进行了打包。三维及CAD预览截图,均为本站电脑打开软件进行截图的,保证能够打开,下载原件超高清,下载后解压即可;
3、本站所有资源如无特殊说明,都需要本地电脑安装Office2007。图纸软件为AutoCAD,PROE,UG,SolidWorks,CATIA等;
4、本站所有图文资料仅供用户学习参考,不作为任何商用或其他用途;
5、本站不保证下载资源的准确性、安全性和完整性, 不包修改,不支持退换,同时也不承担用户因使用这些下载资源对自己和他人造成任何形式的伤害或损失;
6、 下载文件中如有侵权或不适当内容,请与我们联系,我们立即纠正。