

作品包括:
说明书一份,共38页,约17000字
外文翻译一份
CAD版本图纸,共16张:
工序卡一套
过程卡一张

摘 要
本篇说明书中,主要是介绍了我这次设计的主要设计思路及设计过程。包括了两套专用夹具的设计和刀具、量具的设计思路和设计过程,以及在致谢和参考文献。
我的设计课题是机床支架的工艺工装设计。设计的主要内容有:绘制零件图、设计夹具、刀具、量具等。由目录可详细了解论文的内容。此次设计,综合运用了本专业的各方面的专业知识,如《机械制图》、《机械制造工艺学》、《机床夹具设计》……在这整个设计过程中进一步加深并巩固了我这两年所学的知识,令我感到受益匪浅,收获颇丰。
由于个人能力和经验有限,设计中会出现很多不足之处,希望各位老师给予指教。
关键词:专用夹具;刀具;量具;机械制图
目 录
引言……………………………………………………………………………………………1
第1章工艺规程设计…………………………………………………………………………2
1.1 零件分析 ………………………………………………………………………………2
1.2 确定毛坯、画毛坯图 …………………………………………………………………2
1.3 工艺规程设计 …………………………………………………………………………3
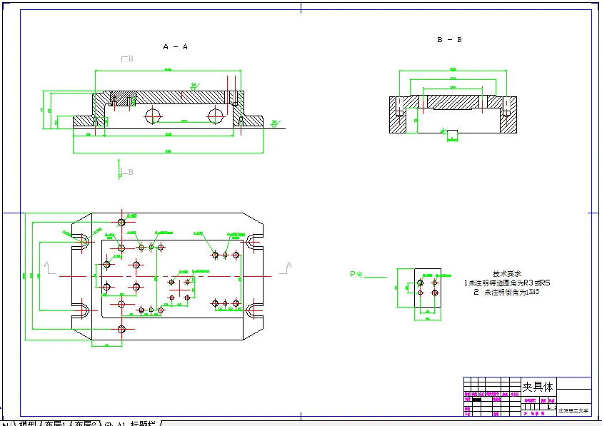
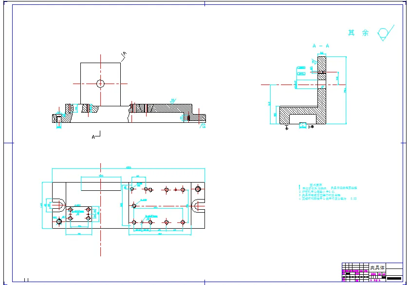
第2章工艺装备设计…………………………………………………………………………14
2.1 夹具的概念 …………………………………………………………………………15
2.2 夹具的基本要求 ……………………………………………………………………15
2.3 夹具的设计方法和步骤 ……………………………………………………………15
第3章量具设计 ……………………………………………………………………………20
3.1 量规的种类和作用 …………………………………………………………………23
3.2 量规设计 ……………………………………………………………………………23
3.3 量规的技术要求 ……………………………………………………………………24
结论 …………………………………………………………………………………………25
致谢 …………………………………………………………………………………………26
参考文献 ……………………………………………………………………………………27
附录A(英文原文)…………………………………………………………………………28
附录B(中文翻译)…………………………………………………………………………33
温馨提示:
1、题目前面的备注【字母数字编号】为本站整理分类的编号,与课题内容无关,请选题时忽视;
2、若题目上备注三维,则表示文件里包含三维源文件,由于三维组成零件数量较多,为保证预览截图的简洁性,本站将三维文件夹进行了打包。三维及CAD预览截图,均为本站电脑打开软件进行截图的,保证能够打开,下载原件超高清,下载后解压即可;
3、本站所有资源如无特殊说明,都需要本地电脑安装Office2007。图纸软件为AutoCAD,PROE,UG,SolidWorks,CATIA等;
4、本站所有图文资料仅供用户学习参考,不作为任何商用或其他用途;
5、本站不保证下载资源的准确性、安全性和完整性, 不包修改,不支持退换,同时也不承担用户因使用这些下载资源对自己和他人造成任何形式的伤害或损失;
6、 下载文件中如有侵权或不适当内容,请与我们联系,我们立即纠正。