

作品包括:
Word版说明书1份,共36页,约11000字
工序卡11张
工艺过程卡1张
CAD版本图纸,共7张

摘要
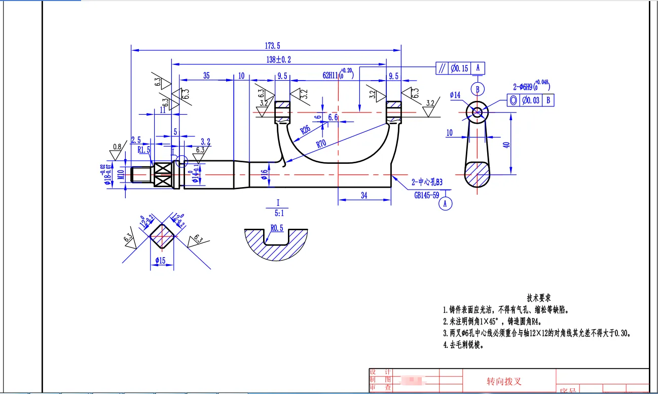
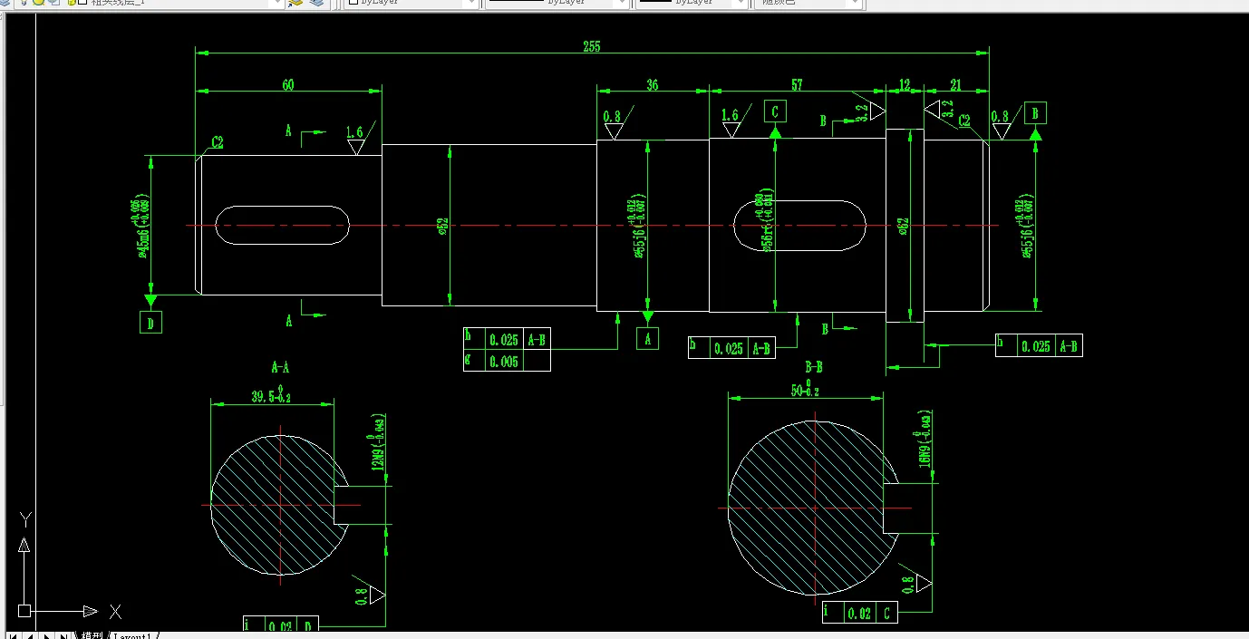
工具卡座零件是一种经常看到的铸造零件,基本是用来对机床上产品进行定位,构造非常复杂,体积不大,它需要加工的面有斜面,圆弧凹面,两头的端面还有孔。本设计对工具卡座零件构造的特征,技术需求,还有工艺条件进行了分析,确保生产精度。设计包括加工工艺设计及镗Ф50半圆孔镗床专用夹具设计。
在对加工工艺设计之前,首先对面、孔生产的先后顺序进行设计。制定工艺加工流程。整个生产流程使用的机床是通用,工序装夹采用专用夹具。
第二部分设计镗Ф50半圆孔镗床专用夹具,夹具在定位的时候用了“两个面和一个销”,夹紧装置也采用标准件。因使用的标准件多,花费不多,还能够满足生产,并且定位和装夹都比较方便。
关键词:工具卡座、工艺,镗Ф50半圆孔、镗床
目录
摘要I
Abstract II
1序言1
1.1前言1
1.2机械加工工艺过程概述1
2零件的分析3
2.1零件的作用3
2.2零件的组成表面分析3
2.3零件的加工要求分析4
2.4零件的形位公差分析4
3设计加工工艺规程5
3.1零件材料的确定5
3.2零件制造形式的确定5
3.3零件生产类型的确定6
3.4零件加工基准的确定6
3.5零件加工工艺路线的设计6
3.6零件加工工艺装备的选择8
3.7零件加工余量确定9
3.8确定切削用量、计算加工工时11
4设计专用夹具26
4.1定位方案的设计26
4.2定位元件的选择26
4.3夹紧方案的设计26
4.4夹紧元件的选择27
4.5夹具体的设计27
4.6导向装置—镗套的选择28
4.7切削力的计算28
4.8夹紧力的计算29
4.9分析定位误差30
结论31
致谢32
参考文献33
温馨提示:
1、题目前面的备注【字母数字编号】为本站整理分类的编号,与课题内容无关,请选题时忽视;
2、若题目上备注三维,则表示文件里包含三维源文件,由于三维组成零件数量较多,为保证预览截图的简洁性,本站将三维文件夹进行了打包。三维及CAD预览截图,均为本站电脑打开软件进行截图的,保证能够打开,下载原件超高清,下载后解压即可;
3、本站所有资源如无特殊说明,都需要本地电脑安装Office2007。图纸软件为AutoCAD,PROE,UG,SolidWorks,CATIA等;
4、本站所有图文资料仅供用户学习参考,不作为任何商用或其他用途;
5、本站不保证下载资源的准确性、安全性和完整性, 不包修改,不支持退换,同时也不承担用户因使用这些下载资源对自己和他人造成任何形式的伤害或损失;
6、 下载文件中如有侵权或不适当内容,请与我们联系,我们立即纠正。