

作品包括:
说明书一份,共47页,约17000字
CAD版本图纸,共8张
摘要
我国自从改革开放以来,畜牧业也跟着经济快速发展,从而畜牧业对饲料需求越来越大,传统饲料再不能远远满足现在畜牧业。同时我国种植着可以做为饲料原成青玉米,不仅种植面积大而且分布广,但收割和后续加工机械作业水平低下,需要大量人工去完成,从而不能优化畜牧业对饲料需求不足问题。毕业设计课题采用原苏联青玉米收割切碎机原有切割结构、输送传送结构、切碎抛送结构等一些主要结构,设计一台青玉米收割切碎机可以一次完成收割青玉米,切碎青玉米,回收青玉米等作业。课题设计青玉米收割切碎机,是针对小规模畜牧业对青玉米收割切碎机需求而设计,该机牵引方式是有农用拖拉机牵引,利用回转形式做切割器,切割方式靠棘齿刀绕着固定中心点做回转运动,可以把功率损耗降低,在提高劳动生产率方面上,可以适当提高刀轴转速,使棘齿刀和刀盘固定一体。为了好好让切碎青玉米做饲料,设计切碎长度为15mm,在切碎部分是采动刀和定刀相结合方式,在切碎过程避免作物与切刀之间滑动,切碎力更加省力和提高工作效率等前提下,动刀可设计为V型,定刀设计为长方形。
关键词:饲料需求;机械收割;机械切碎;切碎长度
目 录
摘要 I
绪论 1
第1章 总体设计方案 5
1.1 制定设计方案 5
1.2 制定结构 5
1.3 工作原理 6
1.4 重要部件选择 8
1.5 圆盘式切割器和滚筒式切碎器设计 9
1.6 碾压辊和喂入辊设计 12
1.7 抛送器设计 14
第2章 部件设计计算 15
2.1 功率预算 15
2.2 预算切割器功率损耗 15
2.3预算切碎器功率损耗 15
2.4预算抛扬器功率损耗 16
2.5预算传送带和碾压喂入装置功率损耗 16
2.6预算总功率损耗 16
第3章 传动设计 18
3.1 设计用V型传动 18
4.2 确定锥齿轮传动设计 21
3.3 确定滚子链传动 28
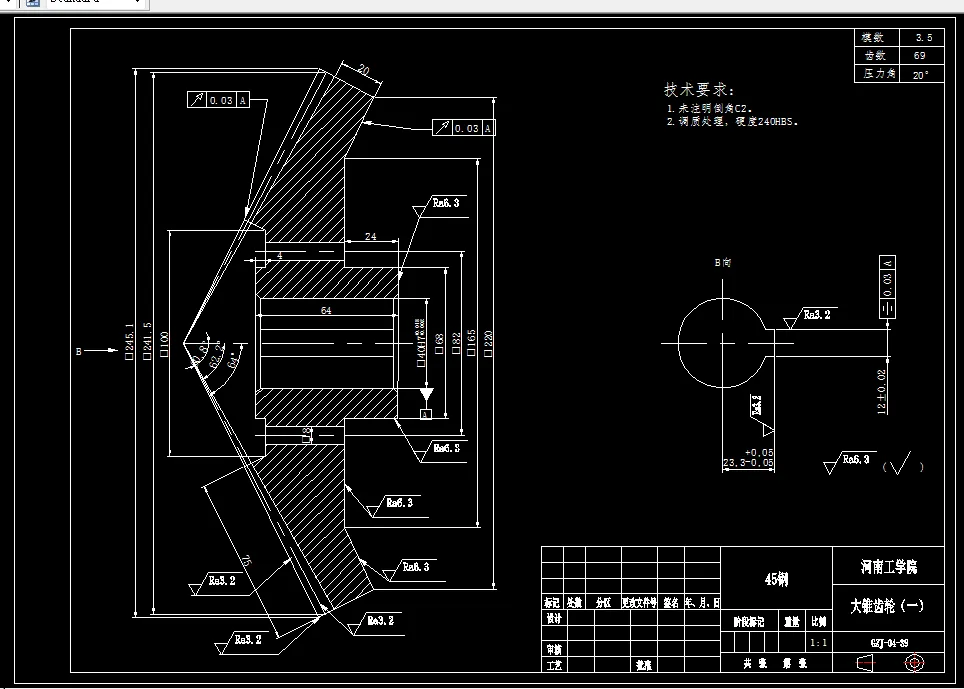
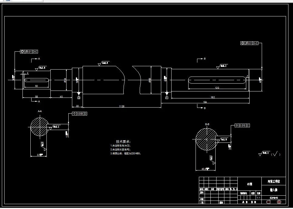
第4章 输入轴设计 31
4.1 确定输入轴实际情况 31
4.2 计算作用在带轮上力 31
4.3 初步对输入轴最小直径设计 32
4.4 输入轴结构 33
4.5 输入轴上静载荷 34
4.6 校核输入强度 35
4.7 疲劳强度校核 35
第5章 铺助部件设计 37
5.1 防尘装置设计 37
5.2 外壳设计 37
结论 38
致谢 40
参考文献
温馨提示:
1、题目前面的备注【字母数字编号】为本站整理分类的编号,与课题内容无关,请选题时忽视;
2、若题目上备注三维,则表示文件里包含三维源文件,由于三维组成零件数量较多,为保证预览截图的简洁性,本站将三维文件夹进行了打包。三维及CAD预览截图,均为本站电脑打开软件进行截图的,保证能够打开,下载原件超高清,下载后解压即可;
3、本站所有资源如无特殊说明,都需要本地电脑安装Office2007。图纸软件为AutoCAD,PROE,UG,SolidWorks,CATIA等;
4、本站所有图文资料仅供用户学习参考,不作为任何商用或其他用途;
5、本站不保证下载资源的准确性、安全性和完整性, 不包修改,不支持退换,同时也不承担用户因使用这些下载资源对自己和他人造成任何形式的伤害或损失;
6、 下载文件中如有侵权或不适当内容,请与我们联系,我们立即纠正。