

作品包括:
word说明书一份,共53页,约24000字
任务书一份
开题报告一份
CAD版本图纸,共7张
摘 要
本毕业设计的任务是对解放CA1140型货车进行万向传动装置的设计、研究。在指导老师的细心指导下,通过对汽车万向传动装置的了解,进一步进行万向传动装置的设计。通过实际的市场调查和客观的实际观察,全面了解万向传动装置的结构,充分了解到万向传动装置的工作原理与意义,及其在汽车行驶中的重要作用。在汽车的正常工作中,是一个必不缺少的部件,也是一个不可替代的关键部件。对于万向传动装置的研究,有很大的发展空间,具有相当大的研究意义。在充分与指导老师讨论、研究后,故选此课题。
在进行设计任务时,分析了万向传动装置类型的,根据题目所要求的原始数据要求,确定了所选用万向传动轴的种类。在初定各个部件的相关尺寸后,根据要求进行了计算和校核,确定了所设计部件的尺寸和参数,并选择了零部件的材料。
关键字:万向节,传动轴,强度,计算,校核
目 录
摘要 ………………………………………………………………………………………I
Abstract……………………………………………………………………………………II
第1章 绪论 …………………………………………………………………………1
1.1 选题的目的和意义 ………………………………………………………………1
1.2 国内外研究现状和发展趋势 ……………………………………………………2
第 2 章 设计方案选择 ………………………………………………………………4
2.1 万向传动装置基本组成的选择 …………………………………………………4
2.2 万向节类型的选择 ………………………………………………………………4
2.3 十字轴式万向节结构方案分析 …………………………………………………5
2.4 十字轴万向节总成尺寸的确定与强度校核 ……………………………………5
2.5 中间支承结构分析与设计 ………………………………………………………6
2.6 本章小结 …………………………………………………………………………6
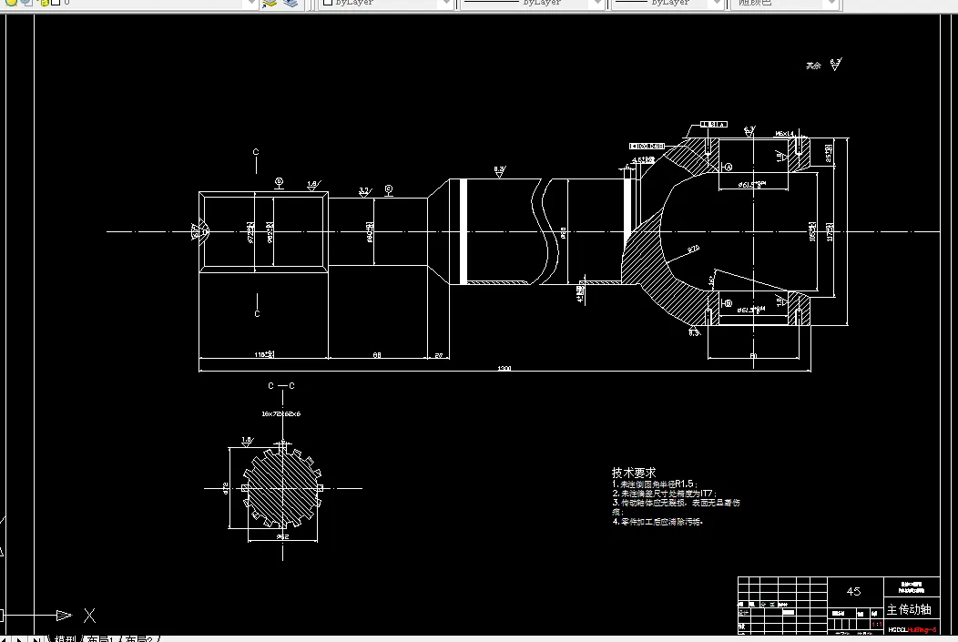
第3章万向传动轴总成的设计……………………………………………………7
3.1 万向传动轴总体概述及传动布置型式的选择 …………………………………7
3.2 传动轴断面尺寸的确定与强度校核 ……………………………………………8
3.2.1传动轴的运动分析 …………………………………………………………8
3.2.2传动轴的临界转速…………………………………………………………11
3.2.3传动轴管内外径确定………………………………………………………12
3.2.4传动轴扭矩强度校核………………………………………………………13
3.3 连接花键的设计…………………………………………………………………14 3.3.1主传动轴滑动花键的设计…………………………………………………14
3.3.2中间传动轴连接花键的设计………………………………………………18
3.4本章小结 …………………………………………………………………………20
第4章 万向节总成的设计 ………………………………………………………21
4.1 万向节类型的选择………………………………………………………………21
4.2 十字轴式万向节的结构分析 …………………………………………………22
4.2.1十字轴式万向节的结构方案分析 ………………………………………22
4.2.2十字轴式万向节传动不等速性分析 ……………………………………23
4.3 万向节的运动和受力分析 ……………………………………………………24
4.3.1 单十字轴万向节的运动和附加弯曲力偶矩的分析 ……………………24
4.3.2 双十字轴万向节传动 ……………………………………………………26
4.3.3 多十字轴万向节传动 ……………………………………………………27
4.4 万向节总成主要参数的确定与强度校核 ……………………………………28
4.4.1 十字轴 ……………………………………………………………………28
4.4.2 十字轴万向节的滚针轴承 ………………………………………………31
4.4.3 十字轴万向节的传动效率 ………………………………………………34
4.5 连接元件的设计 ………………………………………………………………35
4.5.1 连接螺栓 …………………………………………………………………35
4.5.2 万向节叉 …………………………………………………………………36
4.6 十字轴总成的润滑 ……………………………………………………………38
4.7 本章小结 ………………………………………………………………………39
第5章中间支承总成的设计……………………………………………………40
5.1 中间支承的结构分析与选择 …………………………………………………40
5.2 轴承的选取与校核 ……………………………………………………………41
5.3 本章小结 ………………………………………………………………………43
结论………………………………………………………………………………………44
参考文献 ………………………………………………………………………………45
致谢………………………………………………………………………………………46
附录………………………………………………………………………………………47
温馨提示:
1、题目前面的备注【字母数字编号】为本站整理分类的编号,与课题内容无关,请选题时忽视;
2、若题目上备注三维,则表示文件里包含三维源文件,由于三维组成零件数量较多,为保证预览截图的简洁性,本站将三维文件夹进行了打包。三维及CAD预览截图,均为本站电脑打开软件进行截图的,保证能够打开,下载原件超高清,下载后解压即可;
3、本站所有资源如无特殊说明,都需要本地电脑安装Office2007。图纸软件为AutoCAD,PROE,UG,SolidWorks,CATIA等;
4、本站所有图文资料仅供用户学习参考,不作为任何商用或其他用途;
5、本站不保证下载资源的准确性、安全性和完整性, 不包修改,不支持退换,同时也不承担用户因使用这些下载资源对自己和他人造成任何形式的伤害或损失;
6、 下载文件中如有侵权或不适当内容,请与我们联系,我们立即纠正。