

作品包括:
Word版说明书1份,共31页,约13000字
CAD版本图纸,共6张

摘要
社会的发展推动了工业及相关技术的成熟,并且其在此基础上还形成了体系化的产业。由此,汽车成为了人们出行的主要工具。在汽车的零部件中,车用波纹管就是其中之一。该零件位于汽车发动机的排气管内,具有控声降噪的作用。同时亦可延缓发动机的损耗,使得汽车的使用寿命增长。车用波纹管的具体结构为:一个双层的波纹管,外部由钢丝网包覆,两端为外卡环固定。在工作中,由于波纹管处于高温、高压的高强度的环境中,因此就会出现变形,进而减少其使用性能及使用寿命,因此研究影响其疲劳寿命,就成为了一个重要的工业课题。
研究引起波纹管疲劳的因素与影响,则首先就要获得其使用前后的疲劳值,才能进行下一步的分析研究。本文根据波纹管的实际工作特点,设计了一套疲劳试验机,并对本次研制的试验装备进行试验验证,保证试验装备的运行稳定可靠和测量结果的精确。
关键词:汽车波纹管疲劳寿命疲劳试验机
目录
绪论1
第一章车用波纹管疲劳试验机的意义2
1.1波纹管的概要2
1.1.1波纹管的发展历史2
1.1.2汽车波纹管2
1.1.3波纹管疲劳寿命3
1.2疲劳试验机的发展4
1.2.1疲劳试验机的国外发展4
1.2.2疲劳试验机的国内发展5
1.3本文研究的目的及意义6
第二章疲劳试验机的设计方案7
2.1疲劳试验机的选择7
2.2疲劳试验机的组成及维护7
2.2.1疲劳试验机的组成7
2.2.2疲劳试验机的维护8
2.3疲劳试验机的工作原理9
2.3.1疲劳试验机说明9
2.3.2疲劳试验机条件及要求10
第三章疲劳试验机总体结构设计11
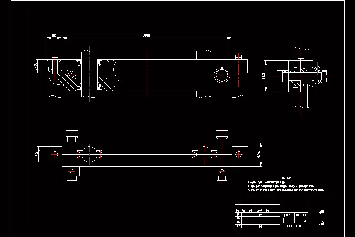
3.1疲劳试验机机架的设计11
3.1.1疲劳试验机底座的设计11
3.1.2疲劳试验机立柱的设计11
3.1.3疲劳试验机横梁的设计11
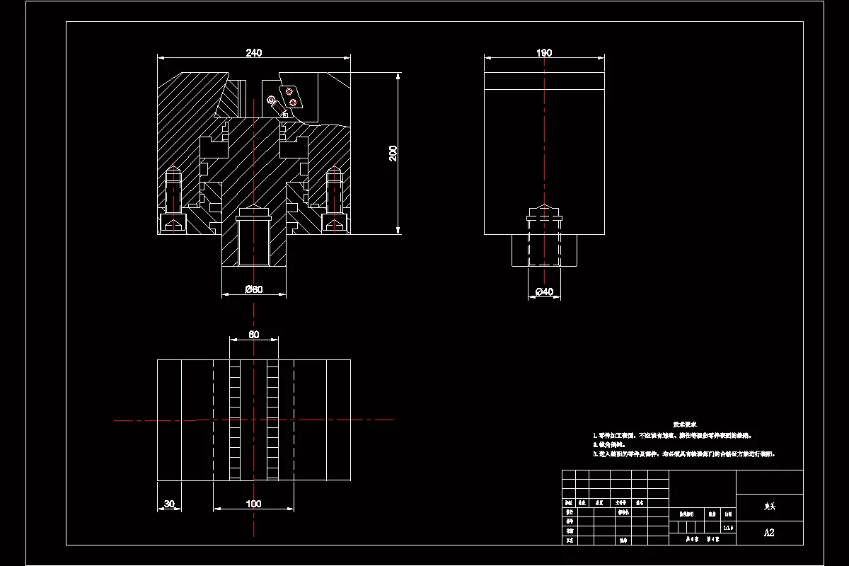
3.1.4疲劳试验机液压夹头的设计13
3.2疲劳试验机液压系统的设计14
3.2.1液压系统的控制方式设计14
3.2.2供油压力的选择14
3.2.3液压缸的选择14
3.2.4比例阀的选择16
3.2.5液压泵的选择18
3.2.6蓄能器的选择20
3.3液压辅助件的设计21
3.3.1换热器的选择21
3.3.2滤油器的选择21
3.3.3管件的选择22
3.4波纹管内液供给装置的设计23
结论25
参考文献26
致谢27
温馨提示:
1、题目前面的备注【字母数字编号】为本站整理分类的编号,与课题内容无关,请选题时忽视;
2、若题目上备注三维,则表示文件里包含三维源文件,由于三维组成零件数量较多,为保证预览截图的简洁性,本站将三维文件夹进行了打包。三维及CAD预览截图,均为本站电脑打开软件进行截图的,保证能够打开,下载原件超高清,下载后解压即可;
3、本站所有资源如无特殊说明,都需要本地电脑安装Office2007。图纸软件为AutoCAD,PROE,UG,SolidWorks,CATIA等;
4、本站所有图文资料仅供用户学习参考,不作为任何商用或其他用途;
5、本站不保证下载资源的准确性、安全性和完整性, 不包修改,不支持退换,同时也不承担用户因使用这些下载资源对自己和他人造成任何形式的伤害或损失;
6、 下载文件中如有侵权或不适当内容,请与我们联系,我们立即纠正。