

作品包括:
Word版说明书1份,共30页
开题报告一份
CAD版本图纸,共5张
摘要
本文由绪论、砂轮架设计、横向进给机构设计、总结和致谢等几个部分组成。本文主要完成确定了外圆磨床砂轮架总体设计方案,设计方案是利用伺服电机控制砂轮的转动,利用滚珠丝杠副控制整个砂轮架装置的前后进给移动。并且砂轮架安装两根导轨之上,滚珠丝杠副控制其运动。进给机构通过丝杠螺母副,把旋转运动转为直线运动,实现进给。对主要的零件设计进行设计计算,如砂轮架机构、滚珠丝杠机构、主轴等零部件的设计。
本主要分以下几个部分:
绪论部分阐述了磨床的种类,主要介绍的外圆磨床发展和背景,及其机床总体布局、主要部件结构和工艺特点的现状。
我主要是对砂轮架设计和横向进给部件设计做了详细的说明。例如:砂轮架与进给系统的设计方案进行了筛选与比较,轴承的选定、主轴的校核等设计。对设计过程中应该避免的问题进行了重点强调。
最后通过总结来对此次设计做出一个回顾和对机床制造做出展望。
关键词:磨床,砂轮架,横向进给机构
目录
引言1
1.1概述1
1.2外圆磨床的发展概况和前景2
1.3外圆磨床典型部件的功能介绍3
1.3.1机床总体布局3
1.3.2主要部件结构3
1.4课题内容和任务3
第2章数控专用磨床砂轮架设计5
2.1砂轮架设计的基本要求5
2.1.1主轴旋转精度及其提高措施5
2.1.2主轴轴承系统的刚性5
2.1.3砂轮架相关尺寸设计5
2.2砂轮架方案的确定: 6
2.2.1本次设计主要是砂轮架的整体设计6
2.2.2砂轮架的结构6
2.2.3进给机构7
2.3砂轮架相关尺寸设计的计算8
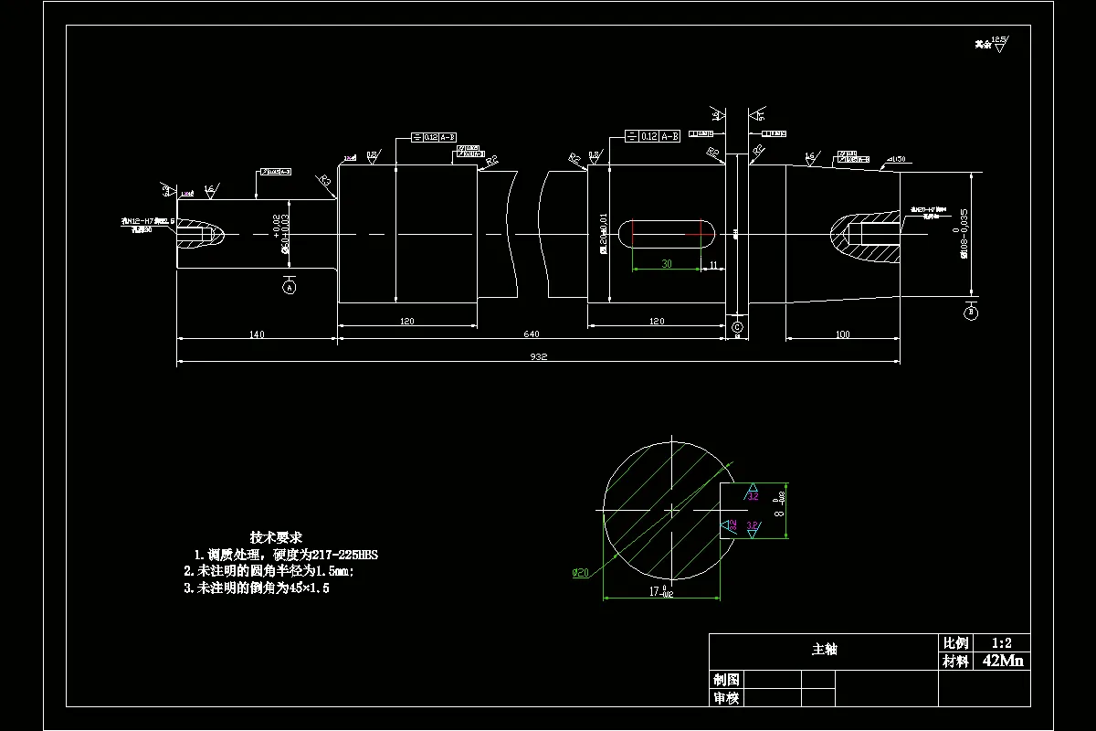
2.4砂轮架主轴初步设计10
2.4.1砂轮架主轴的强度校核10
2.4.2主轴刚度校核11
2.4.3轴承的选用与计算12
2.3.4传动装置设计13
第3章横向进给部件设计16
3.1进给机构18
3.2滚珠丝杠副的设计22
3.2.1导轨副选用与计算26
3.2.2滚珠丝杠副设计与计算28
3.3直线滑动导轨副的计算28
3.3.1滑块承受工作载荷的计算及导轨型号的选取29
结论30
参考文献31
致谢32
温馨提示:
1、题目前面的备注【字母数字编号】为本站整理分类的编号,与课题内容无关,请选题时忽视;
2、若题目上备注三维,则表示文件里包含三维源文件,由于三维组成零件数量较多,为保证预览截图的简洁性,本站将三维文件夹进行了打包。三维及CAD预览截图,均为本站电脑打开软件进行截图的,保证能够打开,下载原件超高清,下载后解压即可;
3、本站所有资源如无特殊说明,都需要本地电脑安装Office2007。图纸软件为AutoCAD,PROE,UG,SolidWorks,CATIA等;
4、本站所有图文资料仅供用户学习参考,不作为任何商用或其他用途;
5、本站不保证下载资源的准确性、安全性和完整性, 不包修改,不支持退换,同时也不承担用户因使用这些下载资源对自己和他人造成任何形式的伤害或损失;
6、 下载文件中如有侵权或不适当内容,请与我们联系,我们立即纠正。