

作品包括:
Word版设计说明书1份,共47页,约14000字
外文翻译一份
CAD版本图纸,共6张
UG三维图一套
![1726715479696325.webp BJM%CMLP]FN)WZJX}T4L1D0.webp](/static/upload/image/20240919/1726715479696325.webp)
摘 要
3D打印技术在过去的两年中越来越受欢迎。它是一种快速成型的技术,基于数字模型文件,并通过层打印构造对象。我们日常生活中的打印机可以打印一些平面纸张材料。3D打印机打印出3D产品。三维打印技术发展趋势的设计体系和国内产业发展状况,介绍了基本概念、发展历史回顾、3D打印技术、打印技术原理、应用领域、广泛影响。摘要在三维打印技术的发展过程和工作原理基础上,基于技术创新的特点,分析了三维打印技术和存在的问题,展望了三维打印技术的未来发展趋势。
本设计按照相应的技术参数和指标,在国际标准化规定下,对此次桌面型框架式3D打印机进行全面的机械结构设计。在普通打印机的基础上,根据优化设计,由X、Y、Z坐标滑块、挤压头、滚珠丝杠、直线导轨、套管等零件。其中X、Y、Z坐标滑台是来实现三个自由度的运动,分别由三个步进电动机驱动,滚珠丝杠副传递运动,使坐标滑台在直线导轨上做直线运动。该设计主要采用三维绘图软件,并建立原始打印机的模型。重点设计出箱体结构,实现桌面化。
关键词:3D打印机设计;桌面型3D打印机;FDM打印机设计;框架式3D打印机;框架式设计;
目 录
第一部分 本科毕业设计调研报告 1
1.1 概述 1
1.2 学生、教师简介 1
1.3 调研时间及调研形式 2
1.4 调研企业及其概况 2
1.5 调研内容 3
1.5.1 课题所涉及技术领域的基本情况 3
1.5.2 所设计的课题目前采用的设计方法、研发手段、技术特点与课题有关的装置或结构相关的具体情况 4
1.5.3 现阶段存在的技术问题 4
1.5.4 市场需求及产品应用前景分析 4
1.5.5 结论 5
第二部分 本科毕业设计可行性论证报告 6
2.1 设计课题要达到的设计目的 6
2.2 调研结论 6
2.3 方案设计 7
2.4 设计方案论证 8
2.4.1 技术方面 8
2.4.2 制造方面 8
2.4.3 经济性方面 8
2.4.4 现有的知识储备方面 8
2.4.5 结论 9
第三部分 毕业设计计算书 10
3.1 打印机框架整体设计 10
3.1.1 打印机框架尺寸设计 10
3.1.2 打印机的框架设计 10
3.2 机械结构传动装置设计 11
3.3 驱动电机的选择 11
3.3.1 计算折算到电动机轴上的负载转矩 13
3.2.2 计算折算到电动机的负载力矩 14
3.3.3 步进电机的初选 16
3.3.4 确定步进电机 16
3.4丝杠的选取及其校核 17
3.4.1丝杆的选取 17
3.4.2丝杆的确定 17
3.4.3螺杆的强刚度校核 18
3.5 联轴器的选择及其校核 20
3.6圆锥销的强度校核 21
3.6.1圆锥销的选择 21
3.6.2 圆锥销的强度校核 21
3.7滚动导轨的选择及其校核 22
3.7.1滚动导轨的选择 22
3.7.2滚动导轨的校核 22
3.8轴的设计及校核 28
3.8.1轴的重要性 28
3.8.2初步估算轴径 28
3.9挤出器整体结构设计 29
3.9.1挤出器结构设计 29
3.9.2喷头的设计 30
3.10 送料机构整体设计 31
3.11电控元件的选择 32
3.11.1 控制板的选择 32
3.11.2 传感器的选择 33
3.11.3行程开关的选择 33
第四部分 本科毕业设计特色专题 34
4.1 3D打印机的组成及功用 34
4.1.1 3D打印机的组成 34
4.1.2 3D打印机的功用 34
4.2 Unigraphics三维设计软件简介 34
4.3 3D打印机三维实体建模 35
4.3.1 升降板建模 35
4.3.2 喷头零件建模 36
4.3.3 丝杠零件建模 36
4.3.4 喷头支架零件的建模 37
4.3.5 电机支架建模 37
4.4 3D打印机组件装配 38
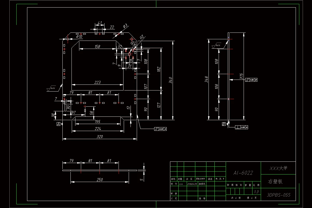
4.4.1 工作台支架 38
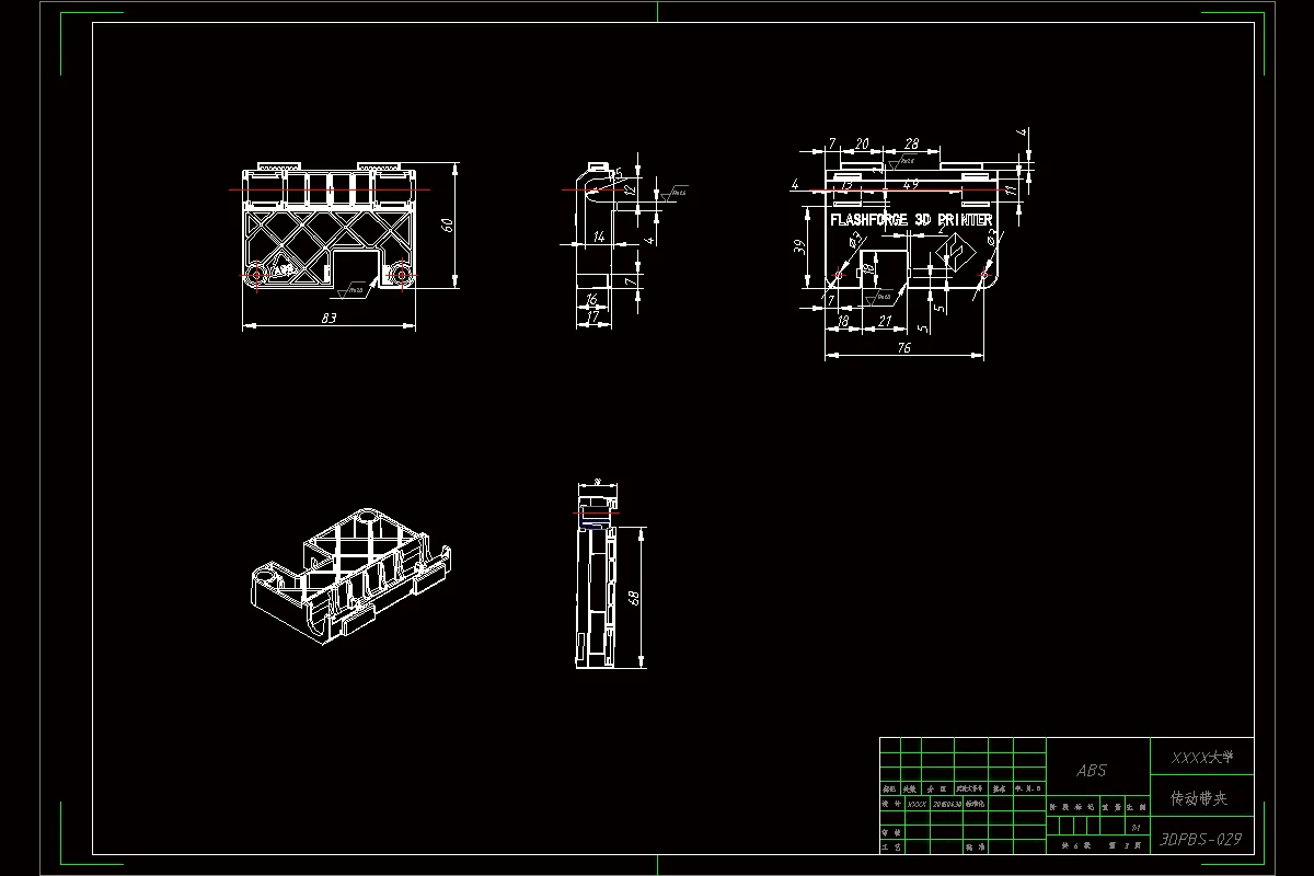
4.4.2传动带夹 39
4.4.3 电源支架 40
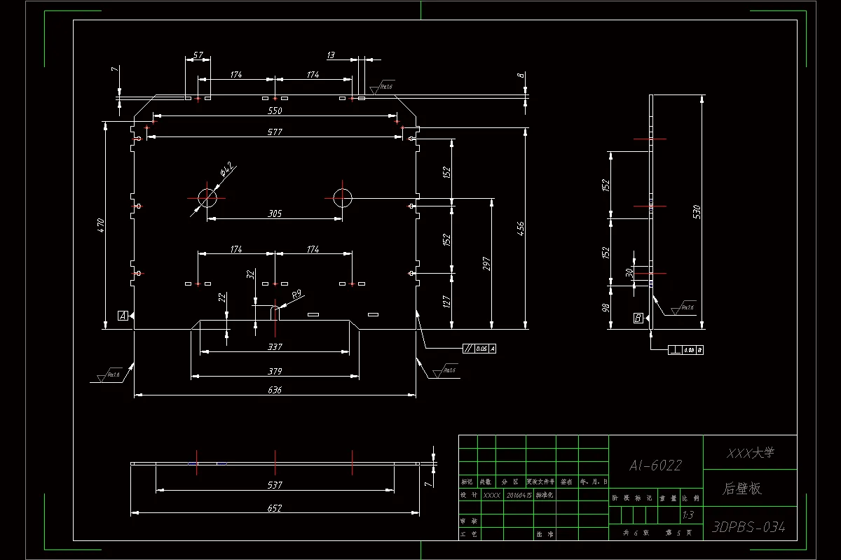
4.4.4后壁板 41
4.4.4 3D打印机整体装配图 42
结束语 42
致 谢 44
参考文献 45
温馨提示:
1、题目前面的备注【字母数字编号】为本站整理分类的编号,与课题内容无关,请选题时忽视;
2、若题目上备注三维,则表示文件里包含三维源文件,由于三维组成零件数量较多,为保证预览截图的简洁性,本站将三维文件夹进行了打包。三维及CAD预览截图,均为本站电脑打开软件进行截图的,保证能够打开,下载原件超高清,下载后解压即可;
3、本站所有资源如无特殊说明,都需要本地电脑安装Office2007。图纸软件为AutoCAD,PROE,UG,SolidWorks,CATIA等;
4、本站所有图文资料仅供用户学习参考,不作为任何商用或其他用途;
5、本站不保证下载资源的准确性、安全性和完整性, 不包修改,不支持退换,同时也不承担用户因使用这些下载资源对自己和他人造成任何形式的伤害或损失;
6、 下载文件中如有侵权或不适当内容,请与我们联系,我们立即纠正。