

作品包括:
Word版设计说明书1份
任务书一份
开题报告一份
外文翻译一份
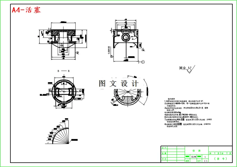
CAD版本图纸,共8张
摘要
汽车的发动机,又被称为汽车的心脏,它是最为重要的汽车原动力,也是制造汽车技术水平和成本最高的地方。曲柄连杆作为发动机的主要运动机构,其功能是将活塞的往复运动转换成为曲轴的旋转运动,同时将作用于活塞上的离转换成为对曲轴对外输出的转矩,从而驱动汽车车轮转动。曲柄连杆机构主要由活塞组、连杆组、曲轴和飞轮组等零部件组成。本设计以铃木悦酷GZ150-A型发动机为例,基于相关参数为参考,设计单缸发动机曲柄连杆机构及关键零部件,进行零部件的设计参数计算、主要结构尺寸计算,同时对相关零部件进行强度、刚度等方面的校核,并用CAD绘制零件图。
温馨提示:
1、题目前面的备注【字母数字编号】为本站整理分类的编号,与课题内容无关,请选题时忽视;
2、若题目上备注三维,则表示文件里包含三维源文件,由于三维组成零件数量较多,为保证预览截图的简洁性,本站将三维文件夹进行了打包。三维及CAD预览截图,均为本站电脑打开软件进行截图的,保证能够打开,下载原件超高清,下载后解压即可;
3、本站所有资源如无特殊说明,都需要本地电脑安装Office2007。图纸软件为AutoCAD,PROE,UG,SolidWorks,CATIA等;
4、本站所有图文资料仅供用户学习参考,不作为任何商用或其他用途;
5、本站不保证下载资源的准确性、安全性和完整性, 不包修改,不支持退换,同时也不承担用户因使用这些下载资源对自己和他人造成任何形式的伤害或损失;
6、 下载文件中如有侵权或不适当内容,请与我们联系,我们立即纠正。