

作品包括:
Word版设计说明书1份
任务书一份
开题报告一份
外文翻译一份
CAD版本图纸,共9张
摘要
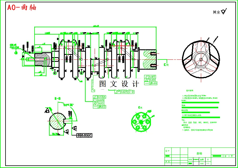
随着科技的不断进步与发展,内燃机在工业、农业等重要领域发挥了空前的应用。其中,曲柄连杆机构作为发动机的主要零部件之一,也越来越受到人们的关注,有关曲柄连杆机构的研究也越来越多。本设计着重对三缸农业柴油机的曲柄连杆机构进行了结构设计,借助运动学和动力学的相关理论,对发动机曲柄连杆机构的受力情况以及运动规律进行了详细的分析并得出可靠的数据;然后凭借着运动学分析和动力学分析得出的结果,对发动机的活塞组、连杆组以及曲轴飞轮组进行相关的设计,并对其材料的疲劳强度和拉压刚度进行校核。在设计过程中,运用活塞组、连杆组以及曲轴飞轮组的相关计算数据,并通过AutoCAD软件对曲柄连杆机构的主要零部件进行绘制,最终得到完整的曲柄连杆机构的设计图纸。
温馨提示:
1、题目前面的备注【字母数字编号】为本站整理分类的编号,与课题内容无关,请选题时忽视;
2、若题目上备注三维,则表示文件里包含三维源文件,由于三维组成零件数量较多,为保证预览截图的简洁性,本站将三维文件夹进行了打包。三维及CAD预览截图,均为本站电脑打开软件进行截图的,保证能够打开,下载原件超高清,下载后解压即可;
3、本站所有资源如无特殊说明,都需要本地电脑安装Office2007。图纸软件为AutoCAD,PROE,UG,SolidWorks,CATIA等;
4、本站所有图文资料仅供用户学习参考,不作为任何商用或其他用途;
5、本站不保证下载资源的准确性、安全性和完整性, 不包修改,不支持退换,同时也不承担用户因使用这些下载资源对自己和他人造成任何形式的伤害或损失;
6、 下载文件中如有侵权或不适当内容,请与我们联系,我们立即纠正。