

作品包括:
Word版设计说明书1份
CAD版本图纸,共2张
摘要
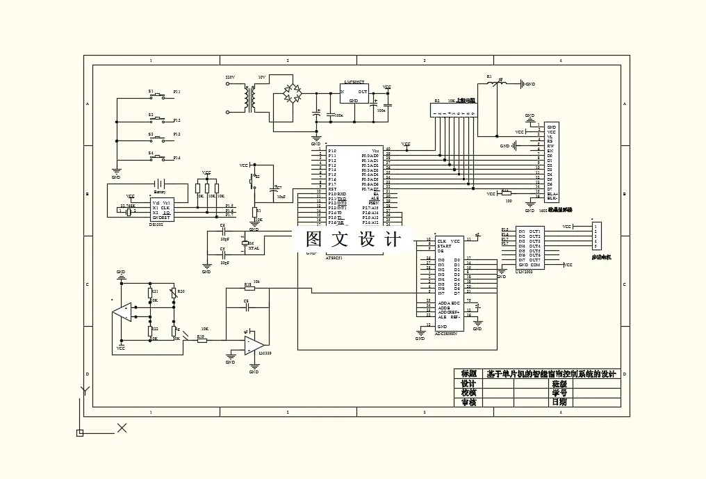
智能控制是现代电子信息科学的一种发展方向,在现代的家居中得到了很好的应用,现在很多家庭的窗帘都是手动式的,没有做到以人为本,不便捷,给很多居民带来了不必要的麻烦。 本文的智能窗帘控制系统就是针对这些问题进行设计的,对于系统的硬件和软件都做了详细的分析和规划。文中智能窗帘控制系统采用的是AT89C51为核心的单片机,并且添加了光敏传感器、键盘/显示、定时装置、步进电机等模块从而实现智能窗帘系统功能。重点研究智能窗帘控制系统的硬件和软件的设计,通过一些传感器、定时等模块电路实现智能控制窗帘的功能。
温馨提示:
1、题目前面的备注【字母数字编号】为本站整理分类的编号,与课题内容无关,请选题时忽视;
2、若题目上备注三维,则表示文件里包含三维源文件,由于三维组成零件数量较多,为保证预览截图的简洁性,本站将三维文件夹进行了打包。三维及CAD预览截图,均为本站电脑打开软件进行截图的,保证能够打开,下载原件超高清,下载后解压即可;
3、本站所有资源如无特殊说明,都需要本地电脑安装Office2007。图纸软件为AutoCAD,PROE,UG,SolidWorks,CATIA等;
4、本站所有图文资料仅供用户学习参考,不作为任何商用或其他用途;
5、本站不保证下载资源的准确性、安全性和完整性, 不包修改,不支持退换,同时也不承担用户因使用这些下载资源对自己和他人造成任何形式的伤害或损失;
6、 下载文件中如有侵权或不适当内容,请与我们联系,我们立即纠正。