

作品包括:
Word版说明书1份,共46页,约22000字
CAD版本图纸,共2张

摘要
现阶段,智能化、网联化已经成为汽车行业的主要发展趋势,传感器在车辆中的应用也愈发重要。比如通过传感器测量出发动机的排气压力对于改善车辆的动力性与经济性有着重要意义,但是普通的传感器无法承受发动机的排气温度,所以研制出能在高温恶劣环境下应用的压力传感器对于汽车工业的进步有着重要意义。
由于Si基压力传感器存在着高温漏电的问题,而作为第三代宽禁带半导体材料,SiC则具有优秀的机械、电子以及化学性能,在制作压力传感器方面具有广阔的应用前景。所以目前SiC高温压力传感器已经成为耐高温压力传感器方面的主要研究趋势。
基于上述应用背景以及技术背景,本文的主要目标为研制出一款压阻式高温压力传感器。该传感器的最高工作温度为600℃,量程为2MPa。主要研究内容包括传感器芯片与封装的设计、传感器性能的仿真分析以及芯片加工工艺流程与工艺参数的制定。具体研究内容如下:
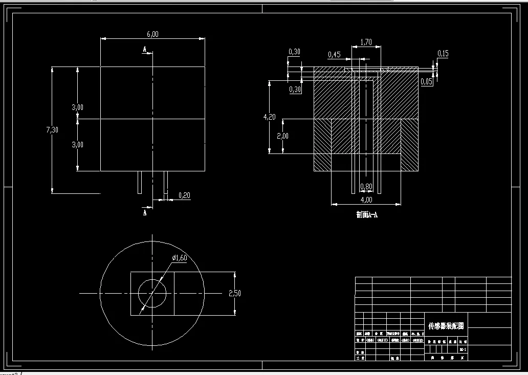
首先,根据灵敏度原则与线性原则,利用材料力学相关理论,设计了芯片的尺寸,并且根据ANSYS仿真结果进行了敏感膜片的结构选型。除此以外,还确定了压敏电阻的阻值、尺寸以及布置方案。之后,针对传感器的封装方案进行了设计,在结构上采用无引线封装方式,在材料上选用AlN为封装基体,玻璃胶为粘合材料。
接着,对于上述设计的传感器,进行输出特性、谐响应以及热效应仿真分析。通过有限元仿真与路径积分的方法得到传感器的灵敏度为76.59mV/MPa,线性度为与0.67%。利用ANSYS进行了芯片的模态分析,得到其前六阶振型与固有频率。并且以模态分析的结果为基础进行了谐响应分析,得到了芯片的振幅响应。利用ANSYS仿真分析了芯片在常温下工作时的热效应,同时还针对封装后的芯片在高温下的热应力进行了仿真分析。从仿真结果可以看出,所设计的芯片的尺寸结构以及封装方案在高温环境下能够保证传感器的工作性能。
最后,针对芯片的加工工艺展开了研究。主要确定了芯片加工的具体工艺流程、加工方法以及目标参数。深入探索了同质外延掺杂、深刻蚀与浅刻蚀、欧姆接触这几项关键工艺。设计并且绘制了在光刻工艺中需要用到的掩膜版版图。
关键词:碳化硅,高温,压力传感器,输出特性,加工工艺
目录
第1章 引言 1
1.1研究背景 1
1.2国内外研究现状 2
1.2.1压力传感器发展历史 2
1.2.2 SiC高温压力传感器研究现状 3
第2章 传感器芯片与封装设计 5
2.1引言 5
2.2压阻式传感器的原理 5
2.2.1压阻效应 5
2.2.2小挠度薄板理论 6
2.2.3惠斯通电桥 6
2.3压力芯片的设计 7
2.3.1敏感膜片尺寸设计 7
2.3.2敏感膜片结构选型 8
2.3.3压敏电阻设计 10
2.4 封装设计 12
2.4.1封装要求 12
2.4.2封装方案 13
第3章 传感器性能仿真分析 14
3.1引言 14
3.2传感器输出特性仿真分析 14
3.3传感器芯片谐响应仿真分析 17
3.4传感器热效应仿真分析 19
3.4.1芯片热分析 19
3.4.2封装芯片热应力分析 21
第4章 制造工艺与版图设计 25
4.1引言 25
4.2工艺流程设计 25
4.3关键加工工艺研究 27
4.3.1同质外延掺杂 27
4.3.2深刻蚀与浅刻蚀 28
4.3.3欧姆接触 30
4.4掩膜版版图设计 31
第5章 结论 34
5.1研究结果 34
5.2工作展望 35
参考文献 36
致谢 38
温馨提示:
1、题目前面的备注【字母数字编号】为本站整理分类的编号,与课题内容无关,请选题时忽视;
2、若题目上备注三维,则表示文件里包含三维源文件,由于三维组成零件数量较多,为保证预览截图的简洁性,本站将三维文件夹进行了打包。三维及CAD预览截图,均为本站电脑打开软件进行截图的,保证能够打开,下载原件超高清,下载后解压即可;
3、本站所有资源如无特殊说明,都需要本地电脑安装Office2007。图纸软件为AutoCAD,PROE,UG,SolidWorks,CATIA等;
4、本站所有图文资料仅供用户学习参考,不作为任何商用或其他用途;
5、本站不保证下载资源的准确性、安全性和完整性, 不包修改,不支持退换,同时也不承担用户因使用这些下载资源对自己和他人造成任何形式的伤害或损失;
6、 下载文件中如有侵权或不适当内容,请与我们联系,我们立即纠正。