

作品包括:
Word版说明书1份,共34页,约11000字
CAD版本图纸,共8张

摘 要
随着我国工业的快速增长,与之配套的货物箱式升降机生产制造业也一路高歌。我国不但是全球最大的货物箱式升降机市场,而且形成了全球最强的货物箱式升降机生产能力。中国的货物箱式升降机虽然生产能力第一,甚至出口也第一,但由于缺乏自主的知识产权和核心技术,产品的附加价值不高,利润非常低。国内货物箱式升降机产量的大部分是被几大国际货物箱式升降机巨头在中国的合资工厂所生产的,而这些生产的货物箱式升降机的核心部件(控制系统)的技术和版权又都把握在国外公司手中,利润基本被国外公司取走。
随着微处理器和微型计算机的问世,电子计算机已深深介入机械制造的各个领域,诞生了一系列机、电、计算机遗体化的新产品。由于科技的快速发展,使得那种仅靠手工操作的、低效率生产的道路已不再适应社会的发展需求,达不到人们日益增长的产品的需要。因此,智能化的产品已在现在市场占领了一定的市场,并将成为未来社会的主流。
关键字:升降机 机械制造 效率 计算机
目录
摘 要 I
Abstract II
绪论 III
1传动总体方案的选择与设计基本参数 1
1.1 任务分析及方案比较 1
1.2驱动电机的选择 4
2 传动系统的设计与计算 7
2.1 驱动原理 7
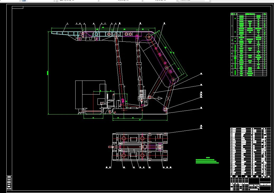
2.2 传动简图 7
2.3 减速机参数的选择 7
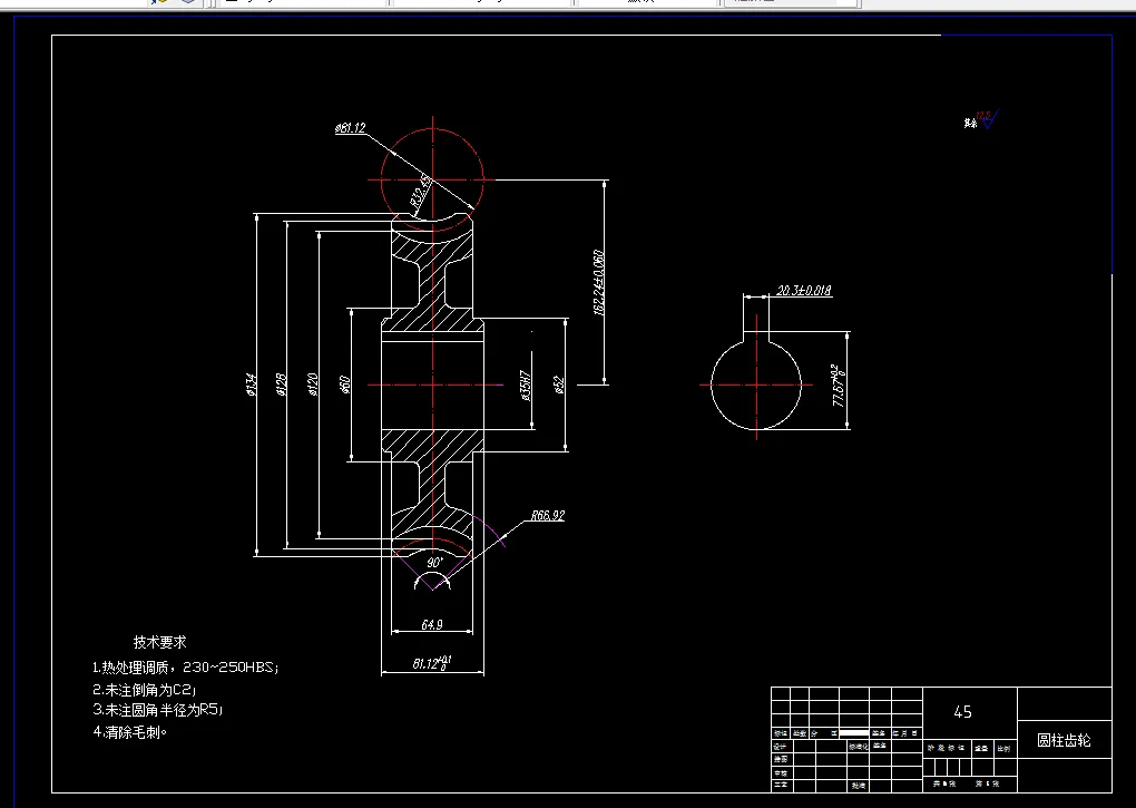
2.5齿轮齿条的设计校核 9
3 导轨架的设计与校核 12
3.1.导轨架选择 12
3.1.1导轨架的选择与说明 12
3.1.2导轨架标准节的实际图与简图 12
3.2 导轨架的强度校核 13
3.2.1 导轨架的受力分析 13
3.2.2 导轨架的强度计算 13
3.2.3 导轨架最大挠度(变形量)的计算 14
3.3 导轨架附墙系统的设计选型 14
3.4 导轨架预埋件的选择设计 15
4 轿厢设计与计算 17
4.1 轿厢下横梁的强度校核 17
4.2 轿厢下横梁最大挠度计算 17
4.3 轿厢纵梁最大挠度计算 18
4.4 导轮连接螺栓的强度校核 19
5 弹簧缓冲器的设计 20
5.1 弹簧缓冲器的验算 20
5.2 弹簧的验算 20
6 行程分析与速度控制 22
6.1速度与时间坐标图 22
6.2 速度的控制 22
7 防坠安全系统的设计 23
7.1防坠安全器的作用 23
7.2防坠安全器的结构原理 23
7.3防坠安全器示意 23
7.4防坠安全器的技术要求 24
8 升降机的安装 26
8.1安装前的准备工作 26
8.2 升降机安装的安装顺序 26
9 小结 27
10致谢词 29
11参考文献 30
温馨提示:
1、题目前面的备注【字母数字编号】为本站整理分类的编号,与课题内容无关,请选题时忽视;
2、若题目上备注三维,则表示文件里包含三维源文件,由于三维组成零件数量较多,为保证预览截图的简洁性,本站将三维文件夹进行了打包。三维及CAD预览截图,均为本站电脑打开软件进行截图的,保证能够打开,下载原件超高清,下载后解压即可;
3、本站所有资源如无特殊说明,都需要本地电脑安装Office2007。图纸软件为AutoCAD,PROE,UG,SolidWorks,CATIA等;
4、本站所有图文资料仅供用户学习参考,不作为任何商用或其他用途;
5、本站不保证下载资源的准确性、安全性和完整性, 不包修改,不支持退换,同时也不承担用户因使用这些下载资源对自己和他人造成任何形式的伤害或损失;
6、 下载文件中如有侵权或不适当内容,请与我们联系,我们立即纠正。