

作品包括:
Word版说明书1份,共34页,约9100字
任务书一份
CAD版本图纸,共5张

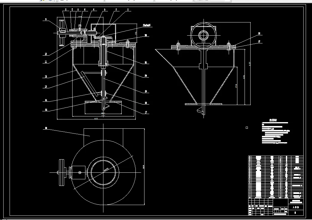
摘要:螺旋榨油机过去是现在仍然是油脂生产中的一台主机。就是在近代的浸出法制油中队高含油份油料大多采用还是预榨—— 浸出工艺方法来制备油脂,所以预榨机——螺旋榨油机仍然是油脂工业生产中的重要部件。螺旋榨油机的结构直接影响到油脂生产的数量和质量。而榨油机的工作部分是螺旋轴和榨笼构成,料胚经过螺旋轴和榨笼之间的空间——炸膛,而受到压榨。所以它们是榨油机的“心脏”,它们的结构直接影响到榨油机的性能。本文通过了解压榨机的资料,然后比对压榨机的结构,设计其结构,螺杆的设计是整个设计的主体,通过对压榨物质和生产量的取定,得出螺旋杆的设计过程,本文的传动采用两级减速传动,使机器运作稳定。通过对整机功率,转矩,最后定出电机。还要对整个设计重要部件做出校核,能够让机器正常运作。
关键词: 榨油机;榨笼;;生产量;校核
目录
第一章 绪论 4
1: 工作原理 5
2:设计榨油机的程序 6
3:准备阶段 6
4:方案设计阶段 6
5: 技术设计阶段 7
第三章 螺旋榨油机的结构设计 9
1 :榨螺轴的设计 9
2 :榨笼的构造 9
3 :齿轮箱的构造及入料器的构造 9
4 : 调节装置的设计 9
第四章 螺旋榨油机主要参数的确定 10
4.1:螺杆的设计及其校核 10
4.2:齿轮传动部分设计 18
4.2.1:Ⅰ轴和Ⅱ轴啮合齿轮的计算•••••••••••••••••••••••••••••••••••••••••18
4.2.2:轴的选用及强度计算和校核•••••••••••••••••••••••••••••••••••••••••••23
4.3:带传动的设计计算 25
4.3.1平型带轮的设计 25
4.4螺旋式压榨机的电动机选择 28
第五章 各轴承及键的选择及有关校核 29
1:键的选择设计 29
2:轴承的设计 30
3:滚动轴承的选择 31
第六章 结束语 33
温馨提示:
1、题目前面的备注【字母数字编号】为本站整理分类的编号,与课题内容无关,请选题时忽视;
2、若题目上备注三维,则表示文件里包含三维源文件,由于三维组成零件数量较多,为保证预览截图的简洁性,本站将三维文件夹进行了打包。三维及CAD预览截图,均为本站电脑打开软件进行截图的,保证能够打开,下载原件超高清,下载后解压即可;
3、本站所有资源如无特殊说明,都需要本地电脑安装Office2007。图纸软件为AutoCAD,PROE,UG,SolidWorks,CATIA等;
4、本站所有图文资料仅供用户学习参考,不作为任何商用或其他用途;
5、本站不保证下载资源的准确性、安全性和完整性, 不包修改,不支持退换,同时也不承担用户因使用这些下载资源对自己和他人造成任何形式的伤害或损失;
6、 下载文件中如有侵权或不适当内容,请与我们联系,我们立即纠正。