

作品包括:
Word版设计说明书1份
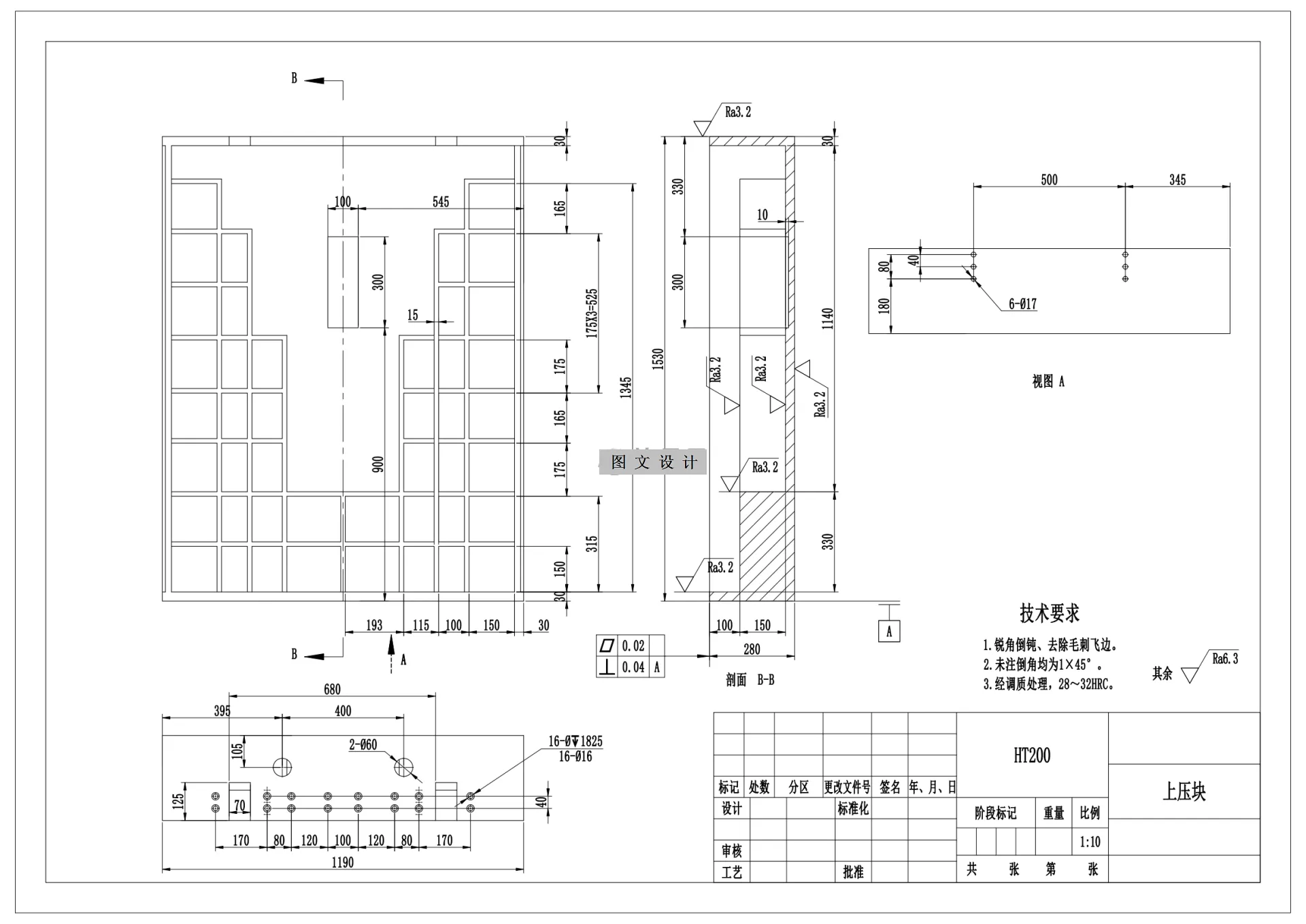
CAD版本图纸,共18张
摘要
废旧饮料瓶体积大且蓬松,占据大量空间,压实捆扎后的塑料饮料瓶密度增加、形态规整,有利于后续的塑料再生加工,均匀紧实的捆包更便于融化和再造粒等处理过程,减少因瓶子形状不规则或空气残留等问题导致的加工困难,提高再生塑料的质量。 设计压实捆扎机能将其压缩成紧实的捆包,显著减少存储空间需求,使回收运输环节更高效,压实捆扎机可以提高资源回收效率、优化回收流程、提升塑料再利用价值,并推动相关科技领域的进步和创新。 通过了解压实捆扎机的应用情况,提出了具体的设计要求,拟定系统方案,完成压实捆扎机的详细机械结构,包括上压组件、下压组件、推料组件、机架等及相关必要附件,同时对现有的机械结构提出了新的改善,将目前的新技术应用到本课题中,使压实捆扎机更适合现在的工业作业环境。
温馨提示:
1、题目前面的备注【字母数字编号】为本站整理分类的编号,与课题内容无关,请选题时忽视;
2、若题目上备注三维,则表示文件里包含三维源文件,由于三维组成零件数量较多,为保证预览截图的简洁性,本站将三维文件夹进行了打包。三维及CAD预览截图,均为本站电脑打开软件进行截图的,保证能够打开,下载原件超高清,下载后解压即可;
3、本站所有资源如无特殊说明,都需要本地电脑安装Office2007。图纸软件为AutoCAD,PROE,UG,SolidWorks,CATIA等;
4、本站所有图文资料仅供用户学习参考,不作为任何商用或其他用途;
5、本站不保证下载资源的准确性、安全性和完整性, 不包修改,不支持退换,同时也不承担用户因使用这些下载资源对自己和他人造成任何形式的伤害或损失;
6、 下载文件中如有侵权或不适当内容,请与我们联系,我们立即纠正。