

作品包括:
Word设计说明书1份
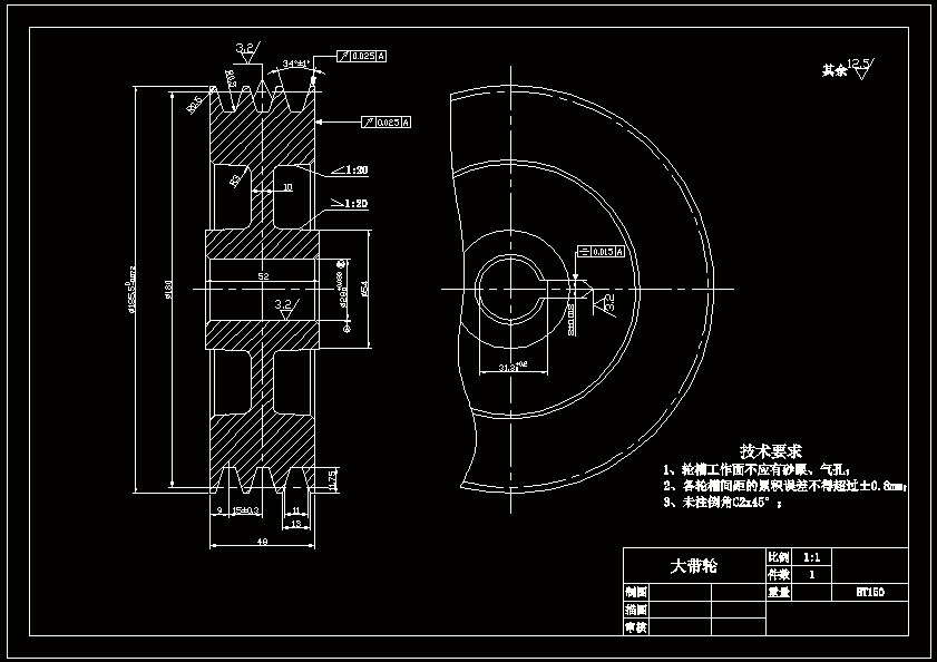
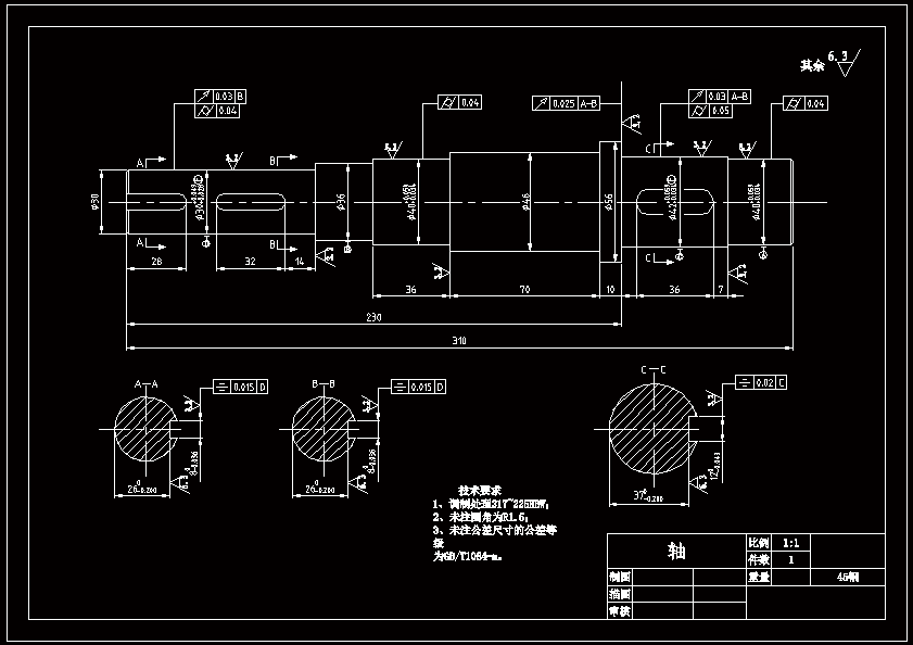
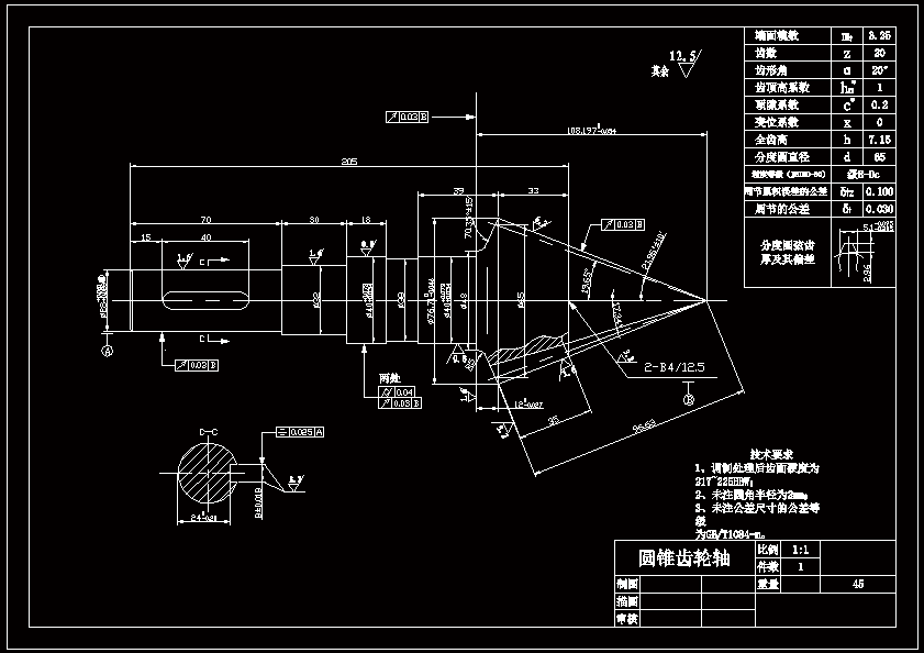
CAD版本图纸,共10张
摘要
管材广泛应用于机械制造,建筑工程,压力容器,民用家电等行业,以及材料的工艺处理后的基础管,材料精密的工艺下,效率的高低直接影响到产品的质量和质量成本。由此可见,影响管材应用的重要环节是管材的切割技术。 管道切割砂轮切割机,一般较为常用但使用较吃力,难以保证质量,同时会产生尖锐的噪音,从砂轮磨损掉的灰尘进入空气,有一股刺鼻的气味。本次设计要求设计可以克服这些缺点,简单方便的切管装置。
温馨提示:
1、题目前面的备注【字母数字编号】为本站整理分类的编号,与课题内容无关,请选题时忽视;
2、若题目上备注三维,则表示文件里包含三维源文件,由于三维组成零件数量较多,为保证预览截图的简洁性,本站将三维文件夹进行了打包。三维及CAD预览截图,均为本站电脑打开软件进行截图的,保证能够打开,下载原件超高清,下载后解压即可;
3、本站所有资源如无特殊说明,都需要本地电脑安装Office2007。图纸软件为AutoCAD,PROE,UG,SolidWorks,CATIA等;
4、本站所有图文资料仅供用户学习参考,不作为任何商用或其他用途;
5、本站不保证下载资源的准确性、安全性和完整性, 不包修改,不支持退换,同时也不承担用户因使用这些下载资源对自己和他人造成任何形式的伤害或损失;
6、 下载文件中如有侵权或不适当内容,请与我们联系,我们立即纠正。