

作品包括:
Word版说明书1份,共27页,约12000字
CAD版本图纸,共7张
摘要:后桥传动副是载重汽车传动中最重要的部件组成。后桥传动副主要包括主减速器、差速器、半轴及半轴齿轮。
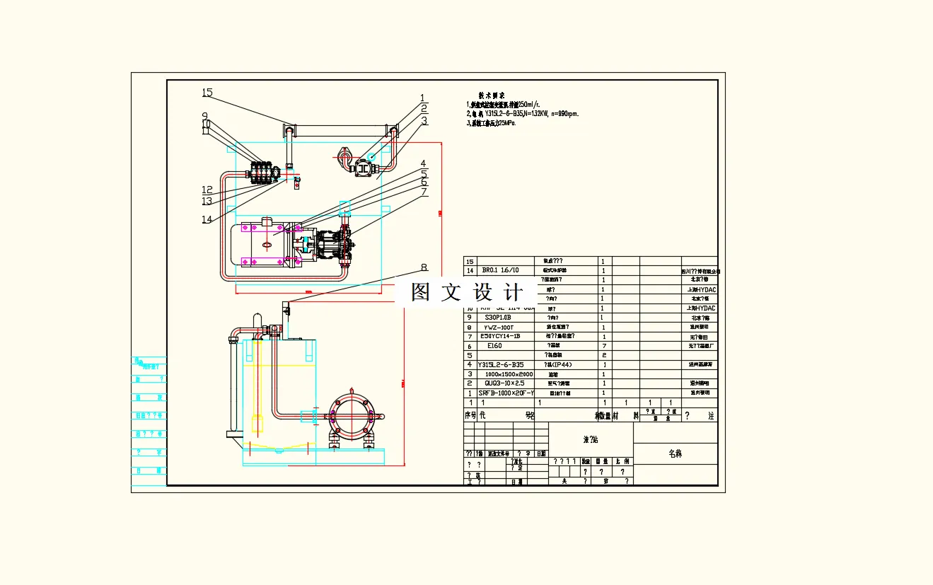
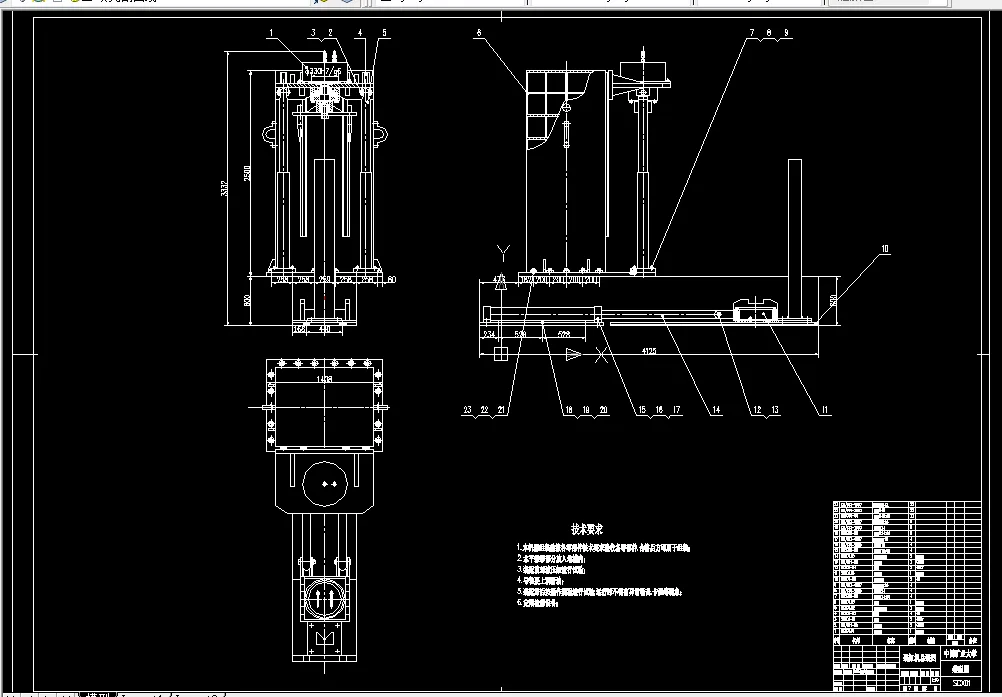
本次设计的内容包括有:主要围绕差速器、半轴齿轮及半轴进行设计,文中先是介绍了主减速器、差速器、半轴的种类、作用及原理,选取了螺旋圆锥-圆柱斜齿轮双级主减速器,普通对称式圆锥行星齿轮差速器以及全浮式半轴。然后对差速器、半轴的参数进行了计算,并进行了强度的分析。用AutoCAD软件绘制出了主减速器从动圆柱斜齿轮、行星齿轮、行星齿轮轴、差速器壳、半轴及半轴齿轮的零件图及相应的装配图。
关键词:载重汽车,后桥,差速器,半轴,半轴齿轮
目 录
1 引言……………………………………………………………………………… 1
1.1 车桥概述………………………………………………………………… 1
1.2 车桥的组成及作用…………………………………………………………… 2
2 后桥传动副各组成部分的功用及选取………………………………………… 3
2.1 主减速器的选取……………………………………………………………… 3
2.2 差速器的作用及选取………………………………………………………… 4
2.2.1 差速器的功用……………………………………………………………… 4
2.2.2 差速器的结构形式选择…………………………………………………… 5
2.2.3 对称式圆锥行星齿轮差速器的作用原理………………………………… 6
2.3 半轴的功用及选取 ………………………………………………………… 8
2.3.1 半轴的作用……………………………………………………………………8
2.3.2 半轴的形式选择…………………………………………………………… 8
3 后桥传动副各组成部分的设计………………………………………………… 9
3.1 二级斜齿圆柱齿轮参数……………………………………………………… 9
3.2 CA1092载重汽车对称式圆锥行星齿轮差速器的设计 …………………… 10
3.2.1 差速器齿轮的基本参数选择………………………………………………10
3.2.2 差速器齿轮的几何尺寸………………………………………………… 12
3.2.3 差速器材料的选择……………………………………………………… 14
3.2.4 行星齿轮轴的设计……………………………………………………… 14
3.2.5 差速器壳的设计………………………………………………………… 14
3.2.6 差速器齿轮的强度计算………………………………………………… 15
3.3 半轴的设计计算………………………………………………………………17
3.3.1 全浮式半轴计算载荷的确定………………………………………………17
3.3.2 全浮式半轴杆部直径的初选………………………………………………18
3.3.3 半轴的强度计算……………………………………………………………18 3.3.4 半轴的结构设计及材料与热处理…………………………………………19
4 结论………………………………………………………………………………19
参考文献 ……………………………………………………………………………21
致谢………………………………………………………………………………… 22
温馨提示:
1、题目前面的备注【字母数字编号】为本站整理分类的编号,与课题内容无关,请选题时忽视;
2、若题目上备注三维,则表示文件里包含三维源文件,由于三维组成零件数量较多,为保证预览截图的简洁性,本站将三维文件夹进行了打包。三维及CAD预览截图,均为本站电脑打开软件进行截图的,保证能够打开,下载原件超高清,下载后解压即可;
3、本站所有资源如无特殊说明,都需要本地电脑安装Office2007。图纸软件为AutoCAD,PROE,UG,SolidWorks,CATIA等;
4、本站所有图文资料仅供用户学习参考,不作为任何商用或其他用途;
5、本站不保证下载资源的准确性、安全性和完整性, 不包修改,不支持退换,同时也不承担用户因使用这些下载资源对自己和他人造成任何形式的伤害或损失;
6、 下载文件中如有侵权或不适当内容,请与我们联系,我们立即纠正。