V468-电脑支架冲压工艺及模具设计
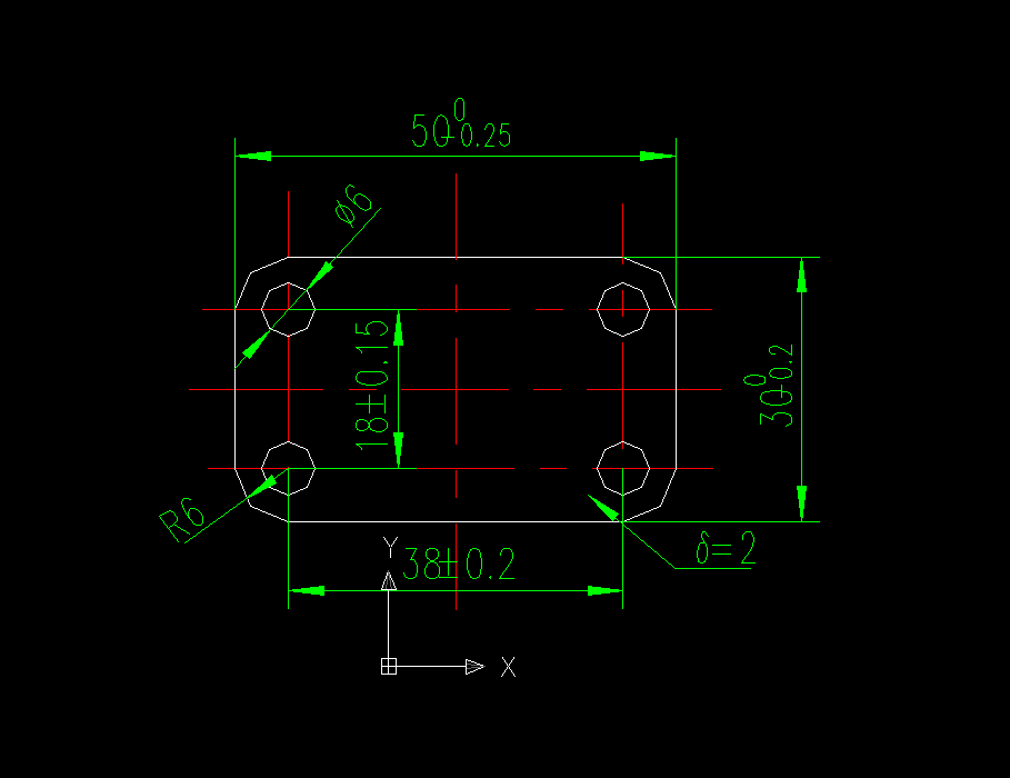
V459-四孔方板垫片冲压模具设计-长50
V458-圆形盒盖的注塑模具设计
V446-压圈冲压模具设计
V384-导电片级进模的设计
V326-锉刀柄铜套复合拉深模设计
V316-花插座底盘的注塑模的设计
V267-塑料插座的注射模具设计
V164-塑料水杯的模具设计与加工
V163-手机外壳的注塑模具设计与加工[含UG三维图]
V162-塑料带轮模流分析及模具设计
V153-嵌件板级进模设计
V152-支撑板冷冲压工艺及级进模设计
V143-深筒件的冲压工艺及模具设计
V142-锁芯套冷冲压工艺及级进模设计
V141-基于CADCAM的复合冲压模具设计
V125-止转垫板冷冲压工艺及其连续模设计-孔距23
V124-轴端盖罩冷冲压工艺及模具设计-长35
V123-轴承保持架的冲压模具设计
V122-侧弯支架冷冲压工艺及级进模设计