

作品包括:
Word设计说明书1份
任务书一份
开题报告一份
外文翻译一份
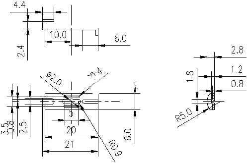
CAD版本图纸,共14张

摘要
支架零件冲压模具设计冲裁模是冲压模中使用最广泛的一种。它由凸模及凹模组成一组刃口,在冲压力的作用下,使板料分离,得到所需形状和尺寸的平片毛坯或制件。通过冲裁模具来完成分离工序的零件,一般互换性比较好。零件尺寸容易控制,只要上模和下模尺寸准确,间隙均匀一致,冲裁落料出的零件或冲裁冲出的孔,都会有良好的互换性。
375364
温馨提示:
1、题目前面的备注【字母数字编号】为本站整理分类的编号,与课题内容无关,请选题时忽视;
2、若题目上备注三维,则表示文件里包含三维源文件,由于三维组成零件数量较多,为保证预览截图的简洁性,本站将三维文件夹进行了打包。三维及CAD预览截图,均为本站电脑打开软件进行截图的,保证能够打开,下载原件超高清,下载后解压即可;
3、本站所有资源如无特殊说明,都需要本地电脑安装Office2007。图纸软件为AutoCAD,PROE,UG,SolidWorks,CATIA等;
4、本站所有图文资料仅供用户学习参考,不作为任何商用或其他用途;
5、本站不保证下载资源的准确性、安全性和完整性, 不包修改,不支持退换,同时也不承担用户因使用这些下载资源对自己和他人造成任何形式的伤害或损失;
6、 下载文件中如有侵权或不适当内容,请与我们联系,我们立即纠正。