

作品包括:
Word版说明书1份,共49页,约15000字
工序卡片11张
工艺过程卡1张
CAD版本图纸,共5张
![1697682543986492.webp BFTQQ5BM`R_CGS]`08]Q6}R.webp](/static/upload/image/20231019/1697682543986492.webp)
摘 要
我所分配的任务为柴油机气缸盖零件工艺规程及其专用夹具设计,从课题可以看出我的设计整体分为两部分即柴油机气缸盖零件工艺规程、专用夹具设计。
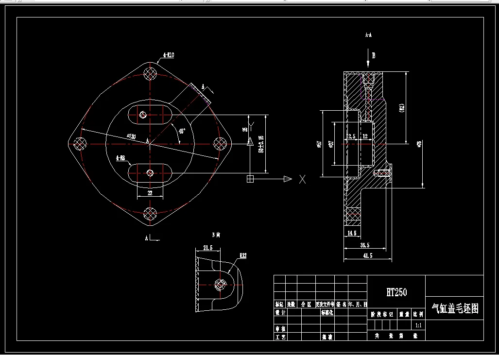
柴油机气缸盖零件工艺规程又分为零件分析、毛坯选择、机床刀具确定及切削工时计算。零件分析主要介绍柴油机气缸盖作用及加工表面、孔;因柴油机气缸盖材料HT250,所以柴油机气缸盖毛坯为铸件;柴油机气缸盖加工采用机床为立式铣床X52K和立式钻床Z525,刀具为端面铣刀、立铣刀、麻花钻和丝锥;切削工时的计算就有些复杂,需要参考机床参数,刀具参数、切削深度和柴油机气缸盖转速等。
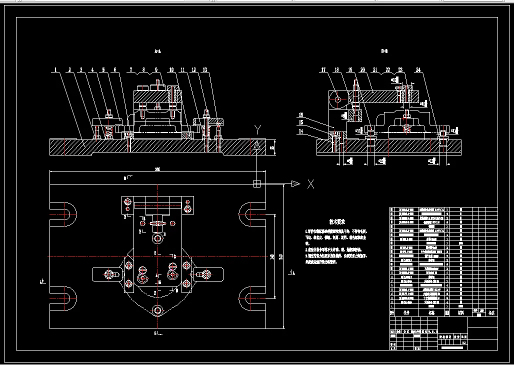
专用夹具设计在这里我选择加工M6螺纹孔,夹具设计分为定位机构、夹紧机构和导向机构。柴油机气缸盖钻攻M6螺纹孔夹具定位采用后端面和两个Ф11孔定位,对应的定位元件为支承板、A型固定式定位销和B型固定式定位销;夹紧则是采用移动压板机构;导向则是由快换钻套、衬套、钻模板来保证麻花钻位置。
关键词:柴油机气缸盖;工艺规程;钻攻M6螺纹孔夹具
目 录
摘 要 1
Abstract 2
1 绪论 3
1.1 课题的目的及意义 3
1.2 国内外发展动态 3
1.3 主要研究内容 4
2 工艺规程设计 5
2.1 柴油机气缸盖生产类型 5
2.2 零件分析 6
2.3确定毛坯制定形式 6
2.4基准选择 8
2.4.1精基准选择 8
2.4.2粗基准选择 8
2.5工艺规程设计 9
2.5.1表面加工方案选择 9
2.5.2加工阶段划分 9
2.5.3工序的集中与分散 10
2.6工序内容 11
2.6.1加工设备选择 11
2.6.2工序尺寸及公差 12
2.7 制定工艺路线 15
3 切削工时计算 18
第4章 钻M6螺纹孔夹具设计 42
4.1设计任务 42
4.2工件的定位方案分析 42
4.3定位误差分析 42
4.4夹紧方案分析 43
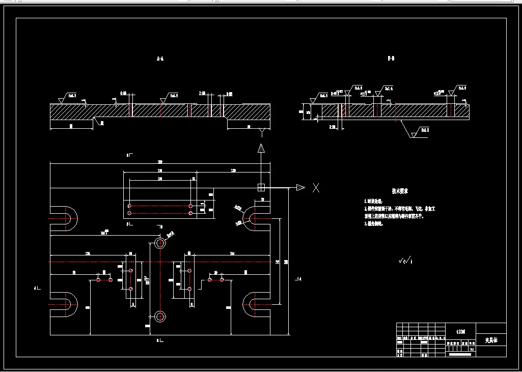
4.5夹具体设计及与机床的连接 43
4.6夹具的作用 44
总结 45
致谢 46
参考文献 47
温馨提示:
1、题目前面的备注【字母数字编号】为本站整理分类的编号,与课题内容无关,请选题时忽视;
2、若题目上备注三维,则表示文件里包含三维源文件,由于三维组成零件数量较多,为保证预览截图的简洁性,本站将三维文件夹进行了打包。三维及CAD预览截图,均为本站电脑打开软件进行截图的,保证能够打开,下载原件超高清,下载后解压即可;
3、本站所有资源如无特殊说明,都需要本地电脑安装Office2007。图纸软件为AutoCAD,PROE,UG,SolidWorks,CATIA等;
4、本站所有图文资料仅供用户学习参考,不作为任何商用或其他用途;
5、本站不保证下载资源的准确性、安全性和完整性, 不包修改,不支持退换,同时也不承担用户因使用这些下载资源对自己和他人造成任何形式的伤害或损失;
6、 下载文件中如有侵权或不适当内容,请与我们联系,我们立即纠正。