

作品包括:
说明书1份,共23页,约7700字左右
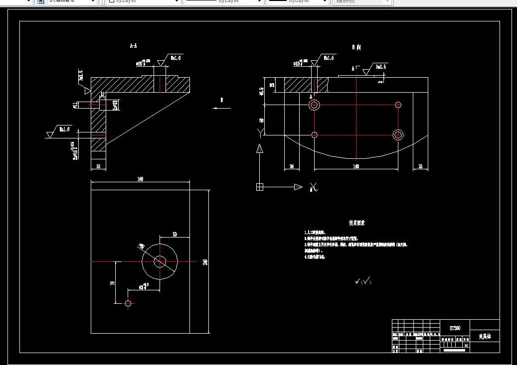
CAD版本本图纸,共4张

目 录
1 绪论 1
1.1本课题的研究背景及意义 1
1.2 本课题国内外研究概况 1
2 阀体零件加工工艺设计 3
2.1 零件的分析 3
2.1.1 零件的作用 3
2.1.2 分析零件的工艺 3
2.2 阀体零件基准的选择 4
2.2.1 确定粗基准 4
2.2.2 精基准 4
2.3 阀体零件加工工艺路线 5
2.4 毛坯的确定 6
2.5 确定用量及基本工时 6
3车B面对面及φ16孔系夹具设计 17
3.1问题的提出 17
3.2定位准则的选择 17
3.3定位分析 17
3.4切削力及夹紧力的计算 18
3.5定位误差分析 19
3.6夹具设计及操作简要说明 19
总结 20
参考文献 21
温馨提示:
1、题目前面的备注【字母数字编号】为本站整理分类的编号,与课题内容无关,请选题时忽视;
2、若题目上备注三维,则表示文件里包含三维源文件,由于三维组成零件数量较多,为保证预览截图的简洁性,本站将三维文件夹进行了打包。三维及CAD预览截图,均为本站电脑打开软件进行截图的,保证能够打开,下载原件超高清,下载后解压即可;
3、本站所有资源如无特殊说明,都需要本地电脑安装Office2007。图纸软件为AutoCAD,PROE,UG,SolidWorks,CATIA等;
4、本站所有图文资料仅供用户学习参考,不作为任何商用或其他用途;
5、本站不保证下载资源的准确性、安全性和完整性, 不包修改,不支持退换,同时也不承担用户因使用这些下载资源对自己和他人造成任何形式的伤害或损失;
6、 下载文件中如有侵权或不适当内容,请与我们联系,我们立即纠正。