

作品包括:
Word版说明书1份,共30页,约9300字
铸造工艺卡1张
CAD版本图纸,共6张

目录
1 前 言 1
1.1铸造工艺技术的发展与应用介绍 1
1.2本文的研究内容 1
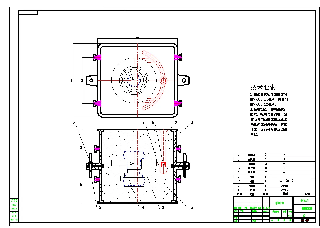
2 零件结构及技术要求 3
2.1零件的结构 3
2.2铸造方法及砂型选择 5
2.2.1铸造方法的选择 5
2.2.2型砂、芯砂类型的选择 5
2.3 阀盖材质 6
3 阀盖铸造工艺方案 7
3.1浇注位置的选择 7
3.2分型面的确定 8
3.3合箱面与吃砂量确定 10
3.4阀盖砂型铸造工艺参数确定 11
3.4.1 铸件尺寸公差选择 11
3.3.2 最小铸出孔及槽的选择 12
3.3.3 机械加工余量的选择 13
3.3.4 铸件收缩率 13
3.3.5 起模斜度 14
4 浇注系统的设计 15
4.1浇注系统类型选择 15
4.2浇注系统尺寸的设计 16
4.3冒口的设计 20
5 铸造砂箱、模样和芯盒的设计 21
5.1设计和选用砂箱的基本原则 21
5.2砂箱类型的选择 21
5.3芯盒的设计 22
5.4模样图设计 24
6 结 论 26
7 致 谢 27
参考文献 28
温馨提示:
1、题目前面的备注【字母数字编号】为本站整理分类的编号,与课题内容无关,请选题时忽视;
2、若题目上备注三维,则表示文件里包含三维源文件,由于三维组成零件数量较多,为保证预览截图的简洁性,本站将三维文件夹进行了打包。三维及CAD预览截图,均为本站电脑打开软件进行截图的,保证能够打开,下载原件超高清,下载后解压即可;
3、本站所有资源如无特殊说明,都需要本地电脑安装Office2007。图纸软件为AutoCAD,PROE,UG,SolidWorks,CATIA等;
4、本站所有图文资料仅供用户学习参考,不作为任何商用或其他用途;
5、本站不保证下载资源的准确性、安全性和完整性, 不包修改,不支持退换,同时也不承担用户因使用这些下载资源对自己和他人造成任何形式的伤害或损失;
6、 下载文件中如有侵权或不适当内容,请与我们联系,我们立即纠正。