

作品包括:
Word版说明书1份,共43页,约15000字
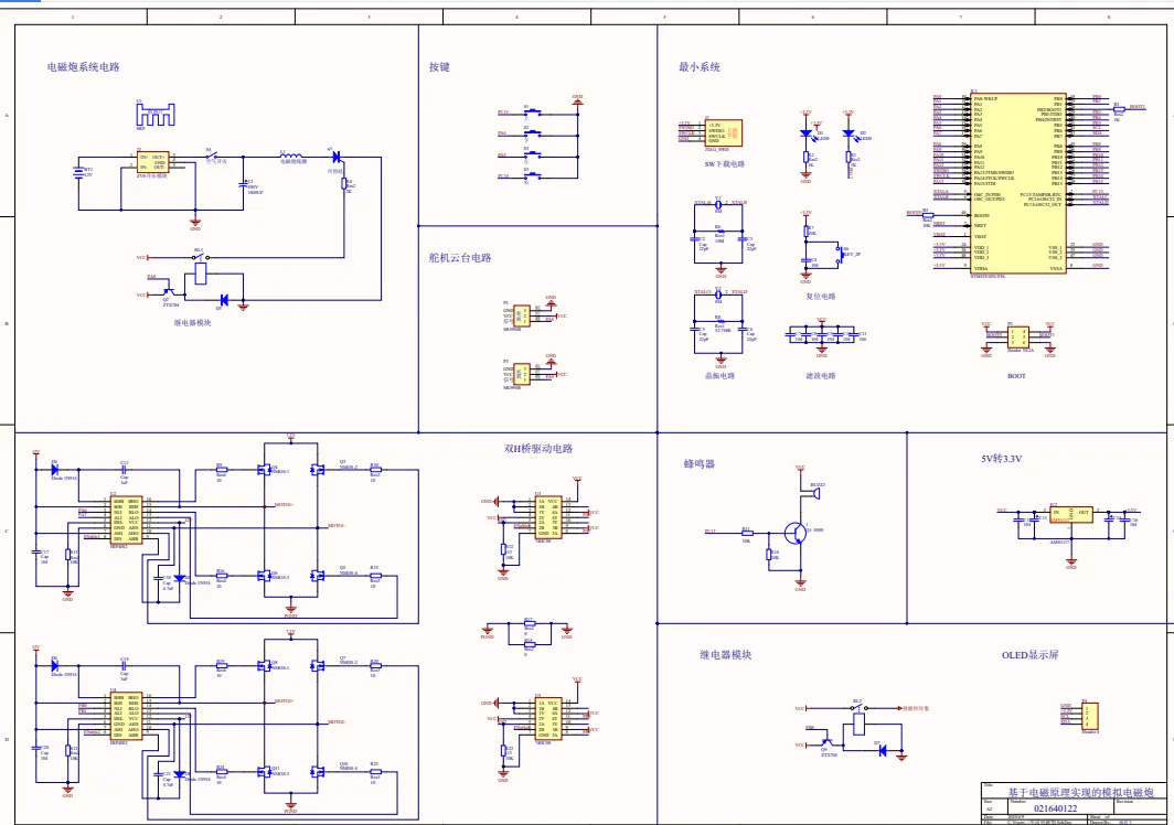
原理图一份
基于电磁原理实现的电磁炮
摘要:该设计的灵感来源于我大三时参加的2019年全国大学生电子设计大赛,主要设计的是一个舵机云台和小车带动电磁炮瞄准射击的过程。小车可以带动电磁炮系统到指定位置,舵机云台控制电磁炮炮口方向,单片机向继电器和可控硅输出发射信号,弹丸在炮管磁场中受洛伦兹力被击出。
本设计是利用电磁感应原理产生电磁场给弹丸一个磁场力,确定目标的位置后,由主控芯片STM32单片机输出PWM控制小车运行到指定地点,同时驱动舵机云台调节电磁炮的俯仰角及水平方向,同时打开直流电源开关对1000uF电容进行充电。待电容充电完成后,由单片机对继电器以及可控硅发出指令,继电器吸合,电容对电磁炮线圈瞬间放电,电磁炮炮管内产生强大的磁场,弹丸在磁场中受洛伦兹力被发射出去。在电磁炮之外,本系统还扩展了很多外部辅助模块,无论是主控芯片的选择还是这些外部辅助模块的选择都需要我根据实际情况,考虑性能、性价比等先从众多选择中排除一部分,剩下两三个根据对比优缺点选择适合本系统的方案。
关键词:STM32单片机;电磁炮;舵机云台;PWM控制
目录
第1章 绪论 1
1.1 引言 1
1.2 论文工作目的、意义及研究现状 1
1.2.1 论文研究的目的和意义 1
1.2.2 国内外研究现状 2
第2章 总体设计方案 4
2.1系统总体设计 4
2.2 主控芯片的选择 4
2.3 云台控制方案设计 5
2.4 电磁炮控制方案设计 5
第3章 硬件电路设计 6
3.1 最小系统电路设计 6
3.2电磁炮系统电路设计 8
3.2.1 电磁炮的基本原理 8
3.2.2 电磁炮材质以及线圈匝数选择 9
3.2.3 电磁炮系统及发射电路设计 9
3.3双H桥驱动电路设计 11
3.4 键盘显示电路设计 12
3.5蜂鸣器电路的设计 13
第四章 软件设计 15
4.1主控模块单片机程序设计 15
4.2 电机驱动程序设计 15
4.3 云台控制程序设计 17
4.5 蓝牙信号处理程序设计 19
4.6 OLED显示程序设计 21
4.7实验与数据分析 23
4.5.1弹道分析 23
4.5.2 能量分析 24
4.5.3测试结果 24
第五章 环境保护与社会经济效益 25
5.1 系统选材与环境的影响 25
5.2 系统设计对社会可持续发展的影响 25
5.3 系统的经济效益分析 25
第六章 总结 26
致 谢 28
参考文献 29
附 录 30
附录1 程序清单 30
附录2 原理图 39
温馨提示:
1、题目前面的备注【字母数字编号】为本站整理分类的编号,与课题内容无关,请选题时忽视;
2、若题目上备注三维,则表示文件里包含三维源文件,由于三维组成零件数量较多,为保证预览截图的简洁性,本站将三维文件夹进行了打包。三维及CAD预览截图,均为本站电脑打开软件进行截图的,保证能够打开,下载原件超高清,下载后解压即可;
3、本站所有资源如无特殊说明,都需要本地电脑安装Office2007。图纸软件为AutoCAD,PROE,UG,SolidWorks,CATIA等;
4、本站所有图文资料仅供用户学习参考,不作为任何商用或其他用途;
5、本站不保证下载资源的准确性、安全性和完整性, 不包修改,不支持退换,同时也不承担用户因使用这些下载资源对自己和他人造成任何形式的伤害或损失;
6、 下载文件中如有侵权或不适当内容,请与我们联系,我们立即纠正。