

作品包括:
word说明书一份,共70页,约22000字
任务书一份
开题报告一份
CAD版本图纸,共9张
摘 要
变速器用来改变发动机传到驱动轮上的转矩和转速,目的是在原地起步、爬坡、转弯、加速等各种行驶工况下使汽车获得不同的牵引力和速度,同时使发动机在最有利的工况范围内工作。变速器设有空挡,可在起动发动机、汽车滑行或停车时使发动机的动力停止向驱动轮传输。变速器设有倒挡,使汽车获得倒退行驶能力。需要时,变速器还有动力输出功能。
本次设计任务是设计一款用于中型轿车的前置后驱式机械式五挡变速器。手动变速器具有结构简单、效率高、功率大、制造成本低等显著优点,所以在中国乘用车市场一直占据着汽车变速器的主导地位。本次设计拟采用中间轴式变速器,其显著优点是直接挡利用率较高,在其他前进挡位工作时一挡仍然有较大的传动比。但在其他前进挡位工作时其传动效率略有降低,同时由于其操作复杂,会使驾驶员产生疲劳感,噪声较大,这是它的缺点。
首先要选择发动机型号,确定发动机的最大功率、最大扭矩、最高转速等重要参数,然后根据上述参数选择最大及最小传动比,合理分配各挡传动比。结合运用汽车设计、汽车理论、机械设计、机械原理等知识,计算出变速器各个齿轮及轴的参数并校核其强度,论证设计方案的合理性,最后要画出变速器齿轮和轴的零件图。
关键词:变速器;传动比;齿轮;轴;计算;校核
目 录
摘要................................................................................................................................I
Abstract.........................................................................................................................II
第1章 绪论.................................................................................................................1
1.1 汽车变速器的概述...........................................................................................1
1.2 汽车变速器研究现状、发展趋势...................................................................1
1.2.1 国外研究现状........................................................................................1
1.2.2 国内研究现状........................................................................................4
1.3 汽车变速器设计的目的和意义.......................................................................5
1.4 汽车变速器的设计方法和研究内容...............................................................5
第2章 变速器主要参数的选择............................................................................7
2.1 变速器档数及各档传动比...............................................................................7
2.1.1 变速器档数的确定................................................................................7
2.1.2 主要技术参数........................................................................................7
2.1.3 主减速比的确定....................................................................................7
2.1.4 变速器一档传动比的确定....................................................................8
2.1.5 变速器各档传动比的确定..................................................................10
2.2 变速器中心距的确定.....................................................................................10
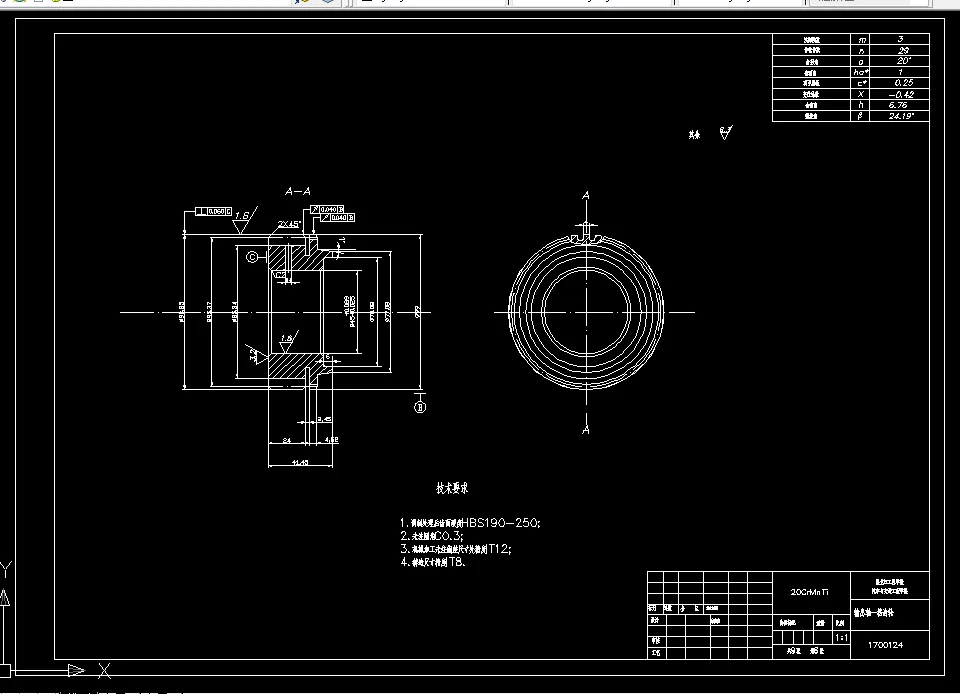
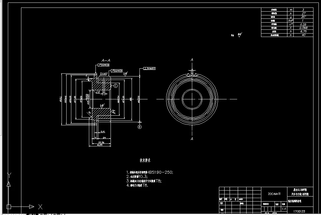
2.3 变速器各档齿轮参数的确定.........................................................................11
2.3.1 确定一档齿轮齿数..............................................................................11
2.3.2 对中心距A进行修正..........................................................................12
2.3.3确定常啮合传动齿轮的齿数...............................................................13
2.3.4 确定其他各档的齿数..........................................................................15
2.3.5 确定倒档齿轮齿数..............................................................................20
2.4 本章小结.........................................................................................................21
第3章 变速器齿轮的设计及校核.....................................................................22
3.1 齿轮的材料选择.............................................................................................22
3.1.1 齿轮损坏形式及避免方法..................................................................22
3.1.2 各档齿轮的材料选择..........................................................................23
3.2 计算各轴的转矩.............................................................................................24
3.3 齿轮的强度计算.............................................................................................24
3.3.1 轮齿的弯曲应力公式..........................................................................25
3.3.2 轮齿接触应力公式..............................................................................26
3.3.3 各档齿轮的强度计算及校核..............................................................28
3.4 各档齿轮的受力计算.....................................................................................35
3.5 本章小结.........................................................................................................38
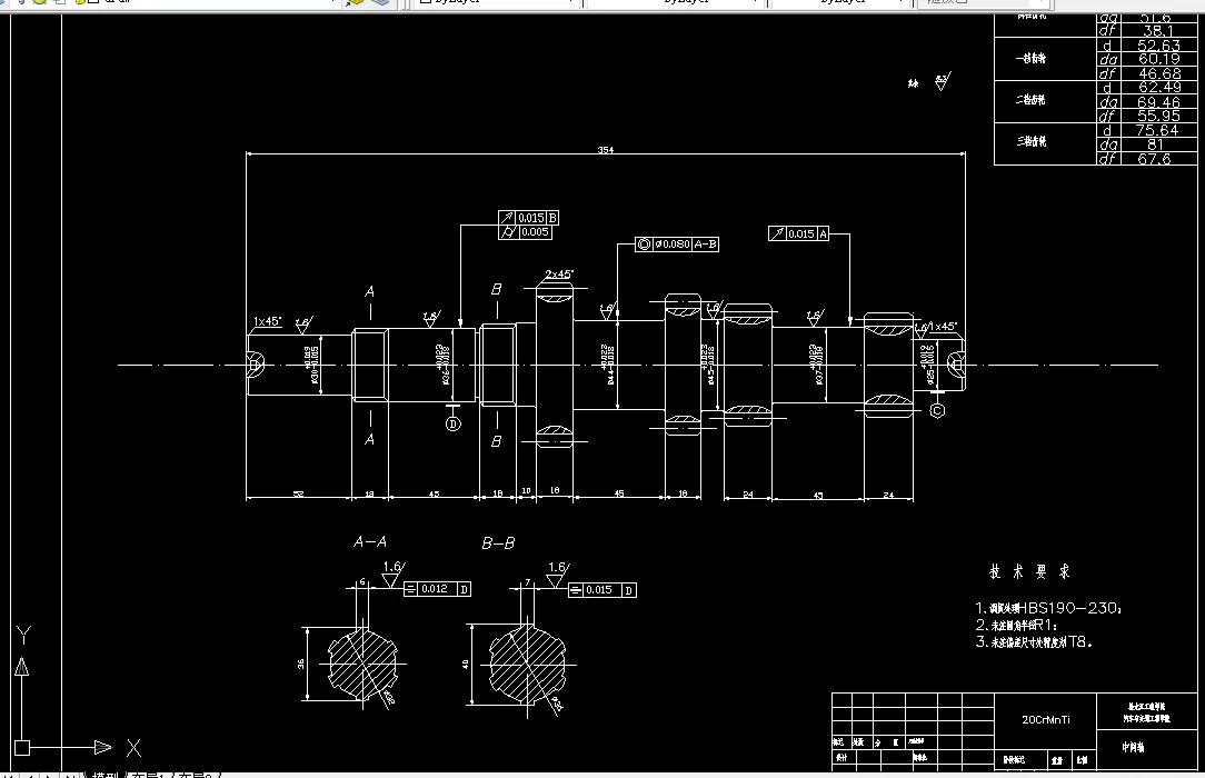
第4章 变速器轴和轴承的设计及校核............................................................39
4.1轴的设计..........................................................................................................39
4.1.1 轴的作用及其设计要求......................................................................39
4.1.2 轴的结构设计......................................................................................39
4.1.3 轴的尺寸计算......................................................................................40
4.2 轴的强度计算及校核..... ................................................................................41
4.2.1 轴的刚度计算及校核..........................................................................41
4.2.2 轴的强度计算及校核..........................................................................46
4.2.3 轴承的选择及校核..............................................................................50
4.3 本章小结.........................................................................................................52
第5章 同步器的确定............................................................................................53
5.1 锁销式同步器介绍.........................................................................................53
5.2 锁环式同步器介绍.........................................................................................54
5.3 本章小结.........................................................................................................55
第6章 操纵机构和箱体的确定..........................................................................56
6.1 操纵机构的功用.............................................................................................56
6.2 换档位置示意图.............................................................................................56
6.3 变速器箱体的设计.........................................................................................56
6.4 本章小结.........................................................................................................57
结论..............................................................................................................................58
参考文献.....................................................................................................................59
致谢..............................................................................................................................60
附录..............................................................................................................................6
温馨提示:
1、题目前面的备注【字母数字编号】为本站整理分类的编号,与课题内容无关,请选题时忽视;
2、若题目上备注三维,则表示文件里包含三维源文件,由于三维组成零件数量较多,为保证预览截图的简洁性,本站将三维文件夹进行了打包。三维及CAD预览截图,均为本站电脑打开软件进行截图的,保证能够打开,下载原件超高清,下载后解压即可;
3、本站所有资源如无特殊说明,都需要本地电脑安装Office2007。图纸软件为AutoCAD,PROE,UG,SolidWorks,CATIA等;
4、本站所有图文资料仅供用户学习参考,不作为任何商用或其他用途;
5、本站不保证下载资源的准确性、安全性和完整性, 不包修改,不支持退换,同时也不承担用户因使用这些下载资源对自己和他人造成任何形式的伤害或损失;
6、 下载文件中如有侵权或不适当内容,请与我们联系,我们立即纠正。