

作品包括:
Word版说明书1份,共32页,约11000字
CAD版本图纸,共6张
SW三维图一套
Proe三维图一套

摘 要
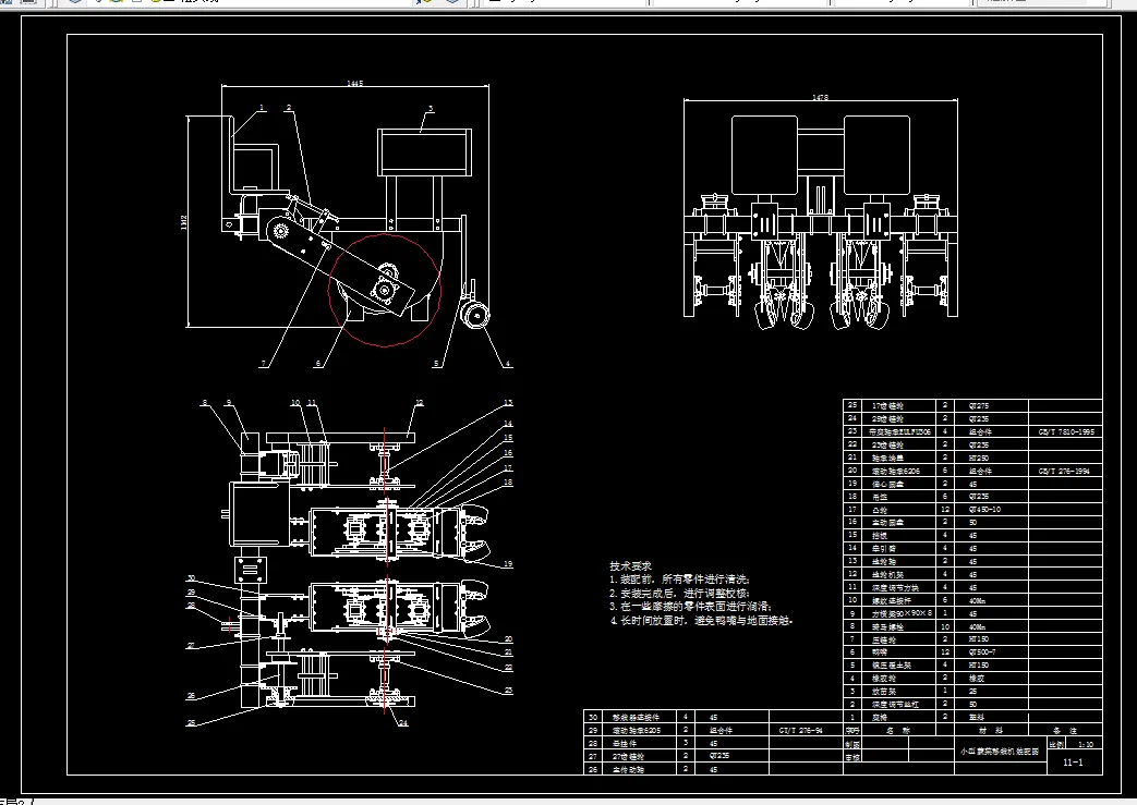
农业发展迅速,蔬菜移栽一直是劳动密集型而且劳动强度大。市面上蔬菜栽种机的种类繁多,而且结构不一,但是效果差别比较多。本次设计是在综合不同移栽机的基础上,设计一种移栽效果更好的移栽机,可以降低人力成本,减少劳动强度,所以本次设计对于综合提高移栽的效率具有很高的现实意义,同时应用前景广阔。
本次设计首先系统了解了目前蔬菜移栽机的主要类型组成以及发展的现状等等。通过分析了解确定了本次蔬菜移栽机的种类,本次设计的蔬菜移栽机的类型为吊杯式蔬菜移栽机。该种结构的特点是移栽效率高,而且结构相对简单。本次设计重点对该种蔬菜移栽机的总体进行了方案分析和设计,主要是传动结构的类型,总体的布置方式等。然后对主要的传动结构进行了设计计算,重点包括传动轴部分设计选型、链传动、移栽轮结构设计等。通过设计计算和分析,确定了各部分结构,然后对蔬菜移栽机进行了三维造型设计,确保设计的准确性,在此基础上完成了混料装置的工程图绘制。
关键词:蔬菜;移栽机;吊杯;传动;三维造型
目 录
摘 要 1
Abstract 3
目 录 3
1 绪 论 6
1.1 本课题作用和意义 6
1.2 国内外研究现状 7
1.2.1 国外研究状况 7
1.2.2 国内研究状况 7
1.3 未来发展趋势 8
1.4 尚待研究的问题 8
1.5 设计的主要内容 9
2 移栽机总体结构及主要零部件的设计 10
2.1 蔬菜移栽机的基本结构 10
2.2 小型蔬菜移栽机的传动原理 12
2.3 移栽器工作原理 12
2.4 主要设计参数 14
3 吊篮设计 14
3.1 吊篮运动分析 14
3.2 吊篮基本参数之间的关系 15
3.2.1 吊篮的基本参数 15
3.2.2 移栽频率 、株距 与拖拉机前进速度 的关系 16
4 传动比确定 17
4.1 总传动比、株距及地轮半径关系 17
4.2 链轮齿数的选择与移栽株距的确定 17
5 链轮设计 18
5.1 链轮选择及参数 18
5.2 链节数计算 19
6 凸轮设计 19
6.1 凸轮与鸭嘴的关系 19
6.2 凸轮导轨的设计 20
6.2.1 凸轮导轨的角度设计 20
6.2.2 凸轮导轨偏移量的设计原理 22
7 地轮轴的校核 24
7.1 地轮轴总体受力分析 24
7.2 地轮轴垂直面与水平面的支撑反力分析 24
7.3 地轮轴的校核计算 25
总 结 27
参考文献 28
致 谢 29
温馨提示:
1、题目前面的备注【字母数字编号】为本站整理分类的编号,与课题内容无关,请选题时忽视;
2、若题目上备注三维,则表示文件里包含三维源文件,由于三维组成零件数量较多,为保证预览截图的简洁性,本站将三维文件夹进行了打包。三维及CAD预览截图,均为本站电脑打开软件进行截图的,保证能够打开,下载原件超高清,下载后解压即可;
3、本站所有资源如无特殊说明,都需要本地电脑安装Office2007。图纸软件为AutoCAD,PROE,UG,SolidWorks,CATIA等;
4、本站所有图文资料仅供用户学习参考,不作为任何商用或其他用途;
5、本站不保证下载资源的准确性、安全性和完整性, 不包修改,不支持退换,同时也不承担用户因使用这些下载资源对自己和他人造成任何形式的伤害或损失;
6、 下载文件中如有侵权或不适当内容,请与我们联系,我们立即纠正。