

作品包括:
Word版说明书1份,共71页,约33000字
CAD版本图纸,共7张

摘 要
全方位移动式剪叉高空作业平台主要由移动底盘部分、升降机构与作业平台部、电控系统三大模块组成。首先,针对传统剪叉升降平台的灵活性、智能化等性能要求,阐述了论文研究的目的及意义,提出了基于Mecanum 轮的全方位移动式剪叉高空作业平台,分析了全方位移动式剪叉高空作业平台的研发现状与应用现状,确定本论文研究的主要内容。
其次,通过分析全方位移动底盘的全向运动机理,通过基于 Mecanum 轮的四轮全方位移动平台的运动学模型,指出了平台的运动方向与车轮受力之间的关系。选用合适的驱动电机并依据 PID 的控制原理,进行全方位移动平台速度控制器的设计。
再次,根据剪叉升降平台的原理进行相应机械结构的设计,通过对液压系统的研究设计两液压缸能够同步运行的液压回路并构建控制系统。
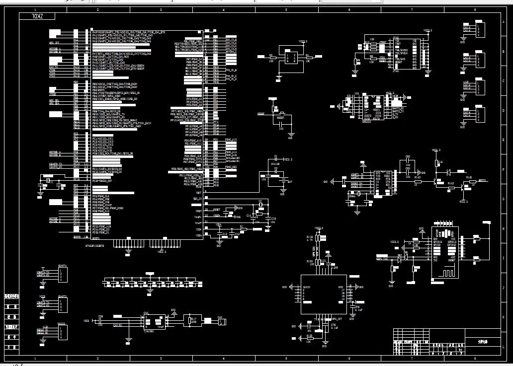
最后,依据全方位移动式剪叉高空作业平台的功能设计,选用了合适的传感器,并开发设计全方位移动式剪叉高空作业平台的嵌入式主控系统及相应的硬件电路,完成手持控制器的设计。
该论文有图58幅,表6个,参考文献40篇。
关键词:全方位移动;Mecanum轮;剪叉升降;电控系统;手持控制器
目 录
摘要 Ⅰ
目录 Ⅲ
1.1课题研究背景及意义 1
1.2国内外研究现状 3
1.3主要研究内容 9
2 Mecanum轮全方位移动平台运动控制研究 11
2.1 Mecanum轮全向运动原理分析 11
2.2 Mecanum轮全方位移动平台运动控制 12
2.3 Mecanum轮全方位移动平台动力单元选型 13
2.4 PID控制 19
2.5 Mecanum轮全方位移动平台速度控制器设计 21
2.6 本章小节 22
3 剪叉升降平台运动控制研究 23
3.1 剪叉升降平台剪叉结构设计 23
3.2 剪叉升降平台液压系统设计 25
3.3 剪叉升降平台控制系统研究 27
3.4 本章小结 29
4 传感器选型设计 30
4.1 编码器 30
4.2 倾角传感器 33
4.3 高度检测传感器 35
4.4 避障传感器 38
4.5 本章小结 39
5 全方位移动式剪叉升降高空作业平台电控系统设计 40
5.1 电控系统总体方案 40
5.2 硬件电路设计 41
5.3 本章小结 54
6 手持控制器设计 55
6.1 手持控制器功能设计 55
6.2 手持控制器硬件电路设计 56
6.3 本章小结 60
参考文献 61
翻译部分 64
温馨提示:
1、题目前面的备注【字母数字编号】为本站整理分类的编号,与课题内容无关,请选题时忽视;
2、若题目上备注三维,则表示文件里包含三维源文件,由于三维组成零件数量较多,为保证预览截图的简洁性,本站将三维文件夹进行了打包。三维及CAD预览截图,均为本站电脑打开软件进行截图的,保证能够打开,下载原件超高清,下载后解压即可;
3、本站所有资源如无特殊说明,都需要本地电脑安装Office2007。图纸软件为AutoCAD,PROE,UG,SolidWorks,CATIA等;
4、本站所有图文资料仅供用户学习参考,不作为任何商用或其他用途;
5、本站不保证下载资源的准确性、安全性和完整性, 不包修改,不支持退换,同时也不承担用户因使用这些下载资源对自己和他人造成任何形式的伤害或损失;
6、 下载文件中如有侵权或不适当内容,请与我们联系,我们立即纠正。