

作品包括:
Word版设计说明书1份
CAD版本图纸,共4张
摘要
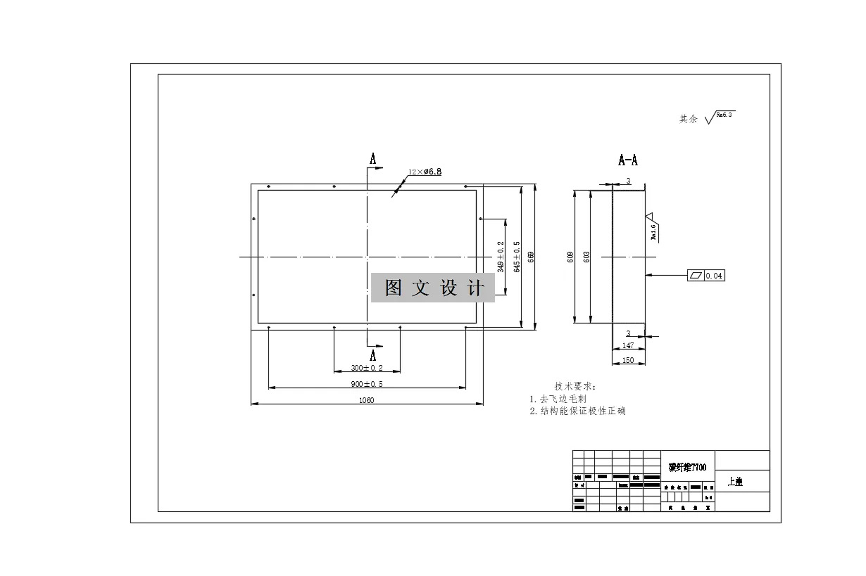
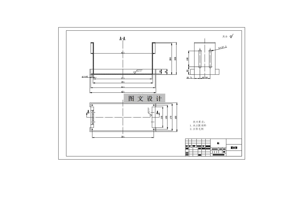
在电动汽车快速发展的这些年,汽车轻量化已经成为当下的一个新趋势。在进行电池箱的轻量化设计时,考虑了很多极端情况下的工况去校核电池箱的可靠性。碳纤维由于其重量轻,强度高等一些优异的特点,对汽车轻量化的具有重要意义。 本文的主要研究内容是:首先,对碳纤维材料的力学性能进行详细探究,确定碳纤维复合材料电池箱的结构形式和连接形式,通过国家标准以及市场上主要电动汽车电池箱结构进行分析,探索更合适的电池箱结构,进行电池箱的设计。
温馨提示:
1、题目前面的备注【字母数字编号】为本站整理分类的编号,与课题内容无关,请选题时忽视;
2、若题目上备注三维,则表示文件里包含三维源文件,由于三维组成零件数量较多,为保证预览截图的简洁性,本站将三维文件夹进行了打包。三维及CAD预览截图,均为本站电脑打开软件进行截图的,保证能够打开,下载原件超高清,下载后解压即可;
3、本站所有资源如无特殊说明,都需要本地电脑安装Office2007。图纸软件为AutoCAD,PROE,UG,SolidWorks,CATIA等;
4、本站所有图文资料仅供用户学习参考,不作为任何商用或其他用途;
5、本站不保证下载资源的准确性、安全性和完整性, 不包修改,不支持退换,同时也不承担用户因使用这些下载资源对自己和他人造成任何形式的伤害或损失;
6、 下载文件中如有侵权或不适当内容,请与我们联系,我们立即纠正。