

作品包括:
Word版说明书一份,20页,约7400字
CAD版本图纸,共8张
目 录
前言……………………………………………………………………1
第一章 绪论1
第一节 电梯的分类
第二节 电梯的基本结构
第三节 电梯技术发展展望
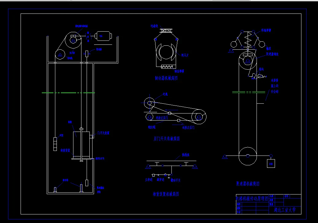
第二章 曳引系统…………………………………6
第一节 曳引驱动(驱动方式比较选择,绕绳方式, 曳引力,比压
第二节 电梯 曳引机(电机选择,传动方式,制动器制动力计算)
第三节 制动器(选择,制动力计算)
第四节 钢丝绳及其端接装置(-种类规格,选择计算,寿命,端接转载)
第三章 轿厢与对重
第一节 轿厢(组成,有效面积的计算)
第二节 轿厢结构的设计计算
第三节 对重与补偿装置
第四节 导轨
第四章 门系统,缓冲器,安全钳与限速器
第一节 门系统
第二节 缓冲器………………………………………………………
第三节 安全钳与限速器…………………………………………
第五章 电梯与建筑物的关系
第七章 设计小结……………………………………………………………
致谢………………………………………………………………………………
参考文献……………………………………………………………………………
附件一 外文资料(中英文翻译)……………………………………………
温馨提示:
1、题目前面的备注【字母数字编号】为本站整理分类的编号,与课题内容无关,请选题时忽视;
2、若题目上备注三维,则表示文件里包含三维源文件,由于三维组成零件数量较多,为保证预览截图的简洁性,本站将三维文件夹进行了打包。三维及CAD预览截图,均为本站电脑打开软件进行截图的,保证能够打开,下载原件超高清,下载后解压即可;
3、本站所有资源如无特殊说明,都需要本地电脑安装Office2007。图纸软件为AutoCAD,PROE,UG,SolidWorks,CATIA等;
4、本站所有图文资料仅供用户学习参考,不作为任何商用或其他用途;
5、本站不保证下载资源的准确性、安全性和完整性, 不包修改,不支持退换,同时也不承担用户因使用这些下载资源对自己和他人造成任何形式的伤害或损失;
6、 下载文件中如有侵权或不适当内容,请与我们联系,我们立即纠正。